工程概况
本工程新建总建筑面积23万平方米,分为东、西两院,其总平面图见图1、图2。西院工程主要由门急诊楼、南病房楼、西病房楼组成,总建筑面积8万平方米;东院工程主要由外科大楼、肿瘤中心组成,总建筑面积15万平方米。该工程涵盖综合性医院、老年病医院、肿瘤医院等多个医疗领域,是国内档次最高的干部保健基地,目前是最大的疑难杂症诊疗中心和最大的医疗机构。该工程设计始于2005年10月,历时8个月完成设计,工程于2008年6月全部竣工。其主要医疗功能及其指标详见表1。


室内设计参数(见表2)

主要设计指标(见表3)

设计难点及其解决措施
(一)环境控制指标要求高
西院工程病房要求温度可以在20-28℃之间调节,实际温度与设定温度之间的温差小于1℃;人员活动区域风速≤0.1m/s;当环境背景噪音低于34dB(A)时,使用空调时噪音≤34dB(A);要求视觉上不显现风口。
显然传统的舒适空调是不能满足如此高的室内环境要求,并且由于病房要求开窗面积大、玻璃透光率高,因此并不适合采用精密空调;这就需要新的设计手段来实现。
设计中通过与厂家合作研发,研制出超低噪声风机盘管;通过计算机气流模拟分析,确定送风形式;多种措施确保空调系统满足病房楼的特殊要求。图3为病房的模拟分析,图4为病房的实景图。


(二)空间小,功能多,工艺要求复杂
外科大楼设有手术部、中心供应、放射内镜、功能检查、超声、病理等医技部门及ICU病房、中心药房等,多数部门规模超大并拥有大型高级医疗设施。手术部共设47间手术室,其中19间I级手术室,设有术中磁共振、术中DSA、术中机器人等国际一流设备,手术部无论规模或设施均为国内之最。图5为其中两间手术室的实景图。

肿瘤中心包括放疗门诊、放疗中心、核医学中心、配液中心、生物治疗、层流病房、肿瘤病房等复杂功能。在局促的空间内汇集了众多大型医疗设备,总计达到700多台,设备特殊环境要求与空间的矛盾对暖通设计形成新的挑战。核医学科的净化与放射性、有毒气溶胶、负压、工艺排风等多种要素相交集,增大了设计难度。要求室内的放射性气溶胶零污染排放,处理难度大。肿瘤中血汗液层流病房内设置带淋浴的卫生间,存在淋浴排气与净化送风的矛盾等。
工程中的众多难点需要在设计中一一消化,在透彻理解医疗需求、工艺要求的基础上,根据不同情况分设或合设空调通风系统,根据室内环境要求、污染物的性质等因素分别设置独立系统。对肿瘤中心的大型特殊医疗设备机房,采取就地处理、按需分设的原则设置空调系统解决其常年散热问题;对肿瘤中心的核医学制药区、抗生素及肿瘤药物配制区的空气净化系统,采用全新风变风量系统,新风与工艺排风联锁控制,保证室内负压状态;对血液无菌层流病房内置的淋浴卫生间,采用侧排气顶送风的方式,解决淋浴排气与净化送风的矛盾。
(三)境外资料本土化
肿瘤中心大型、新型医疗设备数量众多,其中属于国内首次引进的设备有10种,包括亚洲第一台TomoTherapy直线加速器。机房要求均由外方提供,空调通风系统必须结合实际进行本土化设计,这也给设计增大了难度。
空调冷热源
(一)冷热媒参数
空调冷水供回水温度7/12℃,热水供回水温度60/50℃。
(二)西院工程
冷热源均由西院原有冷热站改造扩建后供给,为满足特殊要求,空调冷热源采用四管制供给,空调冷热水在空调期及供暖期外也能保证供给,在冷冻站另外单独设置两台小型风冷冷水机组,作为南区病房楼冬季使用的冷源。
(三)东院外科大楼
外科大楼冷源作为区域供冷中心,兼为周边的新南楼、老南楼、老年血汗管研究所、科技文化中心、礼堂及教学楼供冷。总供冷建筑面积达到15.2万平方米,设计冷负荷为4896RT,设计日总冷负荷为67262RTh。区域冷负荷分时分布情况如图6。

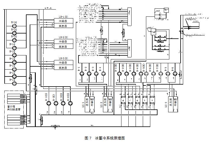
从以上冷负荷分布图可以看出,负荷集中在08:00-18:00合计10个小时时段,夜间空调负荷相对较小,全天负荷存在较大的变化,适合于采用冰蓄冷系统,故冷源采用冷机上游串联式的部分负荷蓄冰系统,采用3台双工况制冷机,单台冷机标准工况制冷量为780RT;3台基载制冷机,其中一台离心冷机制冷量为700RT,两台螺杆冷机制冷量为300RT;总装机容量为3640RT,选用标准TSC-380M型蓄冰装置,蓄冰槽提供的最大总冷量为12160RTH。蓄冷原理图见图7。

冰蓄冷系统根据分时负荷采取最大化节约电能的原则,采用模糊控制,判断和选择以下四种运行模式:双工况主机单独制冰模式、基载主机供冷+双工况主机制冰模式、主机与蓄冰装置联合供冷模式、融冰单独供冷模式、主机单独供冷模式。
(四)东院肿瘤中心
空调计算冷负荷4028kW,计算热负荷4000kW;根据该建筑特点,为消除过渡季及冬季余热,设置一台容量较小的螺杆式制冷
(五)冷冻水系统的控制
冷冻水系统采用一次泵系统;在分、集水器设置压差旁通控制装置,保持系统压差恒定并控制流量。
空调通风系统
(一)空调水系统
1、系统形式
西院工程空调水系统采用四管制变流量系统,末端设置变流量动态平衡电动阀,以解决系统实际运行工况下的水力动态平衡问题。
对于大体量的医院建筑尤其是外科大楼,过渡季普遍存在内区过热的问题,而肿瘤中心更因各种医疗设备的常年散热,甚至在冬季也需要空调制冷。为解决建筑物内各区域空调冷热负荷在时间上的差异,空调水系统采用分区两管制系统。对于净化空调系统,由于手术室之间冷热负荷存在时间上的差异,因此采用四管制。
西院工程、肿瘤中心空调水系统均采用共用立管分层水平供回水形式,立管为异程式,每楼层水平干管为同程式。水平干管回水管设置静态平衡阀,解决系统高度方向上静压差较大产生的水力平衡问题。考虑到外科大楼体量巨大,从方便调节、节约管材等角度出发,裙房每楼层共分2个环路,护理单元层采用竖向系统,总供回水干管敷设在设备层,竖向回水立管设置静态平衡阀。
2、定压补水及水处理措施
水系统均采用膨胀水箱定压,根据膨胀水箱高低液位控制补水泵启停,采用全自动软水装置向系统补充软化水。空调冷冻水采用旁流水处理器,冷却水采用全自动不间断清洗系统。
(二)空调风系统
1、净化空调
本工程设置净化空调系统的场合包括:洁净手术部、ICU、中心供应洁净区、层流病房、配液中心、核医学GMP制药、生物实验室,各种洁净空间净化级别均有不同、工艺要求也不同,设计复杂程度高、难度大。
外科大楼手术部、肿瘤中心层流病房规模均为当时国内之首,包括19间I级手术室、20间层流病房。为了降低能耗,采用二次回风系统以减少空气处理的再热量。净化空调的二次回风系统不同于舒适性空调系统的二次回风系统,出于感染控制的需要,净化空调更注重于室内相对湿度的控制,因此,净化空调二次回风系统并不适合采用调节一、二次回风比例的方法来满足室内温湿度要求,而是固定设计状态下的一、二次回风比例,增设电再热来满足室内温度的调节需求。相比一次回风系统,19间I级手术室及20间层流病房总计分别节约制冷量400kW、150kW。采用二次回风系统取得了可观的经济效益。
肿瘤中心配液包括营养液配制、抗生素及肿瘤药物配制。根据不同功能,营养液配制采用一次回风净化空调系统,而抗生素及肿瘤药物配制采用全新风净化空调系统。配液中心设计空气洁净度等级为10000级。设计营养液配制相对邻室正压,而抗生素及肿瘤药物配制区域相对邻室负压。抗生素及肿瘤药物配制的排风经无泄漏高效过滤风口截留有毒粉尘后高空排放,确保不对医院周边大气环境产生污染。
肿瘤中心核医学GMP制药分两个区,一个为GMP通道、洁净走廊,另一区域为配制短半衰期核素药物,设计空气洁净度等级为10000级,均采用全新风净化空调系统。为了适应短半衰期核素药物配制的合成柜间歇性运行的特点,新风送风管设置电动调节定风量阀(参见图8)与合成柜排风联锁控制,避免出现室内正压,防止放射性气溶胶外泄。

肿瘤中心生物实验室净化区域内配置培养箱、ⅡA1级生物安全柜、离心机、水浴箱、-80℃冰箱、高压蒸汽灭菌器等设备,净化空调负荷相对较大,因此采用一次回风系统。由于操作人员衣着防护服,因此夏季室内设计温度为20~22℃。生物实验室净化级别为10000级。
2、工艺性空调
本工程中工艺性空调主要为特殊医疗设备机房而设置,如MR、PET/CT等设置恒温恒湿空调系统。
3、 舒适性空调
(1)风机盘管加新风系统
对于诊室、候诊、病房、病理检验、内镜中心、急诊、化验、功能检查等房间,设置风机盘管加新风系统。新风由独立的新风口送入室内,新风机组设置粗、中效两道过滤。
(2) 全空气系统
在餐厅、一层大厅、报告厅等大空间场合,设置低速单风道全空气系统,全空气系统的新风引入管、新风百叶均按系统总风量计算尺寸,可实现100%新风运行,并根据不同情况考虑设置变频排风机与空调机组新风阀联锁调节运行。
(3) 变制冷剂流量多联空调加新风系统
为避免空调水系统漏水影响医疗设备,也兼顾到其常年散热问题,因此,对于放射影像、核医学影像、放疗等机房,设置变制冷剂流量多联空调加新风系统;消防控制室、楼宇控制中心、设置机柜的弱电井也因负荷特性和运行时间的差异性,采用变制冷剂流量多联空调系统。
(三)通风系统
医疗建筑由于室内污染源较多、人员密度较大,因此机械通风系统显得尤为重要。本工程中,除了卫生间、车库、消毒间、污洗间、变配电室等设备机房、厨房等常规功能用房设置机械通风系统外,设计应更多关注于因医疗功能、医疗工艺而产生的通风需求。
1、检验科、病理科
检验科、病理科在操作过程中会散发一些酸碱挥发性气体,这些有害气体应在源发地第一时间排放。
检验科的接种、标本提取、鉴定、真菌等房间均配置有不同等级的生物安全柜,病理科的冷冻、取材、染色等房间则配置不同尺寸的通风柜,而建设方往往在设计阶段不能确定生物安全柜、通风柜的台数、生物安全等级等技术条件,因此需要设计院考虑排风路由。生物安全柜共分三个等级,一般医院中采用的生物安全柜为Ⅰ、Ⅱ级,Ⅱ级中B1、B2级生物安全柜应独立外排,根据我们以往经验,在本工程设计中预留竖向排风竖井,将检验科、病理科的室内排风、生物安全柜、通风柜的排风经竖井中的独立风道由屋顶排风机高空排放,既方便运行管理,又避免了因本层排放对周边环境的影响,从实际运行来看,检验科、病理科本身以及周边科室空气质量未受影响,取得良好效果。
2、放疗机房
本工程放疗机房主要集中在肿瘤中心,配置有:直线加速器、后装机、Co60等,放疗机房室内空气由于射线的电离作用产生臭氧,接受治疗的病人因不能经常洗澡而体味较重,因此气流组织应设计为上送下排形式。放疗机房一般通风换气次数取6次/时,有特殊要求的直线加速器室通风换气次数可达10~12次/时,肿瘤中心引进的亚洲第一台TomoTherapy直线加速器是集合影像放疗为一体的加速器,根据设备冷却送风的要求,设计采用超低阻亚高效过滤从机器底部送入100000级净化空调风,设计图参见图9。

3、核医学科
核医学科无论是其制药区域还是影像诊断区域,室内都存在含有放射性核素的气溶胶,因此,通风系统应满足三个条件:
(1)对相邻空间保持负压,
(2)内部应保持空气由低活区向高活区的流向,
(3)排风应在建筑物的屋顶高空排放。
肿瘤中心核医学科包括回旋加速器制药区域及SPET、PET/CT诊断区域,核素活性由高到低的顺序为药剂制备、实验、加速器室、病人注射室、SPET及PET/CT扫描间、病人休息及运动室、病人卫生间,通风设计严格按照各房间之间微负压控制计算风量,所有排风系统均经竖井由屋顶排风机高空排放,对于药剂制备区、合成柜、分装柜排除的高活性放射性气溶胶排风均经核工业专用放射性过滤吸附设备处理后高空排放。考虑到高空风压对室内压力及洁净度的影响,设计中还在屋顶排风机入口处设置中效过滤箱,种种措施确保了核医学排风的顺畅并最大限度减少对周边大气环境的污染。
新技术应用及设计优点
(一)CFD技术
1、CFD技术
本工程在西院工程的高级病房、东院的外科大楼大厅、肿瘤中心的层流病房均应用了CFD技术,分别解决了高级病房的超高标准环境要求、大厅分层空调问题、层流病房内卫生间淋浴排风与净化送风的矛盾,由于合理的应用CFD技术,使得本工程有关计算流体力学的三大技术难点得以攻克,为医院顺利建设使用提供了保障。
2、冰蓄冷
外科大楼通过对区域空调负荷的详细计算及分析,结合了该医院的实际情况,采用蓄冰槽冰蓄冷系统,既减少供电负荷,又节约运行费用,据测算,相比常规冷水机组制冷系统,供电负荷减少15%,每年夏季空调运行费减少59万元,比常规空调减少11%。为医院取得可观的经济效益。
3、热回收
本工程设计积极响应国家节能政策,结合各建筑物特点,在新排风热回收技术上采用转轮显热热回收装置、热管式热回收装置。根据后来医院抽检测试,热回收效率达到62%,达到了医院的建设策划节能指标。
结语
本大型综合医院的改扩建工程是全国一次性整体建设规模最大的医院项目,拥有全国标准最高的高级健康保健基地、全国最大单体的病房楼、全国最为齐全的肿瘤设备、全国最大规模的血液层流病房等诸多特点,工程设计难点多、难度高,对设计提出前所未有的技术要求和挑战,项目中所采用的创新技术被作为范例推广应用到后续多个医院设计中,为我国超大型医院建设起到了借鉴作用。作者:黄中 林向阳 袁白妹 史晋明 吴丹芸 孙苗 李永祥
原标题:某大型综合医院扩建工程暖通空调设计
来源:《暖通空调》
附注:
1.本项目主要设计负责人分别为:西院工程——林向阳;外科大楼——袁白妹;肿瘤中心——黄中。
2.本项目的工程设计获得以下奖项:
第二届中国建筑学会暖通空调工程优秀设计一等奖(颁奖部门:中国建筑学会)
2008年度全国工程勘察设计行业优秀建筑环境与设备设计三等奖(颁奖部门:中国勘察设计协会)
2009年机械工业优秀工程咨询勘察设计一等奖(颁奖部门:中国机械工业勘察设计协会)
2009年度中国机械工业科学技术二等奖(颁奖部门:中国机械工业联合会、中国机械工程学会)
第三届暖通空调工程优秀设计二等奖(颁奖部门:中国建筑学会)
2009年度全国优秀工程勘察设计行业二等奖(颁奖部门:中国勘察设计协会)