电子电路分析与实践总结 (欧普电子镇流器电路故障分析视频)

总有朋友问我,镇流器和整流器区别,或总把两者弄混了,今天拆了一个飞利浦的电子镇流器和大家分享其原理,至于整流器电路,大家可以去参考开关电源。

可以关注我:光头机电,获取开关电源电路知识。

如图 这是一个环形荧光灯镇流器。

镇流器电路与变压器电路的区别,电感镇流器荧光灯的电路原理图

荧光灯电子镇流器是一个将市沟通电源转换成高频沟通电源的变换器。市电经过射频干扰滤波器,全波整流和无源(或有源)功率因素校正器后,变为直流电源。

镇流器电路与变压器电路的区别,电感镇流器荧光灯的电路原理图

通过DC/AC变换器,输出高频沟通电源,输入LC串联谐振电路后再输出,加热荧光灯灯丝,同时在电容器上产生谐振高压,加在灯管两端,放电,激发。。。使管壁荧光粉处于发光状态,荧光灯正常工作后,高频电感就会限制电流增大,保证灯管获得正常工作所需的灯电压和电流。

比较好的电子镇流器一般都有各种保护电路,浪涌电压和电流保护,温度保护等等。

如图:

镇流器电路与变压器电路的区别,电感镇流器荧光灯的电路原理图

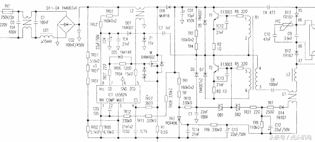
市电输入,保险丝作电路短路保护,桥式整流器前的电容、电感元件组成共模抗干扰电路。大家可以结合电路图和实物图,进行分析

镇流器电路与变压器电路的区别,电感镇流器荧光灯的电路原理图

桥式整流并经电容C02滤波后产生约200v左右的直流电压,主电路经过升压电感L2分两路其中一路经超快恢复整流二极管D06、电容CD1滤波后产生399V的直流电压。

经电阻TR1、TR1、TR10、双向触发二极管DB1、使T2功率开关管13005导通,再通过脉冲变压器B1的耦合作用使T1、T2功率开关管13005交叉导通和截止,使荧光灯回路点亮。

镇流器电路与变压器电路的区别,电感镇流器荧光灯的电路原理图

该荧光灯点亮回路和其他荧光节能灯不同之处。是在灯丝两端分别并上D12、D13快速二极管,对灯管灯丝起到保护作用。

附录: 13005是NPN型高反压开关三极管耗散功率1.5W、耐压700V、集电极电流4A。

欢迎留言,指点,点赞!请关注我:光头机电,获取更多的机械电子知识!