快速判断音频故障
① 如果手机能打电话,但不能听到声音。
对方能否听到声音,若能,说明模拟基带(或音频处理器)电路基本正常,应检查受话器音频线路。若对方也听不到声音,连接耳机到故障机,看通话是否正常。若用耳机通话正常,检查耳机接入检测电路。若用耳机通话也不正常,检查音频处理器、模拟基带电路。
② 如果手机能打电话,但手机无送话。
能否听到对方的声音,若能,说明模拟基带(或音频处理器)电路基本正常,应检查送话器音频线路;若不能听到对方声音,连接耳机到故障机,看通话是否正常,若通话正常,检查耳机接入检测电路。若用耳机通话不正常,检查内接送话器电源、音频处理器、模拟基带电路。
检修耳机故障
① 耳机无声。
耳机无声的故障应检修耳机受话器电路。除三星的部分手机外,大多数耳机受话器电路都是一个RLC电路。
对于使用电阻、电感与电容的耳机受话器电路,主要是检查信号线是否良好,信号线上的元件是否有损坏,检查耳机接口是否良好。
对于耳机受话器通道上有电子开关的机器,除检查受话器的RLC信号线路外,还应关注检查电子开关电路是否正常。
② 耳机无送话。
检查耳机送话器的工作电源是否正常,若工作电源不正常,检查相应的电源线路。若耳机送话器的工作电源正常,检查耳机接口,检查耳机接口与音频芯片或模拟基带芯片之间的RLC电路元件、线路。
③ 手机连接耳机时手机无反应。
检查耳机接口是否良好,检查耳机接入检测信号线路与信号线路上的元件是否有损坏,若以上正常,检查接收接入检测信号的芯片电路。
④ 检修耳机按钮无功能。
检查耳机接口是否良好,检查耳机按键监测信号线路与信号线路上的元件是否有损坏,若以上都正常,检查接收耳机按键监测信号的芯片电路。
以图10.9所示的电路为例(请自己先分析一下,然后再看后面的内容)。

图10.9 一个手机的耳机电路
① 耳机连接时手机无反应。
检查耳机插孔是否良好,检查JACK_IN信号线,检查接收JACK_IN信号的芯片。若一直处于耳机模式,检查ZD403。
② 耳机按键开关无功能。
检查R423~R425、Q400,检查EAR_SWITCH信号线,检查接收EAR_SWITCH信号的芯片。
③ 耳机无声。
检查C413、C414处有无对地短路现象,若有,检查C413、C414、ZD405、ZD402。若无短路现象,检查AOUTBP、AOUTBN信号线;检查输出AOUTBP、AOUTBN信号的芯片。
④ 耳机无送话。
检查C415处电压是否正常,若不正常,检查C415、ZD401、R420、C409、R409是否有损坏,若元件正常,检查VCCA电源电路。
检查R426、C416、R421、R422、C424是否有损坏,若元件正常,检查接收AUXIN信号的芯片。
检修无接收声故障
受话器音频电路故障的检修是比较简单的。
如果受话器完全没有声音,通常应先确定受话器是否良好。可以用万用表的欧姆挡简单地判断受话器是否损坏:将指针式万用表设置在欧姆挡,将万用表的一只表笔放在受话器或扬声器的一个接点上,用万用表的另一个表笔在受话器或扬声器的另一个接点上迅速地点击。若能听到受话器或扬声器发出声音,说明器件基本正常。受话器有一个直流电阻,而且一般在几十欧,如果直流电阻明显变得很小或很大,则需更换受话器。对于那些明显感觉到声音沙哑的,可先更换受话器。
若受话器良好,应关注检查信号通道上是否有开路现象,是否有对地短路现象,线路中的电阻、电容或电感是否有损坏,模拟基带芯片的焊接是否良好。在接收音频方面,因模拟基带信号处理器损坏而导致没有接收音频输出的情况是比较少的。
以图10.10所示的电路为例(请自己先分析一下,然后再看后面的内容)。
① 用万用表检查受话器是否损坏。
② 检查L710、L711是否开路,检查C745、C744、C728、D708、D704是否短路。
③ 若以上都正常,检查信号线,检查U703电路。
检修通话效果差的故障
首先应确认手机的信号比较好,否则,应检修射频电路。
对于通话杂音大的故障,应关注检查受话器、送话器是否良好。

图10.10 黑莓9000手机的受话器电路
检查受话器、送话器音频线路上的EMI、ESD器件、滤波电容是否良好,检查模拟基带芯片或音频芯片外接的电容是否良好。
检修免提声故障
如果使用了独立的音频放大器电路,先检查扬声器是否有损坏,检查音频放大器的输出是否正常。
若音频放大器的输出正常,检查音频放大器与扬声器之间的电路。若音频放大器的输出不正常,检查音频放大器的输入是否正常。
若音频放大器的输入不正常,检查音频放大器与模拟基带之间的电路,检查模拟基带处理器。
若音频放大器的输入正常,检查音频放大器的电源、控制信号线路,检查音频放大器的其他外围元件,或检查、更换音频放大器。
检修无送话故障
如果送话器电路出现故障,可能导致通话的对方听不到声音,或对方听到的杂音大、电流声大等故障。
若通话的对方听不到声音,应主要检查送话器偏压是否正常,送话器是否损坏,送话器与模拟基带芯片之间的音频信号通道是否有问题。此类故障通常出现在送话器电路。首先,应检查送话器是否正常,由于送话器电路多为 RC 电路,所以,在大多数情况下,可以在故障机不加电的情况下检修。
以图10.11所示的电路为例(请自己先分析,然后再看后面的内容)。

图10.11 一个手机的内接送话器电路
① 检查送话器是否良好。
② 检查C775处电压是否正常。若不正常,检查C775、D703、C714、C784是否短路,检查R710、R709是否开路。若元件正常,检查U703电路。
③ 检查C777、C775处有无音频信号。若无,检查C775、C777、C719是否短路。若元件正常,更换送话器。
④ 若C777、C775处有音频信号,检查C715、C720、R711、R712、C724、C725等元件。
检修翻盖、滑盖无功能故障
如果手机的翻盖、滑盖监测电路出现问题,当手机的翻盖、滑盖打开或闭合时,手机会没有反应。若监测电路出现问题,还可能导致手机出现不开机和按键方面的故障。
检修翻盖监测电路实际上就是检修霍尔器件或磁阻传感器电路,操作是比较简单的,可按如下所述进行操作。
先检查霍尔元件或磁阻元件的供电是否正常,若供电不正常,检查供电线路。若供电正常,可用磁铁靠近相关器件,用万用表检查传感器的输出端信号电平是否翻转。若信号电平翻转(由高电平变为低电平,或由低电平变为高电平),检查霍尔元件(或磁阻元件)与基带芯片之间的连线,检查基带芯片电路。若信号电平没有翻转,检查更换传感器。
以图10.12所示的电路为例(请自己先分析一下,然后再看后面的内容)。

图10.12 U8i 的侧滑盖状态监测电路
① 检查C2854处的电压是否正常,若不正常,检查C2854与VO_DIG1.8_BB电源之间的线路。
② 拿磁铁靠近、远离N2800芯片,检查C2855处的电压是否变高、变低。若没有变化,检查C2855是否短路。若元件正常,更换N2800。
③ 若C2855处的电压有翻转变化,检查SLIDE_SENS信号线,检查接收SLIDE_SENS的芯片的焊接,或更换相关芯片。
检修振动器无功能故障
振动器损坏的概率很小。手机振动器方面的故障主要是检查驱动电路及其线路。如果驱动电路中的元件正常,可检查、更换提供控制信号的芯片。而这些检修工作基本上都可在不给故障机加电的情况下进行。
例如图10.13所示的诺基亚N97mini手机的振动器电路。检查L2206、L2207、C2239、C2240是否有损坏,若元件正常,检查更换N2200。
检修光传感器故障
光检测电路包括环境光检测、接近传感器。
检修环境光传感器、接近传感器电路故障时,使传感器被遮住、暴露在光源下,检查传感器输出的数据信号是否有明显的变化。
若输出信号变化明显,检查传感器输出信号线路。若输出信号没有变化,检查供电是否正常,或更换传感器。若输出信号的变化不明显,直接更换传感器。

图10.13 诺基亚N97mini手机的振动器电路
以图10.14所示的电路为例(请自己先分析一下,然后再看后面的内容)。

图10.14 LG P698手机内的接近传感器
① 遮住、暴露传感器U6003,检查U6003的输出是否有变化。若有,检查PROX_OUT信号线路,检查接收PROX_OUT信号的芯片电路。
② 若U6003的输出没有变化,检查R6010、R6017、C6011、C6012、R6011、R6012是否有损坏。若元件正常,检查、更换U6003。
检修照相机功能故障
检修手机照相机电路故障通常是在手机能开机的前提条件下进行的。手机的照相机电路故障多种多样,但其故障检修基本上可总结如下。
① 检查照相机模组的连接器是否良好。
② 检查照相机模组是否良好,有条件的可先更换照相机模组。
③ 照相机模组直接连接到基带处理器的,主要检查接口线路上的电阻、电容、电容和滤波器是否有损坏,检查基带芯片的焊接是否良好。若以上方面未发现问题,可更换基带芯片,或作软件处理。
④ 若照相机模组与基带处理器之间有图像处理器,应检查照相机模组与图像处理器之间的接口、接口线路上的电阻、电容、电感和滤波器等。
以图10.15所示的电路为例(请自己先分析一下,然后再看后面的内容)。

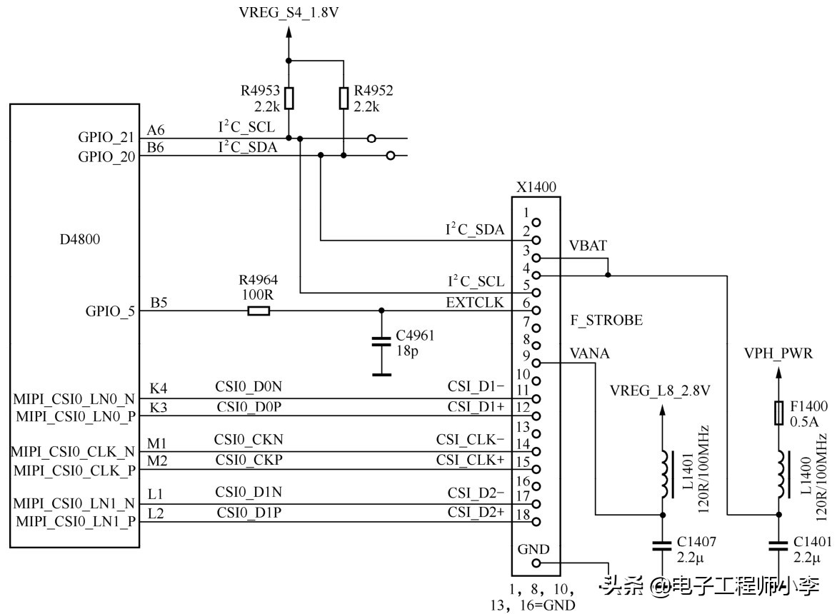
图10.15 诺基亚820手机的照相机接口电路
① 检查照相机模组连接器X1400是否良好。
② 检查L1401、L1400、F1400、R4964、C4961、R4953、R4952等元件是否有损坏?
③ 若以上正常,更换照相机模组,或检查X1400与D4800之间的信号线,检查D4800的焊接,或更换D4800。
检修闪光灯故障
不论闪光灯电路是简单还是复杂,在检修手机闪光灯故障时,只要抓住重点,便会使检修工作变得很容易。
① 若闪光灯电路有通过连接器、插座等接插件连接闪光灯、主机电路等,应关注检查连接器、连线等是否良好。
② 无论闪光灯电路如何,其控制信号都是检查的重点。控制信号可能来自基带芯片,也可能来自照相机模组。
③ 如今手机中的芯片多采用BGA封装(或没有电路图),可能找不到控制信号的测试点。这种情况下,可先检查闪光灯电路中直流变换器的外围元件(这些外围元件大都可以利用万用表来检查、判断)。若外围元件没有问题,可依次检查、更换闪光灯电路中的直流变换器(或其他有源器件)和输出控制信号的相关芯片。
以图10.16所示的电路为例(请自己先分析一下,然后再看后面的内容)。

图10.16 LG E970手机的闪光灯电路
① 检查ZD6001处有无高电压输出,若有,检查R6001、闪光灯LD6001。若ZD6001处无输出,检查ZD6001是否短路。
② 若 U6001 无输出,但输出端元件都正常,检查 R6004 的控制信号是否正常。若不正常,检查U6001与应用处理器之间的线路,或检查应用处理器的焊接,更换应用处理器。
③ 显示背景灯与闪光灯等电路共用I2C总线。检查显示背景灯是否正常,若正常,说明I2C总线正常。若不正常,检查U6001与应用处理器之间的I2C总线,以及总线上的上拉电阻。
④ 检查L6001、C6002是否有损坏,若元件正常,更换U6001芯片。
检修灯故障
手机中常见的信号指示灯有充电指示灯、网络信号指示灯。不论是什么指示灯,其电路都相似:指示灯直接或经电阻连接到相关的芯片;基带芯片或应用处理器通过一个三极管(或场效应管)电路驱动指示灯。
如果信号指示灯不工作,检查相关的发光二极管是否损坏,检查发光二极管两个端口线路上的元件是否有损坏,检查相关的控制器件,或检查相关的芯片。
如果灯直接连接到芯片端口,检查灯、限流电阻是否损坏。若元件正常,检查相关芯片。
若灯电路采用三极管、场效应管电路,以图10.17所示的电路为例(请自己先分析一下,然后再看后面的内容)。

图10.17 索尼爱立信CK13i内的预充电指示灯电路
① 检查灯LED701是否损坏。
② 检查检查Q703的①脚是否为高电平,若不是,检查输出单芯片处理器。
③ 若Q703的①脚信号正常,检查R710、R707、D702、Q703。
检修蓝牙电路故障
手机出现蓝牙方面的故障,其原因很多,首先应该关注的是,在使用手机的蓝牙功能时,操作是否正确,手机的设置是否正确,家里的无线路由器设置是否正确。
若确定是硬件电路故障,可按如下所述的内容进行检修。
检查蓝牙模组的工作电源是否正常。若电源不正常,检查相应的电源管理器,或检查相应的电压调节器电路。
若故障机的电路板上有蓝牙通信电路的复位、时钟信号测试点,检查这些信号是否正常。若复位信号不正常,检查相应的电源管理器或数字基带芯片电路;若主时钟信号不正常,检查蓝牙通信模组与射频单元或数字基带的时钟输出端口之间的线路;若睡眠时钟信号不正常,检查蓝牙通信电路与数字基带之间的线路。
若通过以上检查都不能解决问题,检查蓝牙模组与数字基带芯片之间的线路,检查芯片的焊接,或依次更换它们。
不过现在手机中的蓝牙模组电路通常都很简单,检修操作也很简单。以图 10.18 所示的电路为例(请自己先分析一下,然后再看后面的内容)。
① 参照电路图,检查U9001的1、21、22、24、36、38、39脚的电压是否正常。若某个电压不正常,检查相应的供电线路,或检查相应的电源电路。
② 从电路图上看,U9001外围元件很少。检查R9015、L9001、C9002、C9003是否有损坏。
③ 若以上正常,检查U9001的焊接,或更换U9001模组,检查应用处理器。
检修磁力传感器故障
可用示波器来检修磁力传感器电路。用示波器检查传感器芯片的控制信号是否正常,在变动电路板方位时检查 I2C 数据是否有变化。若控制信号不正常,检查相关的基带芯片;若I2C数据不正常,检查芯片的供电是否正常。若供电正常,检查、更换传感器芯片。
检查陀螺仪故障
首先检查陀螺仪芯片外接的环路滤波器元件(电阻、电容)是否有损坏,检查陀螺仪电路的工作电源是否正常。
若以上正常,更换陀螺仪芯片,或检查基带芯片(或应用处理器)。
检查磁阻开关故障
若磁阻开关电路出现故障,先检查其供电是否正常。若供电不正常,检查供电线路。若供电正常,可用磁铁靠近磁阻开关,用万用表检查传感器的输出端信号电平是否翻转。若信号电平翻转,检查霍尔元件(或磁阻元件)与基带芯片之间的连线,检查基带芯片电路。若信号电平没有翻转,检查、更换磁阻开关。

图10.18 LGE960手机内的蓝牙/WIFI电路
检修存储卡电路故障
如果手机出现存储卡方面的故障,可按如下所述进行检修。
如果存储卡经存储卡连接器电路直接与基带通信,检查其中的电阻、电容、滤波器等元件是否有损坏。若元件正常,检查接口存储卡卡座是否良好,或检查、更换基带芯片。
如果存储卡经一个电平转移电路连接到基带处理器,检查接口芯片的供电是否正常,检查其中的电阻、电容、滤波器等元件是否有损坏。若元件正常,检查接口存储卡卡座是否良好,或检查,更换接口芯片和基带芯片。
以图10.19所示的电路为例(请自己先分析一下,然后再看后面的内容)。
① 检查存储卡卡座X3200是否良好。
② 检查L3200、R3201是否有损坏。
③ 更换R3200,或检查D2200芯片。
检修SIM卡故障
在少数手机中,有一个专门的SIM卡插入检测电路。如果手机出现“插入SIM卡”故障,应检修这个检测电路。
如果手机中没有SIM卡插入检测电路,检查SIM卡卡座、SIM卡接口线路。
SIM卡故障通常有“插入卡”、“检查卡”、“卡被拒绝”等。SIM卡故障通常由SIM卡接口电路、SIM卡卡座等引起,除此之外,应仔细检查SIM卡信号线、SIM卡信号线上的电阻、电容,还要特别关注信号线上的EMI或ESD滤波器件。
可用示波器来检查SIM卡电路:先将示波器的探头放在SIM卡卡座的弹*片簧**处,然后开机。反复几次,分别测试几个端口。关注观察有无信号,信号的幅度是否正常。检查没有信号或幅度不正常的线路上的元件,检查该信号端口与相关芯片之间的线路是否有断线情况,或检查、更换相关的芯片。
图10.20所示的是示波器检测到的SIM卡时钟信号,图10.21所示的是示波器检测到的SIM卡数据信号。
检修触摸屏故障
若手机出现触摸屏无功能的故障,先检查触摸屏有无物理损伤,检查按键接口是否良好,用万用表检查触摸屏是否损坏,检查触摸屏驱动器的外围元件是否有损坏。
若以上都无问题,更换触摸屏驱动器,或直接检查、更换数字基带芯片(或应用处理器)。
对于触摸屏功能错乱的故障,可首先检查触摸屏是否损坏。对故障机作软件更新处理看能否解决问题。若以上处理不能解决问题,仔细检查触摸屏接口电路。

图10.19 诺基亚Asha308手机的存储卡接口电路

图10.20 SIM卡时钟信号

图10.21 SIM卡数据信号
正常情况下,在进行通话时触摸屏会被关闭,否则可能导致电话操作错误。主要应检查手机的接近传感器电路。
以图10.22所示的电路为例(请自己先分析一下,然后再看后面的内容)。

图10.22 诺基亚Asha 308手机的触摸屏接口电路
① 检查触摸屏的接口X1002是否良好。
② 检查C1072处的电压是否正常。若不正常,检查C1072、C1088、L1010是否有损坏。若元件正常,检查测试点 J1017 处的控制信号是否正常。若不正常,检查 D2200。若控制信号正常,更换N1000。
③ 检查 R1081~R1084、R1077~R1080、R1085~R1089 是否有损坏。若元件正常,更换触摸屏。
检修功率放大器故障
与早期手机不同的是,如今手机的发射功率放大器模组很少损坏。
检修功率放大器模组电路的方法与检修三极管电路的思路其实是一样的。特别是如今手机中的功率放大器模组高度集成,电路简洁,利用“黑盒子”法检修操作更加简单。同时还可采取一些其他的检修措施。
以图10.23所示的电路为例(请自己先分析一下,然后再看后面的内容)。

图10.23 一个WCDMA功率放大器电路
当确定问题在发射机时。
① 将C151取下,在A点焊接一金属导线,看手机能否拨打电话。若能,说明问题在PA与PA之后的电路。若不能,应检修射频芯片电路。
② 将C151安装好,在B点焊接一金属导线,看手机能否拨打电话。若能,说明双工滤波器F103、C188及之后的线路故障。若仍不能,需检修功率放大器模组PAM102电路。
③ 在电容C122~C124处分别检查几个控制信号是否正常。若某个信号不正常,检查该信号线路上的电容是否有损坏。若元件正常,检查输出该控制信号的芯片电路。
④ 若控制信号正常,检查C151、R107、R108、L112是否有损坏。若元件正常,更换功率放大器模组PAM102。
一个神奇的淘宝店铺,打开有惊喜。所有商品均可以无理由退货,请放心购买! 首页-电子工程师小李-淘宝网