之前的文章中,介绍了电感的一些知识。本文将谈谈电容,介绍电容的知识和如何选型。
一、电容的基本原理
电容,和电感、电阻一起,是电子学三大基本无源器件;电容的功能就是以电场能的形式储存电能量。
以平行板电容器为例,简单介绍下电容的基本原理

如上图所示,在两块距离较近、相互平行的金属平板上(平板之间为电介质)加载一个直流电压;稳定后,与电压正极相连的金属平板将呈现一定量的正电荷,而与电压负极相连的金属平板将呈现相等量的负电荷;这样,两个金属平板之间就会形成一个静电场,所以电容是以电场能的形式储存电能量,储存的电荷量为Q。
电容储存的电荷量Q与电压U和自身属性(也就是电容值C)有关,也就是Q=U*C。根据理论推导,平行板电容器的电容公式如下:

理想电容内部是介质(Dielectric),没有自由电荷,不可能产生电荷移动也就是电流,那么理想电容是如何通沟通的呢?
通沟通
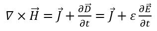
电压可以在电容内部形成一个电场,而沟通电压就会产生交变电场。根据麦克斯韦方程组中的全电流定律:

即电流或变化的电场都可以产生磁场,麦克斯韦将ε(∂E/∂t)定义为位移电流,是一个等效电流,代表着电场的变化。(这里电流代表电流密度,即J)
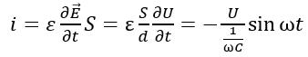
设沟通电压为正弦变化,即:

实际位移电流等于电流密度乘以面积:

所以电容的容抗为1/ωC,频率很高时,电容容抗会很小,也就是通高频。
下图是利用ANSYS HFSS仿真的平行板电容器内部的电磁场的变化。
横截面电场变化(GIF动图,貌似要点击查看)

纵断面磁场变化(GIF动图,貌似要点击查看)

也就是说电容在通沟通的时候,内部的电场和磁场在相互转换。
隔直流
直流电压不随时间变化,位移电流ε(∂E/∂t)为0,直流分量无法通过。
实际电容等效模型
实际电容的特性都是非理想的,有一些寄生效应;因此,需要用一个较为复杂的模型来表示实际电容,常用的等效模型如下:

由于介质都不是绝对绝缘的,都存在着一定的导电能力;因此,任何电容都存在着漏电流,以等效电阻Rleak表示;
电容器的导线、电极具有一定的电阻率,电介质存在一定的介电损耗;这些损耗统一以等效串联电阻ESR表示;
电容器的导线存在着一定的电感,在高频时影响较大,以等效串联电感ESL表示;
另外,任何介质都存在着一定电滞现象,就是电容在快速放电后,突然断开电压,电容会恢复部分电荷量,以一个串联RC电路表示。
大多数时候,主要关注电容的ESR和ESL。
品质因数(Quality Factor)
和电感一样,可以定义电容的品质因数,也就是Q值,也就是电容的储存功率与损耗功率的比:
Qc=(1/ωC)/ESR
Q值对高频电容是比较重要的参数。
自谐振频率(Self-Resonance Frequency)
由于ESL的存在,与C一起构成了一个谐振电路,其谐振频率便是电容的自谐振频率。在自谐振频率前,电容的阻抗随着频率增加而变小;在自谐振频率后,电容的阻抗随着频率增加而变小,就呈现感性;如下图所示:

图出自Taiyo Yuden的EMK042BJ332MC-W尺寸书
二、电容的工艺与结构
根据电容公式,电容量的大小除了与电容的尺寸有关,与电介质的介电常数(Permittivity)有关。电介质的性能影响着电容的性能,不同的介质适用于不同的制造工艺。
常用介质的性能对比,可以参考AVX的一篇技术文档。
AVX Dielectric Comparison Chart
电容的制造工艺主要可以分为三大类:
· 薄膜电容(Film Capacitor)
· 电解电容(Electrolytic Capacitor)
· 陶瓷电容(Ceramic Capacitor)
2.1 薄膜电容(Film Capacitor)
Film Capacitor在国内通常翻译为薄膜电容,但和Thin Film工艺是不一样的。为了区分,个人认为直接翻译为膜电容好点。
薄膜电容是通过将两片带有金属电极的塑料膜卷绕成一个圆柱形,最后封装成型;由于其介质通常是塑料材料,也称为塑料薄膜电容;其内部结构大致如下图所示:

原图来自于维基百科
薄膜电容根据其电极的制作工艺,可以分为两类:
金属箔薄膜电容(Film/Foil)
金属箔薄膜电容,直接在塑料膜上加一层薄金属箔,通常是铝箔,作为电极;这种工艺较为简单,电极方便引出,可以应用于大电流场合。
金属化薄膜电容(Metallized Film)
金属化薄膜电容,通过真空沉积(Vacuum Deposited)工艺直接在塑料膜的表面形成一个很薄的金属表面,作为电极;由于电极厚度很薄,可以绕制成更大容量的电容;但由于电极厚度薄,只适用于小电流场合。
金属化薄膜电容就是具有自我修复的功能,即假如电容内部有击穿损坏点,会在损坏处产生雪崩效应,气化金属在损坏处将形成一个气化集合面,短路消失,损坏点被修复;因此,金属化薄膜电容可靠性非常高,不存在短路失效;
薄膜电容有两种卷绕方法:有感绕法在卷绕前,引线就已经和内部电极连在一起;无感绕法在绕制后,会采用镀金等工艺,将两个端面的内部电极连成一个面,这样可以获得较小的ESL,应该高频性能较高;此外,还有一种叠层型的无感电容,结构与MLCC类似,性能较好,便于做成SMD封装。

最早的薄膜电容的介质材料是用纸浸注在油或石蜡中,英国人D'斐茨杰拉德于1876年发明的;工作电压很高。现在多用塑料材料,也就是高分子聚合物,根据其介质材料的不同,主要有以下几种:

应用最多的薄膜电容是聚酯薄膜电容,比较便宜,由于其介电常数较高,尺寸可以做的较小;其次就是聚丙烯薄膜电容。其他材料还有聚四氟乙烯、聚苯乙烯、聚碳酸酯等等。
薄膜电容的特点就是可以做到大容量,高耐压;但由于工艺原因,其尺寸很难做小,通常应用于强电电路,例如电力电子行业;基本上是长这个样子:

截图于High Power Capacitors For Power Electronics - A
引申阅读:
· Film capacitor
· Capacitors, Part 4 "Film Capacitors [1]"
· AVX PRODUCT GUIDE FOR MEDIUM & HIGH POWER FILM CAPACITORS
2.2 电解电容(Electrolytic Capacitor)
电解电容是用金属作为阳极(Anode),并在表面形成一层金属氧化膜作为介质;然后湿式或固态的电解质和金属作为阴极(Cathode)。电解电容大都是有极性的,如果阴极侧的金属,也有一层氧化膜,就是无极性的电解电容。
根据使用的金属的不同,目前只要有三类电解电容:
铝电解电容(Aluminum electrolytic capacitors)
铝电解电容应该是使用最广泛的电解电容,最便宜,其基本结构如下图所示:

铝电解电容的制作工艺大致有如下几步:
首先,铝箔会通过电蚀刻(Etching)的方式,形成一个非常粗糙的表面,这样增大了电极的表面积,可以增大电容量;
再通过化学方法将阳极氧化,形成一个氧化层,作为介质;
然后,在阳极铝箔和阴极铝箔之间加一层电解纸作为隔离,压合绕制;
最后,加注电解液,电解纸会吸收电解液,封装成型。
使用电解液的湿式铝电解电容应用最广;优点就是电容量大、额定电压高、便宜;缺点也很明显,就是寿命较短、温度特性不好、ESR和ESL较大。对于硬件开发来说,需要避免过设计,在满足性能要求的情况下,便宜就是最大的优势。
下图是基美(Kemet)的铝电解电容产品,大致可以看出铝电解电容的特点。

原图截图于KEMET网站
铝电解电容也有使用二氧化锰、导电高分子聚合物等固态材料做电解质;聚合物铝电解电容的结构大致如下图所示:

原图出自Polymer Aluminum Electrolytic Capacitors - Mur
聚合物铝电解电容的ESR较小,容值更稳定,瞬态响应好;由于是固态,抗冲击振动能力比湿式的要好;可以做出较小的SMD封装。当然,湿式的铝电解电容也可以做SMD封装,不过大都是长这样:

图片来源于百度图片
而聚合物铝电解电容的封装长这样:

图片来自Murata网站
引申阅读:
· Polymer Capacitor Basics (Part 1): What Is a Polymer Capacitor?
· Polymer Capacitor Basics (Part 2): What Is a Polymer Capacitor?
钽电解电容(Tantalum electrolytic capacitors)
钽(拼音tǎn)电解电容应用最多的应该是利用二氧化锰做固态电解质,主要长这样:

图片出自Solid Tantalum MnO2 Capacitors
固态钽电解电容内部结构大致如下图所示:

钽电容与铝电解电容比,在于钽氧化物(五氧化二钽)的介电常数比铝氧化物(三氧化二铝)的高不少,这样相同的体积,钽电容容量要比铝电解电容的要大。钽电容寿命较长,电性能更加稳定。
钽电容也有利用导电高分子聚合物(Conductive Polymer)做电解质,结构与上图二氧化锰钽电容类似,就是将二氧化锰换成导电聚合物;导电聚合物的电导率比二氧化锰高,这样ESR就会更低。
另外还有湿式的钽电容,特点就是超大容量、高耐压、低直流漏电流,主要用于军事和航天领域。湿式的钽电容主要长这样:

截图于Vishay技术文档
引申阅读:
· Guide for Tantalum Solid Electrolyte Chip Capacitors with Polymer Cathode
· Wet Electrolyte Tantalum Capacitors
铌电解电容(Niobium electrolytic capacitors)
铌电解电容与钽电解电容类似,就是铌及其氧化物代替钽;铌氧化物(五氧化二铌)的介电常数比钽氧化物(五氧化二钽)更高;铌电容的性能更加稳定,可靠性更高。
AVX有铌电容系列产品,二氧化锰钽电容外观是黄色,而铌电容外观是橙红色,大致长这样:

图片出自AVX网站
引申阅读:
· Tantalum Polymer and Niobium OxideCapacitors
· OxiCap® - niobium oxide capacitor
电解电容对比表,数据来源于维基百科,仅供参考。

引申阅读:
· Electrolytic capacitor
2.3 陶瓷电容(Ceramic Ca pacitor)
陶瓷电容是以陶瓷材料作为介质材料,陶瓷材料有很多种,介电常数、稳定性都有不同,适用于不同的场合。
陶瓷电容,主要有以下几种:
瓷片电容(Ceramic Disc Capacitor)
瓷片电容的主要优点就是可以耐高压,通常用作安规电容,可以耐250V沟通电压。其外观和结构如下图所示:

原图出自本小节两篇引申阅读
引申阅读:
· Capacitors | DE1 series lineup
· Ceramic Capacitor
多层陶瓷电容(Multi-layer Ceramic Capacitor)
多层陶瓷电容,也就是MLCC,片状(Chip)的多层陶瓷电容是目前世界上使用量最大的电容类型,其标准化封装,尺寸小,适用于自动化高密度贴片生产。

作者,也就是我自己设计的主板,自己拍的照片,加了艺术效果;没有标引用和出处的图片和内容,绝大多数都是我自己画或弄出来的,剩下一点点可能疏忽忘加了;标引用的图片,很多都是我重新加工的,例如翻译或几张图拼在一起等等,工具很土EXCEL+截图。
多层陶瓷电容的内部结构如下图所示:

多层陶瓷电容生产流程如下图所示:

由于多层陶瓷需要烧结瓷化,形成一体化结构,所以引线(Lead)封装的多层陶瓷电容,也叫独石(Monolithic)电容。
在谈谈电感 中也介绍过多层陶瓷工艺和Thin Film工艺。Thin Film技术在性能或工艺控制方面都比较先进,可以精确的控制器件的电性能和物理性能。因此,Thin Film电容性能比较好,最小容值可以做到0.05pF,而容差可以做到0.01pF;比通常MLCC要好很多,像Murata的GJM系列,最小容值是0.1pF,容差通常都是0.05pF;因此,Thin Film电容可以用于要求比较高的RF领域,AVX有Accu-P®系列。
引申阅读
· Thin Film Capacitor - AVX
· Ceramic capacitor
· BME and PME Ceramic’s Hidden Property - KEMET
陶瓷介质的分类
根据EIA-198-1F-2002,陶瓷介质主要分为四类:
Class I:具有温度补偿特性的陶瓷介质,其介电常数大都较低,不超过200。通常都是顺电性介质(Paraelectric),温度、频率以及偏置电压下,介电常数比较稳定,变化较小。损耗也很低,耗散因数小于0.01。

截图自Materials Development for Commercial Multilayer
性质最稳定,应用最多的是C0G电容,也就是NP0。NP0是IEC/EN 60384-1标准中规定的代号,即Negative Positive Zero,也就是用N和P来表示正负偏差。
由于介电常数低,C0G电容的容值较小,最大可以做到0.1uF,0402封装通常最大只有1000pF。
Class II,III:其中,温度特性A-S属于Class II,介电常数几千左右。温度特性T-V属于Class III,介电常数最高可以到20000,可以看出Class III的性能更加不稳定。根据IEC的分类,Class II和III都属于第二类,高介电常数介质。像X5R和X7R都是Class II电容,在电源去耦中应用较多,而Y5V属于Class III电容,性能不太稳定,个人觉得现在应用不多了。

截图自Materials Development for Commercial Multilayer
由于Class II和III电容的容值最高可以做到几百uF,但由于高介电常数介质,大都是铁电性介质(Ferroelectric),温度稳定性差。此外,铁电性介质,在直流偏置电压下介电常数会下降。
在谈谈电感一文中,介绍了铁磁性介质存在磁滞现象,当内部磁场超过一定值时,会发生磁饱和现象,导致磁导率下降;同样的,对于铁电性介质存在电滞现象,当内部电场超过一定值时,会发生电饱和现象,导致介电常数下降。
因此,当Class II和III电容的直流偏置电压超过一定值时,电容会明显下降,如下图所示:

图片来源GRM188R60J226MEA0 - Murata
Class IV:制作工艺和通常的陶瓷材料不一样,内部陶瓷颗粒都是外面一层很薄的氧化层,而核心是导体。这种类型的电容容量很大,但击穿电压很小。由于此类电容的性能不稳定,损耗高,现在已经基本被淘汰了。
引申阅读:
· ECA-EIA-198-1-F-2002
· Materials Development for Commercial Multilayer Ceramic Capacitors
· Hysteresis in Piezoelectric and Ferroelectric Materials
电容类型总结表

原图出自维基百科
还有一类超级电容,就是容量特别大,可以替代电池作为供电设备,也可以和电池配合使用。超级电容充电速度快,可以完全地充放电,而且可以充到任何想要的电压,只要不超过额定电压。现在应用也比较多,国内很多城市都有超级电容电动公交车;还有些电子产品上也有应用,例如一些行车记录仪上,可以持续供电几天。
引申阅读:
· What Is a Supercapacitor (EDLC)?
· Murata Supercapacitor Technical Note
· Capacitor types
· Comparison of Multilayer Ceramic and Tantalum Capacitors
三、电容的应用与选型
器件选型,其实就是从器件的尺寸书上提取相关的信息,判断是否满足产品的设计和应用的要求。
3.1 概述
电容作为一个储能元件,可以储存能量。外部电源断开后,电容也可能带电。因此,安全提示十分必要。有些电子设备内部会贴个高压危险,小时候拆过家里的黑白电视机,拆开后看到显像管上贴了个高压危险,那时就有个疑问,没插电源也会有高压吗?工作后,拆过几个电源适配器,被电的回味无穷……

回归正题,电容储能可以做如下应用: 储存能量就可以当电源,例如超级电容;
存储数据,应用非常广。动态易失性存储器(DRAM)就是利用集成的电容阵列存储数据,电容充满电就是1,放完电就是0。各种手机、电脑、服务器中内存的使用量非常大,因此,内存行业都可以作为信息产业的风向标了。
此外,电容还可以用作:
定时:电容充放电需要时间,可以用做定时器;还可以做延时电路,最常见的就是上电延时复位;一些定时芯片如NE556,可以产生三角波。
谐振源:与电感一起组成LC谐振电路,产生固定频率的信号。
利用电容通高频、阻低频、隔直流的特性,电容还可以用作:
电源去耦
电源去耦应该是电容最广泛的应用,各种CPU、SOC、ASIC的周围、背面放置了大量的电容,目的就是保持供电电压的稳定。
首先,在DCDC电路中,需要选择合适的输入电容和输出电容来降低电压纹波。需要计算出相关参数。

此外,像IC工作时,不同时刻需要的工作电流是不一样的,因此,也需要大量的去耦电容,来保证工作电压得稳定。
耦合隔直
设计电路时,有些情况下,只希望传递沟通信号,不希望传递直流信号,这时候可以使用串联电容来耦合信号。
例如多级放大器,为了防止直流偏置相互影响,静态工作点计算复杂,通常级间使用电容耦合,这样每一级静态工作点可以独立分析。
例如PCIE、SATA这样的高速串行信号,通常也使用电容进行沟通耦合。
旁路滤波
旁路,顾名思义就是将不需要的沟通信号导入大地。滤波其实也是一个意思。在微波射频电路中,各种滤波器的设计都需要使用电容。此外,像EMC设计,对于接口处的LED灯,都会在信号线上加一颗滤波电容,这样可以提高ESD测试时的可靠性。
3.2 铝电解电容
3.2.1 铝电解电容(湿式)
铝电解电容(湿式)无论是插件还是贴片封装,高度都比较高,而且ESR都较高,不适合于放置于IC附近做电源去耦,通常都是用于电源电路的输入和输出电容。

原图来自KEMET尺寸书
容值
从尺寸书中获取电容值容差,通常铝电解电容的容差都是±20%。计算最大容值和最小容值时,各项参数要满足设计要求。
额定电压
铝电解电容通常只适用于直流场合,设计工作电压至少要低于额定电压的80%。对于有浪涌防护的电路,其额定浪涌电压要高于防护器件(通常是TVS)的残压。
例如,对于一些POE供电的设备,根据802.3at标准,工作电压最高可达57V,那么选择的TVS钳位电压有90多V,那么至少选择额定电压100V的铝电解电容。此时,也只有铝电解电容能同时满足大容量的要求。

原图来自Littelfuse的TVS尺寸书
耗散因数
设计DCDC电路时,输出电容的ESR影响输出电压纹波,因此需要知道铝电解电容的ESR,但大多数铝电解电容的尺寸书只给出了耗散因数tanδ。可以根据以下公式来计算ESR:
ESR = tanδ/(2πfC)
例如,120Hz时,tanδ为16%,而C为220uF,则ESR约为965mΩ。可见铝电解电容的ESR非常大,这会导致输出电压纹波很大。因此,使用铝电解电容时,需要配合使用片状陶瓷电容,靠近DCDC芯片放置。
随着开关频率和温度的升高,ESR会下降。
额定纹波电流
电容的纹波电流,要满足DCDC设计的输入和输出电容的RMS电流的需求。铝电解电容的额定纹波电流需要根据开关频率来修正。

寿命
铝电解电容的寿命比较短,选型需要关注。而寿命是和工作温度直接相关的,尺寸书通常给出产品最高温度时的寿命,例如105℃时,寿命为2000小时。
根据经验规律,工作温度每下降10℃,寿命乘以2。如果产品的设计使用寿命为3年,也就是26280小时。则10*log2(26280/2000)=37.3℃,那么设计工作温度不能超过65℃。
3.2.2 聚合物铝电解电容
像Intel的CPU这样的大功耗器件,一颗芯片80多瓦的功耗,核电流几十到上百安,同时主频很高,高频成分多。这时对去耦电容的要求就很高:
· 电容值要大,满足大电流要求;
· 额定RMS电流要大,满足大电流要求;
· ESR要小,满足高频去耦要求;
· 容值稳定性要好;
· 表面帖装,高度不能太高,因为通常放置在CPU背面的BOTTOM层,以达到最好的去耦效果。
这时,选择聚合物铝电解电容最为合适。
此外,对于音频电路,通常需要用到耦合、去耦电容,由于音频的频率很低,所以需要用大电容,此时聚合物铝电解电容也很合适。
3.3 钽电容
根据前文相关资料的来源,可以发现,钽电容的主要厂商就是Kemet、AVX、Vishay。
钽属于比较稀有的金属,因此,钽电容会比其他类型的电容要贵一点。但是性能要比铝电解电容要好,ESR更小,损耗更小,去耦效果更好,漏电流小。下图是Kemet一款固态钽电容的参数表:

截图自Kemet尺寸书
额定电压
固态钽电容的工作电压需要降额设计。正常情况工作电压要低于额定电压的50%;高温环境或负载阻抗较低时,工作电压要低于额定电压的30%。具体降额要求应严格按照尺寸书要求。
此外,还需要关注钽电容的承受反向电压的情况,沟通成分过大,可能会导致钽电容承受反向电压,导致钽电容失效。
固态钽电容的主要失效模式是短路失效,会直接导致电路无法工作,甚至起火等风险。因此,需要额外关注可靠性设计,降低失效率。
对于一旦失效,就会造成重大事故的产品,建议不要使用固态钽电容。
额定纹波电流
纹波电流流过钽电容,由于ESR存在会导致钽电容温升,加上环境温度,不要超过钽电容的额定温度以及相关降额设计。
3.4 片状多层陶瓷电容
片状多层陶瓷电容应该是出货量最大的电容,制造商也比较多,像三大日系TDK、muRata、Taiyo Yuden,美系像KEMET、AVX(已经被日本京瓷收购了)。
三大日系做的比较好的就是有相应的选型软件,有电感、电容等所有系列的产品及相关参数曲线,非常全,不得不再次推荐一下:
· SEAT 2013 - TDK
· Simsurfing - Murata
· Taiyo Yuden Components Selection Guide & Data Library
3.4.1 Class I电容
Class I电容应用最多的是C0G电容,性能稳定,适用于谐振、匹配、滤波等高频电路。
C0G电容的容值十分稳定,基本不随外界条件(频率除外)变化,下图是Murata一款1000pF电容的直流、沟通及温度特性。

图片来自GRM1555C1H102JA01 - Murata
因此,通常只需要关注C0G电容的频率特性。下图是Murata的3款相同封装(0402inch)相同容差(5%)的10pF电容的频率特性对比。

图片来自SimSurfing - Web - Murata
其中GRM是普通系列,GJM是高Q值系列、GQM是高频系列,可见GQM系列高频性能更好,自谐振频率和Q值更高,一些高频性能要求很高的场合,可以选用容差1%的产品。而GRM系列比较便宜,更加通用,例如EMC滤波。
3.4.2 Class II和Class III电容
Class II和Class III电容都是高介电常数介质,性能不稳定,容值变化范围大,通常用作电源去耦或者信号旁路。
以Murata一款22uF、6.3V、X5R电容为例,相关特性曲线:


图片来自GRM188R60J226MEA0 - Murata
容值
Class II和Class III电容,容值随温度、DC偏置以及AC偏置变化范围较大。特别是用作电源去耦时,电容都有一定的直流偏置,电容量比标称值小很多,所以要关注实际容值是否满足设计要求。
纹波电流
作为DCDC的输入和输出电容,都会有一定的纹波电流,由于ESR的存在会导致一定的温升。加上环境温度,不能超过电容的额定温度,例如X5R电容最高额度温度是85℃。
通常由于多层陶瓷电容ESR较小,能承受的纹波电流较大。
自谐振频率
电容由于ESL的存在,都有一个自谐振频率。大容量的电容,自谐振频率较低,只有1-2MHz。所以,为了提高电源的高频效应,大量小容值的去耦电容是必须的。此外,对于开关频率很高的DCDC芯片,要关注输入输出电容的自谐振频率。
ESR
设计DCDC电路,需要知道输出电容的ESR,来计算输出电压纹波。多层陶瓷电容的ESR通常较低,大约几到几十毫欧。
3.5 安规电容
对于我们家用的电子设备,最终都是220V沟通市电供电。电源适配器为了减少对电网的干扰,通过相关EMC测试,都会加各种滤波电容。下图为一个简易的电路示意图:

对于L和N之间的电容叫X电容,L、N与PE或GND之间的电容叫Y电容。由于220V沟通电具有危险性,会威胁人的人身安全,电子产品都需要满足相关安规标准,例如GB4943和UL60950的相关测试要求。因此,X 电容和Y电容与这些测试直接相关,所以也叫安规电容。
以抗电强度测试为例,根据标准,L、N侧为一次电路,需要与PE或GND之间为基本绝缘。因此,需要在L或N对GND之间加沟通1.5kV或者直流2.12kV的耐压测试,持续近1分钟,期间相关漏电流不能超过标准规定值。因此,安规电容,有相当高的耐压要求,同时直流漏电流不能太大。
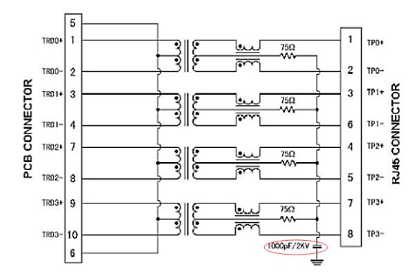
此外,常用的RJ45网口,为了减小EMI,常用到Bob-Smith电路,如下图所示:

可以看到电容的耐压都是2kV以上,因为网口通常有变压器,220V沟通电的L和N到网线有两个变压器隔离,是双重绝缘,L和N到网线之间也要进行抗电强度测试。双重绝缘,通常要求通过沟通3kV或直流4.24kV测试。
因为,安规电容有高耐压要求,通常使用瓷片电容或者小型薄膜电容。
此外,器件选型还要主要两点要求:和结构确认器件的长宽高;对插件封装器件不多时,是不是可以全部使用表贴器件,这样可以省掉波峰焊的工序。
结语
本文大致介绍了几类主要的电容的工艺结构,以及应用选型。水平有限,难免疏漏,欢迎指出。同时仅熟悉信息技术设备,对电力电子、军工等其他行业不了解,所以还有一些其他的电容相关应用无法介绍。
本文作者:王一一
本文由王一一授权创易栈发布,转载请联系创易栈
创易栈原文链接:(http://www.emakerzone.com/test_comment_info/229)
创易栈,半导体圈的知识共享平台!电子工程师的移动分享社区!快来关注我们吧