压铸件机加工自动化解决方案 (压铸机工艺流程步骤)

老铁们大家下午好,我是叶子,今天给大家分享压铸件机加工工艺流程制作,希望对正在学习的小伙伴们带来帮助!学习过程中难免会碰到挫折,希望大家不要灰心,全力以赴,加油吧!另外需要更多UG编程资料的朋友,可以关注私信“UG"或者 ”UG教程 “免费领取

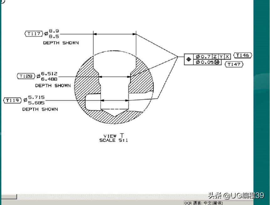
压铸机制造过程视频,压铸机制造工艺流程

压铸机制造过程视频,压铸机制造工艺流程

压铸机制造过程视频,压铸机制造工艺流程

压铸机制造过程视频,压铸机制造工艺流程

压铸机制造过程视频,压铸机制造工艺流程

压铸机制造过程视频,压铸机制造工艺流程

压铸机制造过程视频,压铸机制造工艺流程

压铸机制造过程视频,压铸机制造工艺流程

压铸机制造过程视频,压铸机制造工艺流程

压铸机制造过程视频,压铸机制造工艺流程

压铸机制造过程视频,压铸机制造工艺流程

压铸机制造过程视频,压铸机制造工艺流程

压铸机制造过程视频,压铸机制造工艺流程