本文分享高压电气知识,并对对每个二次回路图进行讲解,值得每位电气从业人员阅读和分享。
直流母线电压监视装置电路图
直流母线电压监视装置主要是反映直流电源电压的高低。KV1是低电压监视继电器,正常电压KV1励磁,其常闭触点断开,当电压降低到整定值时, KV1失磁,其常闭触点闭合, HP1光字牌亮,发出音响信号。KV2是过电压继电器,正常电压时KV2失磁,其常开触点在断开位置,当电压过高超过整定值时KV2励磁,其常开触点闭合, HP2光字牌亮,发出音响信号。

图1 直流母线电压监视装置电路图
直流绝缘监视装置接线图
图2是常用的绝缘监察装置接线图,正常时,电压表1PV开路,而使ST1的触点5-7、9-11( ST1的1-3、2-4断开)与ST2的触点9-11接通,投入接地继电器KA。当正极或负极绝缘下降到一定值时,电桥不平衡使KA动作,经KM而发出信号(若正、负极对地的绝缘电阻相等时,不管绝缘下降多少,KA不可能动作,就不能发出信号,这是其缺点)。此时,可用2PV进行检查,确定是哪一极的绝缘下降(测“+”对地时,ST2的2-1、6-5接通;测“-”对地时,ST2的1-4、5-8接通。正常时,母线电压表转换开关ST2的2-1、5-8、9-11接通,电压表2PV可测正、负母线间电压,指示为220V),若正极对地绝缘下降,则投ST1 I档,其触点1-3、13-14接通,调节R3至电桥平衡电压表1PV指示为零伏;再将ST1投至II档,此时其触点2-4、14-15接通,即可从1PV上读出直流系统的对地总绝缘电阻值。若为负极对地绝缘下降,则先将ST1放在II档,调节3R至电桥平衡,再将ST1投至I档,读出直流系统的对地总绝缘电阻值。假如正极发生接地,则正极对地电压等于零。而负极对地指示为220V,反之当负极发生接地时,情况与之相反。电压表1PV用作测量直流系统的总绝缘电阻,盘面上画有电阻刻度。
由于在这种绝缘监察装置中有一个人工接地点,为防其它继电器误动,要求电流继电器KA有足够大的电阻值,一般选30kΩ,而其启动电流为1.4mA,当任一极绝缘电阻下降到20 kΩ时,即能发出信号。对地绝缘下降和发生接地是两种情况。

图2 直流绝缘监视装置接线图
直流接地危害图
直流系统在变电站中具有重要的位置。要保证一个变电站长期安全运行,其因素是多方面的,其中直流系统的绝缘问题是不容忽视的。变电站的直流系统比较复杂,通过电缆沟与室外配电装置的端子排、端子箱、操作机构箱等相连接,因电缆破损、绝缘老化、受潮等原因发生接地的可能性较多,发生一极接地时,由于没有短路电流,熔断器不会熔断,仍可继续运行,但也必须及时发现、及时消除。通常,要求直流系统的各种小母线、端子回路、二次电缆对地的绝缘电阻值,用500V摇表测量其值不得小于0.5MΩ。直流回路绝缘的好坏必须经常地进行监视。否则,会给运行带来许多不安全因素。
现以图3为例说明直流接地的危害。当图中A点与C点同时有接地出现时,等于+WC、-WC通过大地形成短路回路,可能会使熔断器FU1和FU2熔断而失去保护电源;当B点与C点同时有接地出现时,等于将跳闸线圈短路,即使保护正常动作,YT跳闸线圈短路,即使保护正常动作,YT跳闸线圈也不会起动,断路器就不会跳闸,因此在有故障的情况下就要越级跳闸;当A点与B点或A点与D点,同时接地时,就会使保护误动作而造成断路器跳闸。直流接地的危害不仅仅是以上所谈的几点,还有许多,在此不一一作介绍了。
因为发生直流接地将产生许多害处,所以对直流系统专门设计一套监视其绝缘状况的装置,让它及时地将直流系统的故障提示给值班人员,以便迅速检查处理。

图3 直流接地示意图
具有灯光监视的断路器控制回路图
图4中:+WC、-WC为控制母线;FU1、FU2为熔断器,R1-10/6型,250V;SA为控制开关,LW2-1a.4.6a.40.20.20/F8型;HG为绿色信号灯具,XD2型,附2500Ω电阻;HR为红色信号灯具,XD2型,附2500Ω电阻;KL为中间继电器,DZB-115/220V型;KMC为接触器; KOM为保护出口继电器;QF为断路器辅助开关;WCL为合闸小母线;WSA为事故跳闸小母线;WS为信号小母线;YT为断路器跳闸线圈;YC为断路器合闸线圈;FU1、FU2为熔断器,RM10-60/25 250V;R1为附加电阻,ZG11-25型,1Ω;R2为附加电阻,ZG11-25型,1000Ω;(+)WTW为闪光小母线。
“跳闸后”位置
当SA的手柄在“跳闸后”位置,断路器在跳闸位置时,其常闭触点闭合,+WC经FU1→ SA11-10 → HG及附加电阻 → QF(常闭)→KM线圈 → FU2 → -WC。此时,绿色信号灯回路接通,绿灯亮,它表示断路器正处于跳闸后位置,同时表示电源、熔断器、辅助触点及合闸回路完好,可以进行合闸操作。但KMC不会动作,因电压主要降在HG及附加电阻上。
“预备合闸”位置
当SA的手柄顺时针方向旋转90º至“预备合闸”位置,SA9-10接通,绿灯HG回路由(+)WTW → SA9-10 → HG → QF(常闭)→ KMC → FU2 → -WC导通,绿灯闪光,发出预备合闸信号,但KMC仍不会启动,因回路中串有HG和R。
“合闸”位置
当SA的手柄再顺时针方向旋转45º至“合闸”位置时,SA5-8触点接通,接触器KMC回路由+WC → SA5-8 → KL2(常闭)→ QF(常闭)→ KMC线圈 → -WC导通而启动,闭合其在合闸线圈回路中的触点,使断路器合闸。断路器合闸后,QF常闭触点打开、常开触点闭合。
“合闸后”位置
松手后,SA的手柄自动反时针方向转动45º,复归至垂直(即“合闸后”)位置,SA16-13触点接通。此时,红灯HR回路由FU1 → SA16-13 → HR → KL线圈 → QF(常开) → YT线圈 → FU2 → -WC导通,红灯亮,指示断路器处于合闸位置,同时表示跳闸回路完好,可以进行跳闸。
“预备跳闸”位置
SA手柄在“预备跳闸”位置时,SA13-14导通,经(+)WTW → HR → KL → QF常开触点 → YT → -WC回路,红灯闪光,发出预备合闸信号。
“跳闸”位置
将SA手柄反时针方向转45º至“跳闸”位置,SA6-7导通,HR及R被短接,经+WC → SA6-7 KL → QF常开触点→ -WC,使YT励磁,断路器跳闸。断路器跳闸后,其常开触点断开,常闭触点闭合,绿灯亮,指示断路器已跳闸完毕,放开手柄后,SA复位至“跳闸后”位置。
当断路器手动或自动重合在故障线路上时,保护装置将动作跳闸,此时如果运行人员仍将控制开关放在“合闸”位置(SA5-8触点接通),或自动装置触点KM1未复归,断路器SA5-8将再合闸。因为线路有故障,保护又动作跳闸,从而出现多次“跳—合”现象。此种现象称为“跳跃”。断路器若发生跳跃不仅会引起断路器毁坏,而且还将扩大事故,所谓“防跳”措施,就是利用操作机构本身机械上具有的“防跳”闭锁装置或控制回路中所具有的电气“防跳”接线,来防止断路器发生“防跳”的措施。
图4中所示控制回路采取了电气“防跳”接线。其KL为跳跃闭锁继电器,它有两个线圈,一个电流启动线圈,串于跳闸回路中;另一个电压保护线圈,经过自身常开触点KL1与合闸接触器线圈并联。此外在合闸回路中还串有常闭触点KL2,其工作原理如下:
当利用控制开关(SA)或自动装置(KM1)进行合闸时,若合在故障线上,保护将动作,KOM触点闭合,使断路器跳闸。跳闸回路接通的同时,KL电流线圈带电,KL动作,其常闭触点KL2断开合闸回路,常开触点KL1接通KL的电压自保持线圈。此时,若合闸脉冲未解除(如SA未复归或KM1卡住等),则KL电压自保持线圈通过触点SA5-8或KM1的触点实现自保持,使KL2长期打开,可靠地断开合闸回路,使断路器不能再次合闸。只有当合闸脉冲解除(即KM1断开或SA5-8切断),KL的电压自保持线圈断电后,回路才能恢复至正常状态。
图4中KL3的作用是用来保护出口继电器触点KOM的,防止KOM先于QF打开而被烧坏。电阻R1的作用是保证保护出口回路中当有串接的信号继电器时,信号继电器能可靠动作。

图4 具有灯光监视的断路器控制回路图(电磁操作机构)
液压操作机构的断路器控制、信号回路图
液压机构的工作压力,各厂家有一定差异,以北京开关厂出品CY3型为例,在20℃时,额定贮气筒压力为11.7±0.98MPa,额定压力17.65MPa,当温度变化1℃时,预充压力变化0.045MPa。
图5中,当液压低于14.72MPa,合闸回路中的压力触点SP4断开,不允许合闸;当液压低于13.73MPa,跳闸回路中的压力触点SP5断开,不允许跳闸,如电网运行允许,也可用这个触点启动中间继电器后,作用于跳闸。
当压力低于15.72MPa,3SP3触点闭合,发出油压降低信号;当液压低于16.72MPa时,触点SP1、SP2闭合,启动油泵*压打**,当油压上升到18.63 MPa时,SP1、SP2均断开,油泵停止*压打**。当压力低于9.8MPa或高于24.5MPa时,由压力表的触点PP1、PP2启动KM3发出压力异常信号,还可以利用KM3常闭触点闭锁油泵电动机启动接触器的启动回路(图中未示出),防止当油压降到零时,启动油泵可能造成断路器的慢分事故。


图5 具有液压操作机构的断路器控制、信号回路图
弹簧贮能操作机构的断路器控制、信号回路图
图6为SW4-110型断路器配弹簧操作机构的断路器控制、信号回路,在其合闸线圈中串有弹簧已贮能闭锁触点SQS1只有弹簧贮能后,才能合闸;当设有自动重合闸,如重合于永久性故障时,弹簧来不及贮能(需9S),故不能第二次重合。为可靠起见,仍加了“防跳”回路。
当KAC由跳闸位置继电器的KQT启动时,KQT线圈的一端应接至SQS与QF之间。如按以往接线,接于SQS之前,当KAC动作,重合于永久性故障后,此时弹簧贮能释放,SQS打开,KQT失电,断开KAC的启动回路,重合闸继电器中的电容又重新充电足够时,待弹簧重新贮能后,SQS闭合,KQT线圈带电,KAC启动,又进行一次重合闸。此种情况,如不及时断开控制开关,还会反复进行多次。

图6 弹簧贮能操作机构的断路器控制、信号回路图
由两个中间继电器构成的闪光装置接线图
由两个中间继电器构成的闪光装置的原理接线见图7图所示。当某一断路器的位置与其控制开关不对应时,闪光母线(+)WTW经“不对应”回路,信号灯(HR或HG)及操作线圈(YT或YC)与负电源接通,KM1启动,KM1常开触点闭合,KM2相继启动,其常开触点将KM1线圈短接,并使闪光母线直接与正常电源沟通,信号灯(HR或HG)全亮;当KM1触点延时断开后,KM2失磁,其常开触点断开,常闭触点闭合,KM1再次启动,闪光母线(+)WTW经KM1线圈与正电源接通,“不对应”回路中的信号灯呈半亮,重复上述过程,便发出连续的闪光信号。KM1及KM2带延时复位,是为了使闪光变得更加明显。
图7中,试验按钮SE的信号灯HW用于模拟试验。当揿下SE时,闪光母线(+)WTW经信号灯HW与负电源接通,于是闪光装置便按上述顺序动作,使试验灯HW发出闪光信号。HW经按钮的常闭触点接在正、负电源之间,因而兼作闪光装置熔断器的监视灯。

图7 由两个中间继电器构成的闪光装置接线图
由闪光继电器构成的闪光装置接线图
图8中,由KM、R、C组成闪光继电器。按下按钮SE时,它相当于一个不对应回路,闪光母线与负电源接通,闪光继电器KTW的线圈回路接通 ,电容器C经附加电阻R和“不对应”回路中的信号灯充电,于是加在KM两端的电压不断升高,当达到其动作电压时,KM动作,其常开触点KM.2闭合,闪光母线(+)WTW与正电源直接接通,信号灯全亮。同时其常闭触点KM.1断开它的线圈回路,电容C 便放电,放电后,电容C 的端电压逐渐降低,待降至KM的返回电压时,KM复归,KM.2断开,KM.1闭合,闪光母线经KM、KM.1与正电源接通,信号灯呈半亮。重复上述过程,便发出连续闪光。

图8 由闪光继电器构成的闪光装置接线图
用ZC-23型冲击继电器构成的事故信号装置的回路图
常用中央复归能重复动作的事故信号装置。所谓中央复归能重复动作的事故信号,是指断路器自动跳闸后,为使值班人员不受音响信号长期干扰而影响事故处理,可以保留绿灯闪光信号而仅将音响信号立即解除。
图9中KSP1为ZC-23型冲击继电器,脉冲变流器T一次侧并联的二极管V和电容器C起抗干扰作用;二次侧并联的二极管V的作用是将T的一次侧电流突然减小而在二次侧感应的电流旁路,使干簧继电器KR不误动(因干簧继电器动作没有方向性)。其原理是当断路器事故分闸或按下试验按钮SE1时,脉冲变流器T一次绕组中有电流增量,二次绕组中感应电流起动KR,KR动作后起动中间继电器KM。KM有两对触点,一对触点闭合起动蜂鸣器HB,发出音响信号;另一对触点闭合起动时间继电器KT1,经一定延时后,KT1起动KM1,KM1动作后,使KM失磁返回,音响停止,整个事故信号回路恢复到原始状态。
准备第二台断路器跳闸时发出音响,不对应启动回路如图10。图9中常开触点KM2是由预告信号装置引来的(见图11),所以自动解除音响用的时间继电器KT1和中间继电器KM1为两套音响信号装置所共用。
为能试验事故音响装置的完好与否,另设有试验按钮SE1,按SE1时,即可启动KSP1,使装置发出音响并按上述程序复归至原始状态。按下手动复归按钮也可使音响信号解除。

图9 用ZC-23型冲击继电器构成的事故信号装置的回路图

图10 用ZC-23型冲击继电器构成的事故信号装置回路图
用ZC-23型冲击继电器构成的中央复归能重复动作瞬时预告信号装置的回路图
预告信号装置是当设备发生故障或某些不正常运行情况时能自动发出音响和光字牌灯光信号的装置。它可帮助运行人员及时地发现故障及隐患,以便采取适当措施加以处理,防止事故扩大。变电所常见的预告信号有:变压器轻瓦斯动作、变压器过负荷、变压器油温过高、电压互感器二次回路断线、直流回路绝缘降低、控制回路断线、事故音响信号回路熔断器熔断、直流电压过高或过低等。
预告信号一般发自各种监测运行参数的单独继电器,例如过负荷信号由过负荷保护继电器发出。
预告信号分瞬时预告信号和延时信号两种,对某些当电力系统中发生短路故障可能伴随发出的预告信号,例如:过负荷、电压互感器二次回路断线等,都应带延时发出,其延时应大于外部短路的最大切除时限。这样,在外部短路切除后,这些由系统短路所引起的异常就会自动消失,而不让它发出警报信号,以免分散运行人员的关注力。
目前,广泛采用的中央复归带重复动作的预告信号装置,其动作原理与事故音响信号装置相同,所不同的是只是用光字牌灯泡代替了事故音响信号装置不对应启动回路中的电阻R,并用警铃代替了蜂鸣器,图11所示为由ZC-23型冲击继电器构成的中央复归能重复动作瞬时预告信息装置接线图,其动作原理与图9相似,图中KM1由图15引来,用以自动解除音响,WSW1和WSW2为瞬时预告小母线。
当设备发生不正常情况时,例如控制回路断线,则KBC2动作,其常开触点闭合,通过回路+WS → KBC2常开触点 → HP2 → WSW1和WSW2 → ST13-14 → ST15-16 → KSP2 → -WS,使KSP2动作,触点KM2闭合,使警铃HA发出音响信号,同时光字牌HP2示出“控制回路断线”信号,按下解除按钮SCL,音响即可解除(也可经一定延时,自动解除),而光字牌信号直到故障消除,KBC2触点返回才会消失。由于采用了ZC-23型继电器,因而信号是可以重复动作的。为能经常检查光字牌灯泡的完好性,设有转换开关ST。处于“合”位时,ST触点1-2、3-4、5-6、7-8、9-10、11-12全接通,分别将信号电源+WS和-WS接至小母线WSW2和WSW1,使光字牌所有的灯泡亮。发预告信号时,两只灯泡是并联的,灯泡明亮,当其中一只灯泡损坏时,仍能保证发出信号。而试验光字牌时,两只灯泡则是串联的,因而灯光较暗,此时若一只灯泡损坏则该光字牌即不亮。
预告信号装置由单独的熔断器FU3、FU4供电,若FU3或FU4熔断则不能发出预告信号,所以对熔断器电源采用了灯光监视的方法。图E34为预告信号装置的熔断器监视灯接线图。正常运行时,熔断器监视继电器K2带电,其常开触点闭合,中央信号屏上的白色指示灯HW亮;当FU3熔断时,K2失电,其常闭触点闭合,HW被接至闪光小母线(+)WTW上发出闪光。

图11 用ZC-23型冲击继电器构成的中央复归能重复动作瞬时预告信号装置的回路图

图12 预告信号装置的熔断器监视灯接线图
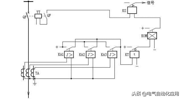
定时限过电流保护的原理接线图
如图13,当被保护线路发生故障时,短路电流经电流互感器TA流入KA1—KA3,短路电流大于电流继电器整定值时,电流继电器启动。因三只电流继电器触点并联,所以只要一只电流继电器触点闭合,便启动时间继电器KT,按预先整定的时限,其触点闭合,并启动出口中间继电器KOM。KOM动作后,接通跳闸回路,使QF断路器跳闸,同时使信号继电器动作发出动作信号。由于保护的动作时限与短路电流的大小无关,是固定的,固称为定时限过电流。

图13 定时限过电流保护的原理接线图
方向过电流保护的原理接线图
方向过流的保护原理接线如图14所示,电流继电器3、5是启动元件,功率方向继电器4、6是方向元件,采用90°接线(UbcIA及UabIc)。各相电流继电器的触点和对应功率方向继电器触点串联,以达到按相启动的作用。时间继电器7是使保护装置获得必要的动作时限,其触点闭合,经信号继电器8发出跳闸脉冲,使断路器QF跳闸。
方向过电流保护,由于加装了功率方向继电器,因此线路发生短路时,虽然电流继电器都可能动作,但只有流入功率方向继电器的电流与功率方向继电器规定的方向一致时(当规定指向线路时,即一次电流从母线流向线路时),功率方向继电器才动作,从而使断路器跳闸。而当流入功率方向继电器的电流与功率方向继电器规定的方向相反时(即一次电流从线路流向母线时),功率方向继电器不动作,将方向过电流保护闭锁,保证了方向过电流保护的选择性。
在正常运行时,负荷电流的方向也可能符合功率方向继电器的动作方向,其触点闭合,但此时电流继电器未动作,所以整套方向过电流保护仍被闭锁不动作。
方向过电流保护的动作时限,是将动作方向一致的保护,按逆向阶梯原则进行整定的。

图14 方向过电流保护的原理接线图
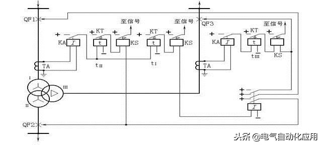
三段式电流保护接线图
线路三段式电流保护的原理接线图及展开图如图15所示。其中KA1、KA2、KS1构成第Ⅰ段瞬时电流速断;KA3、KA4、KT1、KS2构成第Ⅱ段限时电流速断;KA5、KA6、KT2、KS3构成第Ⅲ段定时限过电流。三段保护均作用于一个公共的出口中间继电器KOM,任何一段保护动作均启动KOM,使断路器跳闸,同时相应段的信号继电器动作掉牌,值班人员便可从其掉牌指示判断是哪套保护动作,进而对故障的大概范围作出判断。

图15a 三段式电流保护接线原理图

图15b 三段式电流保护接线展开图
三段式零序电流保护原理接线图
三段式零序电流保护的原理接线如图16,在被保护线路的三相上分别装设型号和变比完全相同的电流互感器,将它们的二次绕组互相并联,然后接至电流继电器的线圈。当正常运行和发生相间故障时,电网中没有零序电流,故IR=0,继电器不动作,只有发生接地故障时,才出现零序电流,如其值超过整定值,继电器就动作。
实际工作中,由于三只电流互感器的励磁特性不一致,当发生相间故障时,会造成较大的不平衡电流。为了使保护装置在这种情况下不误动作,通常将保护的动作电流按躲过最大不平衡电流来整定。
与相间短路的电流保护相同,零序电流保护也采用阶段式保护,通常采用三段式。目前的“四统一”保护屏则采用四段式。图16为三段式零序电流保护的原理接线图。瞬时零序电流速断(零序Ⅰ段有,由KA1、KM和KS7构成),一般取保护线路末端接地短路时,流过保护装置3倍最大零序电流3Iom的1.3倍,保护范围不小于线路全长的15%-25%。
零序Ⅱ段(由KA3、KT4和KS8构成)的整定电流,一般取下一级线路的零序Ⅰ段整定电流的1.2倍,时限0.5s,保证在本线末端单相接地时,可靠动作。
零序Ⅲ段(由KA5、KT6和KS9构成)的整定电流可取零序Ⅱ(或Ⅲ)段整定的1.2倍,或大于三相短路的最大不平衡电流,其灵敏性要求下一级末端故障时,能可靠动作。

图16 三段式零序电流保护原理接线图
方向横联差动保护的原理图
双回线横联差动保护装置是由电流启动元件和功率方向元件组成,图17a中,功率方向继电器KPD1和KPD2的电流线圈与电流继电器KA串联接于双回线的电流差上。功率方向继电器KPD1与KPD2加进同一电压(接母线电压互感器),但极性相反。在I1>I2(即同一回线上发生故障)时,左边的方向继电器KPD1的转矩为正,而右边的方向继电器KPD2的转矩为负;反之,在I2>I1 (即另一回线上发生故障)时,KPD2的转矩为正,KPD1的转矩为负。这样两回线路中任一回线路上发生故障时,电流继电器KA均启动保护装置,而两个功率方向继电器则用来判别故障线路。
正常及外部故障时,ⅰ1=ⅰ2、ⅰR =0 、保护不动作。
在线路L-1上K点故障时,ⅰ1>ⅰ2 ,所以ⅰR =ⅰ1-ⅰ2>ⅰs,电流继电器KA1启动,功率方向继电器KPD1触点闭合,KPD2触点不闭合,保护动作跳开断路器QF1。在线路受端,流入继电器的电流ⅰR =ⅰ1+ⅰ2 [见图17b],使电流继电器KA2、功率方向继电器KPD3动作,而KPD4不动作,从而使断路器QF3跳闸。同理在线路L-2上短路时,送端KA1、KPD2动作,受端KA2、KPD4动作,同时跳开断路器QF2、QF4。
为防止单回线运行时,横联差动保护在外部故障时误动作,保护的直流电源经双回线两个开关的常开辅助触点串联闭锁,只有当两个开关同时接入时,保护才作用。
方向横联差动保护的动作电流应大于穿越性故障时在差电流回路中引起的最大不平衡电流。

图17a 方向横联差动保护的原理图(一相的原理接线)

图17b 方向横联差动保护的原理图(线路内部故障的电流分布)
电流平衡保护原理图
电流平衡保护是横联差动保护的另一种形式,它是按比较双回线路中电流的绝对值而工作的,如图18所示。电流平衡继电器KBL1、KBL2各有一个工作线圈匝Nw,一个制动线圈匝NB和一个电压线圈匝Nv。KBL1的工作线圈接于线路L-1电流互感器的二次侧,由电流I1产生动作力矩Mw1,其制动线圈接于线路L-2电流互感器的二次侧,由电流I1产生动作力矩MB1。KBL2的工作线圈接于线路L-2电流互感器的二次侧,由I2产生动作力矩Mw2,其制动线圈接于线路L-1电流互感器的二次侧,由I1产生动作力矩MB2。KBL1、KBL2的电压线圈均接于母线电压互感器的二次侧。继电器的动作条件是Mw>MB+Mv(Mv为电压线圈中产生的力矩)。
正常运行及外部短路时,由于II=I2,KBL1、KBL2由于其反作用力矩Mv和继电器内弹簧反作用力矩Ms的作用,使触点保持在断开位置,保护不会动作。
当一回线路发生故障(如线路L-1的K点),由于II>I2,并由于电压大大降低,电压线圈的反作用力矩显著减少,因此KBL1中由II产生的动作力矩Mw1大于I2产生的制动力矩MB1与电压产生的制动力矩Mv之和,所以KBL1动作,切除故障线路L-1;对于KBL2,由于流过其制动线圈的电流II大于工作线圈流过电流I2,即制动力矩大于动作力矩,所以它不会动作。
必须指出,单端电源的双回线路上,平衡保护只能装于送电侧,受电侧不能装设。因为任一回线路短路,流过受电侧两个平衡继电器的工作线圈和制动线圈的电流大小是相等的,保护将不起作用。
由于双回平行线横联差动保护及平衡保护,在靠近对侧出口短路时,本侧两条线路流过的电流,其电流的横差值,不足以启动保护,只有等待对侧的保护动作,切除故障后,本侧的非故障线电流降为零,才由故障线电流启动本侧保护,切除故障线路。这种情况被称为相继动作。线路上相继动作区域大小与保护整定值及短路电流有关。
横联差动保护,其方向继电器接有母线电压,在平行线路出口三相短路时,电压为零,如方向继电器的电压回路没有良好的记忆作用,便会误动,称为电压死区。

图18 电流平衡保护原理图
变压器瓦斯保护原理接线图
变压器瓦斯保护的主要元件就是瓦斯继电器,它安装在油箱与油枕之间的连接管中。当变压器发生内部故障时,因油的膨胀和所产生的瓦斯气体沿连接管经瓦斯继电器向油枕中流动。若流动的速度达到一定值时,瓦斯继电器内部的挡板被冲动,并向一方倾斜,使瓦斯继电器的触点闭合,接通跳闸回路或发出信号,如图19所示:瓦斯继电器KG的上触点接至信号,为轻瓦斯保护;下触点为重瓦斯保护,经信号继电器KS、连接片XE起动出口中间继电器KOM,KOM的两对触点闭合后,分别使断路器QF1、QF2、跳闸线圈励磁。跳开变压器两侧断路器,即:
直流+ → KG → KS → XE → KOM → 直流-,起动KOM。
直流+ → KOM → QF1 → YT → 直流-,跳开断路器QF1。
直流+ → KOM → QF2 → YT → 直流-,跳开断路器QF2。
再有,连接片XE也可接至电阻R,使重瓦斯保护不投跳闸而只发信号。

图19 变压器瓦斯保护原理接线图
双绕组变压器纵差保护单线原理图
变压器纵差保护是按循环电流原理构成的,它能正确区分变压器内、外故障,并能瞬时切除保护区内的故障。图20表示双绕组变压器纵差保护的单线原理图。变压器两侧分别装设电流互感器TA1和TA2,并按图中所示极性关系进行连接。
正常运行或外部(如图20a中d1点)故障时,差动继电器KD中的电流等于两侧电流互感器二次电流之差,要使这种情况下流过差动继电器的电流为零,应恰当选择两侧电流互感器的变比。由于二次额定电流一般为5A,所以电流互感器的变比为:一次额定电流/二次额定电流,UN/5。轻忽变压器的励磁电流,则在正常运行或外部故障时,流入差动继电器的电流为零。
当变压器内部,如图20b中d2点故障时,流入差动继电器的电流为变压器两侧流向短路点的短路电流(二次值)之和。
实际上,由于变压器的励磁涌流、接线方式和电流互感器的误差等因素的影响,差动继电器中会流过不平衡电流,不平衡电流越大,继电器的动作电流越大,致使纵差保护的灵敏度降低。因此纵差保护需要解决的主要问题之一是采取各种措施避免不平衡电流的影响,在保证选择性的条件下,还要保证内部故障时有足够的灵敏性和速动性。

图20 双绕组变压器纵差保护单线原理图(正常运行或外部故障时)
复合电压启动的过电流保护原理图
图21中,当保护区内发生不对称故障,系统出现负序电压,负序过滤器13有电压输出使继电器7常闭触点打开,欠压继电器8失压,常闭触点闭合,接通中间继电器9,若电流继电器4、5、6任何一个动作,则启动时间继电器10,经过整定时限后,跳开两侧断路器。在对称短路情况下,电压继电器7不启动,但欠压继电器8因电压降低,常闭触点接通,保护启动。
负序电压整定值,可取额定电压的6%;电流整定值,可取大于变压器额定电流,但不必大于最大电流(例如并联运行的变压器断开一台时)。

图21 复合电压启动的过电流保护原理图
单电源三绕组过电流保护原理接线图
三绕组变压器外部故障时,其过电流保护应有选择性地断开故障侧断路器。而使其余两侧继续正常运行,为此,应按如下原则来实现过流保护。
1、对单侧电源三绕组变压器(如图11所示),应装设两套过电流保护。一套装于负荷侧,如绕组Ⅰ、Ⅱ、Ⅲ,其动作时限tⅢ最小,保护动作仅跳开QF3。另一套装在电源侧,如绕组Ⅰ,它设两级时限tⅠ和tⅡ,tⅡ= tⅢ+Δt,用以切除QF2;而tⅠ= tⅡ+Δt,用以切除高、中、低三侧断路器。
2、对两端或三端电源的变压器,三侧均应设过电流保护,并根据计算值在动作时限小的电源侧加装方向元件,以保证动作的选择性。

图22 单电源三绕组过电流保护原理接线图
变压器零序电流保护原理接线图
对大电流接地系统中的变压器装设的接地零序电流保护,作为变压器主保护的后备保护及相邻元件接地短路的后备保护。
如图所示:正常情况下,3Io=0,TA中没有电流通过,零序电流保护不动作发生接地短路时出现零序电流,当它大于保护的动作电流时,电流继电器KA动作,经KT延时后,跳开变压器两侧断路器。零序电流保护的动作电流,应大于该侧出线零序电流保护后备段的动作电流。保护的动作时限也要比后者大一个Δt。

图23 变压器零序电流保护原理接线图
变压器中性点直接接地零序电流保护和中性点间隙接地保护的原理接线图
目前大电流接地系统普遍采用分级绝缘的变压器,当变电站有两台及以上的分级绝缘的变压器并列运行时,通常只考虑一部分变压器中性点接地,而另一部分变压器的中性点则经间隙接地运行,以防止故障过程中所产生的过电压破坏变压器的绝缘。为保证接地点数目的稳定,当接地变压器退出运行时,应将经间隙接地的变压器转为接地运行。由此可见并列运行的分级绝缘的变压器同时存在接地和经间隙接地两种运行方式。为此应配置中性点直接接地零序电流保护和中性点间隙接地保护。这两种保护的原理接线如图24所示。
中性点直接接地零序电流保护:中性点直接接地零序电流保护一般分为两段,第一段由电流继电器1、时间继电器2、信号继电器3及压板4组成,其定值与出线的接地保护第一段相配合,0.5s切母联断路器。第二段由电流继电器5、时间继电器6、信号继电器7和8压板9和10等元件组成,。定值与出线接地保护的最后一段相配合,以短延时切除母联断路器及主变压器高压侧断路器,长延时切除主变压器三侧断路器。
中性点间隙接地保护:当变电站的母线或线路发生接地短路,若故障元件的保护拒动,则中性点接地变压器的零序电流保护动作将母联断路器断开,如故障点在中性点经间隙接地的变压器所在的系统中,此局部系统变成中性点不接地系统,此时中性点的电位将升至相电压,分级绝缘变压器的绝缘会遭到破坏,中性点间隙接地保护的任务就是在中性点电压升高至危及中性点绝缘之前,可靠地将变压器切除,以保证变压器的绝缘不受破坏。间隙接地保护包括零序电流保护和零序过电压保护,两种保护互为备用。
零序电流保护由电流继电器12、时间继电器13、信号继电器14和压板15组成。一次启动电流通常取100A左右,时间取0.5s。110kV变压器中性点放电间隙长度根据其绝缘可取115~158mm,击穿电压可取63kV(有效值)。当中性点电压超过击穿电压(还没有达到危及变压器中性点绝缘的电压)时,间隙击穿,中性点有零序电流通过,保护启动后,经0.5s延时切变压器三侧断路器。
零序电压保护由过电压继电器16、时间继电器17、信号继电器18及压板19组成,电压定植按躲过接地故障母线上出现的最高零序电压整定,110kV系统一般取150V;当接地点的选择有困难、接地故障母线3Uo电压较高时,也可整定为180V,动作时间取0.5s。

图24 变压器中性点直接接地零序电流保护和中性点间隙接地保护的原理接线图
三相一次自动重合闸装置原理接线图
架空线路的短路故障多为瞬时性的,当保护跳闸切除故障后,短路点的绝缘经常可恢复,便可利用自动重合闸继电器KAC,使断路器自动再合闸,即可恢复再送电,这种重合的成功率,多不低于70%。110kV线路,一般均应装设三相一次重合闸装置,三相一次重合闸装置的展开图如图25所示。
1、线路正常运行,开关处于合闸状态,QF3常闭触点断开,控制开关SA在合闸后位置,其触点21、23接通,信号灯HL亮,电容C经充电电阻R4充电,经15-25s时间,充电至额定的直流电压,这时KAC处于准备动作状态。
2、线路发生瞬间故障,保护动作使开关跳闸,其辅助常闭触点QF3闭合,由于SA还处于“合闸”位置,其触点21、23仍导通,所以重合闸由开关的辅助触点与SA触点不对应启动,时间继电器KT经本身的瞬时常闭触点KT2瞬时断开,使限流电阻R5串入KT线圈电路中,这时KT继续保持动作状态,经整定的延时,以保证线路故障点的绝缘恢复和开关准备再次合闸,当KT的常开触点KT1接通,构成了电容C对中间继电器KM电压线圈的放电回路。KM动作,其常开触点闭合,使操作电源经KM2、KM1触点、KM电流自保持线圈、信号继电器KS和压板XE1向合闸接触器KMC发出合闸脉冲,断路器合闸。同时由KS给出重合闸动作信号。断路器合上后,若是瞬时性故障,重合成功。辅助触点QF2、QF3断开,继电器KS、KT相继返回,其触点打开。电容C重新充电,经15~25s时间充好电,准备下一次动作。这说明装置是能够自动复归的。
3、断路器重合于永久性故障时,保护再次动作,使断路器跳闸,KAC重新启动,KT触点闭合,旁路了电容充电,中间继电器KM不会起动,保证了只重合一次。
4、手动跳闸时,控制开关SA处于“跳闸”后位置,此时SA触点21-23断开,KAC不启动;同时,2、4触点闭合,使电容C对R6放电,KM不能动作。因此,手动跳闸不重合。
5、手动合闸于线路故障,保护动作于跳闸,电容C来不及充电到KM动作所需要的电压,不会起动重合闸。
6、为防止KAC出口中间继电器KM触点KM2与KM1被卡住,而出现断路器多次重合于故障线路上(即“跳跃”),可采用“防跳”措施。
(1)采用两对常开触点KM1和KM2串联,若其中一对触点卡住,另一对能正常断开,不至发生断路器“跳跃”现象。
(2)在断路器跳闸线圈YT回路中,又串接了防跳继电器KL的电流线圈,当断路器事故跳闸时,KL动作。当KM两个串联的常开触点被粘住时,KL的电压线圈经自身的常开触点KL1而带电自保持,从而使其常闭触点KL2、KL3也保持断开,使合闸接触器KMC不会接通,达到了“防跳”的目的。
当线路低频减载及母线差动等保护装置动作后不需重合闸时,设重合闸闭锁回路。
双侧电源重合闸装置,还应防止两侧电源的非同期合闸。对于单回联络线,可在重合闸的“不对应”启动回路中,串入同期或无压检定继电器的触点,只有当线路跳闸后线路无压,或对侧与本侧在同期情况下,才能启动重合闸装置;若是双回平行联络线,可以用上述同期或无压检定,也可用平行另一回线有电流才允许启动重合闸的电流检定方式。
图26为重合闸后加速原理接线图,当重合在永久性故障时,加速继电器KACC旁路了KT的触点,可以使重合于故障后,瞬时跳闸。

图25 三相一次自动重合闸装置的展开图

图26 重合闸后加速原理接线图
自动按频率减负荷装置(LALF)原理接线图
不在检查位置时,ZK触点1-2、5-6、9-10接通,其他触点断开。此时1C和2C的正极分别接至+WC1和+WC2,各自作本回路跳闸电源。
旋ZK到检查I组电容器位置时,触点1-4、5-8、9-12接通,其他触点断开。此时2C正极同时接至+WC1和+WC2,作两回路的跳闸电源。
1C正极接至KT线圈右端,使KT线圈加上1C动作,经一定时间接通KV,若1C的电压足够,则KV启动,信号灯亮,证明电容器组满足要求。反之,责说明电容量降低或有断路存在,应逐一检查更换。
旋ZK到检查II组电容器位置时,触点3-2、7-6、10-11接通,其他触点断开。此时1C作两回路的跳闸电源,2C被检查。

图27 储能电容器组接线图
小电流接地系统沟通绝缘监视的原理接线图
沟通绝缘监视的工作原理为,TV是母线电压互感器(三相五柱或三个单相组),其一次中性点接地,正常时每相绕组对地电压为额定相电压,故二次星形每相绕组电压是100/√3V,开口三角形每相绕组电压是100/3V。
当一次系统中A相发生接地时,一次A相绕组电压降到零,其他两相绕组的电压升高到线电压。二次星形绕组的A相绕组电压降到零,其他两相绕组的电压升高到100V。
三个电压表中,A相电压表指示零、另两相指示线电压,由此得知一次系统A相接地。二次开口三角形的A相绕组电压降到零,其他两绕组的电压升高到100/3V,三角形开口两端电压升高到100V。加在电压继电器KV上的电压由正常时的零伏升高到100V,KV动作发出信号。

图28 小电流接地系统沟通绝缘监视的原理接线图变压器强油循环风冷却器工作和备用电源自动切换
如图29所示,变压器投入电网之前,先将SA开关手柄置于I工作II备用,或者II工作I备用位置。
当变压器投入电网时,1KM常闭触点接通;1KV1、2KV1带电,常开触点接通,起动1KV、2KV使常闭触点断开;假定SA开关手柄在I位,则SA1-2接通起动1KL接触器,1KL主触头闭合由工作电源(I)供电。2KL线圈回路被1KL常闭触点断开(闭锁了)。
当工作电源(I)由于某种原因停电,1KL线圈断电,1KL主触头断开工作电源(I),1KL常闭触点接通,1KV断电常闭触点接通,再经SA5-6触点动作2KL接触器,2KL主触头闭合由工作电源(II)供电。
假如工作电源(I)恢复供电时,1KV1动作起动,1KV动作,1KV常闭触点断开使2KL断电,2KL的主触头断开工作电源(II),2KL常闭触点起动1KL,1KL的主触头闭合由工作电源(I)供电。

图29 变压器强油循环风冷却器工作和备用电源自动切换回路接线图 变电站事故照明原理图
平时沟通接触器线圈1KL是接通的,正常时事故照明是由380/22V的沟通电源供电。
当沟通电源发生故障,任何一相失去电压时,电压继电器1KV、2KV、3KV之一失去励磁,该电压继电器的常开触点断开,常闭触点闭合,使沟通接触器1KL的衔铁线圈失磁,1KL主触头就断开,A、B、C三相母线与沟通电源脱离联系。当1KL断开后,其常闭触点1KL闭合,而1KV、2KV、3KV之一的常闭触点已闭合。
所以沟通接触器2KL的衔铁线圈励磁,2KL主触头就接通,其常开触点2KL闭合,使直流接触器3KL的衔铁线圈励磁,3KL主触头接通,事故照明被切换到直流电源上。
当三相沟通电源都恢复时,电压继电器1KV、2KV、3KV都被励磁,其三个常闭触点均断开,3KL的衔铁线圈失磁,3KL主触头断开,三相母线触点与直流电源脱离关系。此时3KL的常闭触点接通,由于1KV、2KV、3KV的三个常开触点已闭合,使1KL的衔铁线圈励磁,1KL主触头接通,事故照明恢复为三相沟通电源供电。

图30 变电站事故照明原理图 开关事故跳闸音响回路接线图
1、利用开关的一对常闭辅助触点QF,控制开关SA1-3、SA17-19两对触点和附加电阻串联组成。正常的开关辅助触点QF在断开位置,事故时开关跳闸辅助触点QF闭合,瞬时事故警报回路接通,发出跳闸警报信号。
2、利用开关合闸回路的跳闸位置继电器KTP的一对常开辅助触点,控制开关SA1-3、SA17-19两对触点和附加电阻R串联组成。正常运行跳闸位置继电器在失磁状态,其触点在断开位置,当事故跳闸后KTP常开触点闭合,瞬时接通事故跳闸音响回路,发出跳闸警报信号。

图31 开关事故跳闸音响回路接线图
10kV线路保护原理接线图
二次回路的原理图是体现二次回路工作原理的图纸,并且是绘制展开图和安装图的基础。在原理接线图中,与二次回路有关的一次设备和一次回路,是同二次设备和二次回路画在一起的。因此,所有的一次设备(例如变压器、断路器等)和二次设备(如继电器、仪表等),都以整体的形式在图纸中表示出来,例如相互连接的电流回路、电压回路、直流回路等都是综合在一起的。因此,这种接线图的特点是能够使看图者对整个二次回路的构成以及动作过程,都有一个明确的整体概念。现以某10kV线路的继电保护装置为例加以说明,见图32。
从图中可知,整套保护装置包括,时限速断保护,它由电流继电器1LJ、2LJ,时间继电器1SJ及信号继电器1XJ,连接片1LP所组成;过电流保护,它由电流继电器3LJ、4LJ,时间继电器2SJ,信号继电器2XJ,连接片2LP所组成。当线路发生A、B两相短路时,其动作过程如下:
若故障点在时限速断及过流保护的保护范围内,因A相装有电流互感器1LH,其二次反应出短路电流,使时限速断保护的电流继电器1LJ和过电流保护的电流继电器3LJ均起动。1LJ、3LJ的常开触点闭合,将直流正电源分别加在1SJ、2SJ的线圈上,使两个时间继电器均起动。又因时限速断保护的动作时间小于过电流保护的动作时间,所以1SJ的延时常开触点先闭合,并经信号继电器1XJ及连接片1LP到断路器DL的跳闸线圈,跳开断路器,切除故障。
从图32中可以看出,一次设备(如DL、1G等)和二次设备(如1LJ、1SJ、1XJ等)都以完整的图形符号表示出来,能使我们对整套继电保护装置的工作原理有一个整体概念。但是这种图存在着许多缺点:
1、只能表示出继电保护装置的主要元件,而对细节之处则无法表示。
2、不能反映继电器之间连接线的实际位置,不便维护和调试。
3、没有反映出各元件内部的接线情况,如端子编号、回路编号等。
4、标出的直流“正”、“负”极比较分散,不易看图。
5、对于较复杂的继电保护装置(例如距离保护等)很难用原理接线图表示出来,即使画出了图,也很难看清。因此,在实际工作中广泛采用展开图。

图32 10kV线路保护原理接线图 继电保护直流回路展开图
直流回路展开图按其作用可分为继电保护回路、信号回路、控制回路等。现以继电保护回路为例加以说明,如图33所示。图的左边为保护装置的逻辑回路,右边相对于逻辑回路标有继电保护装置的种类及回路名称。如过电流、速断、瓦斯等。
从图中很容易看清继电保护的动作过程。例如速断保护,当速断保护的电流继电器1LJ或2LJ动作后,直流正电源就加到了信号继电器3XJ和保护出口继电器1BCJ线圈上。1BCJ动作后,分别跳开1DL、2DL断路器。
从图33中可知,展开图的接线清晰、易于阅读,便于掌握整套继电保护装置的动作过程和工作原理,特别是在复杂的继电保护装置的二次回路中,用展开图绘制,其优点更为突出。

图33 继电保护直流回路展开图