
遥控车是每个电子爱好者都喜欢的东西。但是大多数人都不知道从哪里开始制作,如何构建。有的甚至被复杂的外表所欺骗。这篇文章的重点是引导业余爱好者用最少的元件建立自己的遥控车。
框架图

要建立一个遥控车,我们需要确保上面这些块可用。为了便于理解,上面的模块分为“遥控”和“汽车”两部分。从控制汽车运动的键盘开始,而编码器和解码器是为了安全传输而编码和解码运动信号。发射机通过无线介质发送运动信号,接收机为目的地提取信号。
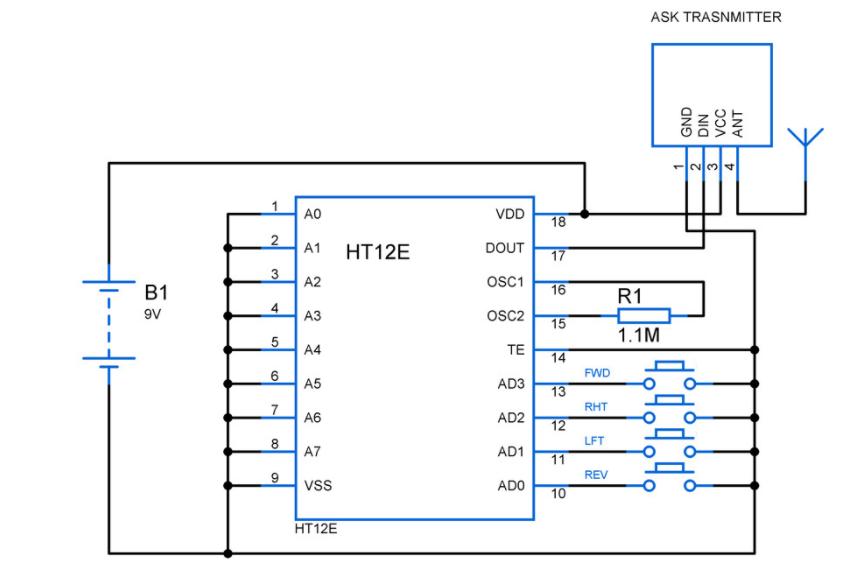
远程控制电路图:

上述遥控电路由三个重要部件键盘,编码器IC HT12E和RF发射器RF433模块组成。
键盘:我们遥控器的键盘由四个独立的按钮组成,这些按钮连接到编码器IC的数据引脚AD0到AD3的数据引脚。当这些按钮被按下时,它将移动信号传递给编码器。
编码器HT12E:该编码器用于编码由各个按钮提供的移动信号。数据引脚AD0到AD3低电平有效,因此按下该按钮将关闭电路,并将逻辑1或高电平信号馈送到这些引脚。它还包含地址引脚A0到A7,它允许我们尝试使用不同的地址组合来保证数据的安全传输,但要确保在接收端(解码器)中使用相同的地址组合。在上面的电路中,我们没有尝试任何地址组合,因此所有的引脚都接地。
RF433 TX:这是一个简单的RF433 TX模块,工作频率为433MHz。来自编码器的编码数据被馈送到TX的DIN引脚,并且简单的天线被连接到其第四引脚。
遥控车电路图:

RF433 RX:这是一个简单的RF433 RX模块,工作在433MHz。接收到的编码数据信号通过天线接收,从DATA引脚获得信号馈给解码器。
HT12D解码器:来自RX模块的编码信号被馈送到解码器的DIN引脚。信号然后由解码器解码,记住要使用在编码器中使用的相同的地址组合,否则移动信号将被不正确地解释。该解码器还包括VT引脚作为标识,如果任何RF链接建立,LED连接到这个引脚标识。
L293D:该IC用作双向电机驱动器。使用解码器IC驱动重负载(如电机)是非常不可能的,因此我们使用专用的L293D IC来达到此目的。
电机: 两台简易直流电机用于遥控车的运动。用于向前和向后移动汽车的电机,而另一个则用于左右转向。
RC车的运动机制:
我们已经完成了遥控器和即将放置在车内的电路。现在下一个重要的事情是提供机制来移动我们的遥控车前后。这可以通过将齿轮固定到电机和连接后轮的导轨来完成。将电机固定在导轨上靠近齿轮的位置,以便电机在运动时向前移动。同样,当电机反向旋转时,汽车应该向后移动。
汽车转向机构:
转向机构比运动机构有点棘手,因为它需要一些机械装置。有几个转向机制用于建设遥控车,但在这里我更倾向于使用“齿轮齿条”的安排,控制汽车在我们想要的方向。

上面的动画显示了齿轮齿条式转向机构的工作情况。这里的小齿轮将被连接到我们的前马达,负责右/左转向。当这个电机顺时针方向移动时,车向左转,反之亦然。
所需零件:






PCB布局:

希望你喜欢,可以DIY自己的遥控车。
文章来源于:网络整理