根据目前很多大中型企业使用的高压变频器存在的问题,如电网的谐波污染、电网功率因数低,而提出的将有源电力滤波应用在高压变频器上。将有源电力滤波器和高压变频器结合起来应用,能很好地实现节能减排,还能减小用电设备对电网的谐波污染和提高自身的功率因数。
随着现代电力电子技术和微电子技术的迅猛发展,高压大功率变频调速装置不断成熟起来,原来一直难于解决的高压问题,近年来通过器件串联或单元串联得到了很好地解决,其应用领域和范围也越来越广泛,这使得高效、合理地利用能源(尤其是电能)成为可能。电机是国民经济中主要的耗电大户,高压大功率电机则更为突出,而这些设备大部分都有节能的潜力,大力发展高压大功率变频调速技术具有深远的意义。
有源电力滤波器(APF)是一种用于动态抑制谐波、补偿无功的新型电力电子装置,它能够对大小和频率都变化的谐波以及变化的无功进行补偿。目前有源滤波器主要应用在380V电压等级的用电设备上,对于高压等级的用电设备应用很少。
下面主要针对高压变频器不可控整流、半控整流功率因数低、谐波大、效率低等问题,提出将有源滤波器和高压变频器结合应用在用电设备上,从而实现高效、节能、环保。
1 有源滤波器的拓扑结构及原理

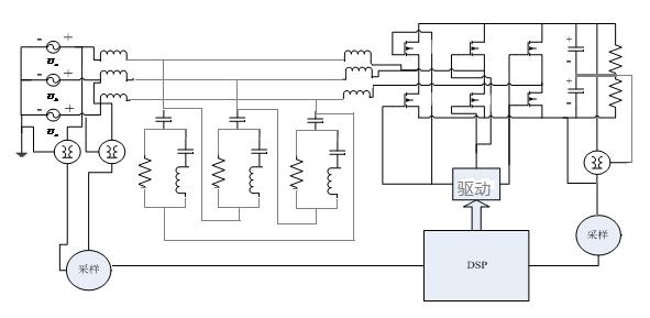
图1 有源滤波器主电路及控制框图
有源滤波器同无源滤波器比较,谐波治理效果更好,可以同时滤除多次及高次谐波,且不会引起谐振。目前的有源滤波器均以低压为主,高压有源滤波器技术已经成熟,但是实际应用安全系数很低,国际普遍做法是以变压器升压,来保证其可靠性,国家相关部门也要求以变压器升压的形式和有源滤波器结合,治理高压谐波。
有源电力滤波器通过电流互感器检测负载电流,并通过内部DSP计算,提取出负载电流中的谐波成分,然后通过PWM信号发送给内部IGBT,控制逆变器产生一个和负载谐波电流大小相等,方向相反的谐波电流注入到电网中,从而达到滤波的目的。
2 高压变频器的拓扑结构及原理
高压变频器是指输入电源电压在3kV以上的大功率变频器,主要电压等级有3kV、3.3 kV、6 kV、6.6 kV、10 kV等。
高压变频器有高—低—高、低—高、高—高之分:
- 高—低—高方式高压变频器是将高压电源用变压器降压后,用低压变频器进行控制,再用升压变压器将电压升到电机使用的电压。一般高—低—高方式都用在小功率的高压电机做变频节能用。
- 低—高方式高压变频器是用低压变频器控制后,直接用升压变压器升到电机使用电压。该方式也是用在小功率高压电机变频节能用。
- 高—高方式高压变频器是直接用变频器多个模块级联组成,直接使用高压电源,直接输出高压供电机使用。高—高方式主要用在大功率高压电机做变频节能用。
目前大多数高压变频器厂家都是采用级联式方式,本文也是以级联式高压变频器为应用实例作分析。下图2为高压变频器系统结构图。

图2 高压变频器系统结构图

图3 高压变频器和有源滤波器拓扑结构图(以移相变压器二次侧只在一个单元上加载有源滤波器为例说明)

图4 高压变频器和有源滤波器拓扑结构图(以在移相变压器一次侧加载有源滤波器为例说明)
3 实验结果
客户现场为一台高压变频器(额定电流为88A,额定电压6kV)带动一台电动机(额定电流为64A,额定电压6kV),高压变频器每相为6个单元串联组成。本文以图3所示的只加载移相变压器二次侧一个单元为例,来说明采用上海追日电气有限公司的ZAPF有源电力滤波器对高压变频器谐波滤除情况,图5为一个单元的输入前端的电流波形,谐波含量很大,达到71.3%,图6为通过变压器把有源滤波器加载到该单元后电流波形变化,电流谐波明显减小,达到4.046%,达到国家标准要求,通过波形对比可以看出,有源滤波器能很好地将谐波滤除,能很好地控制谐波对电网的污染。
这只是18个单元中其中一个的谐波电流治理实例,如果18个单元全部采用加载有源滤波器,经济成本及占地空间都很大。可以采用通过变压器加载到移相变压器前端6kV电压等级上,通过换算有源滤波器容量应相应的增加,这样可以减少经济成本和占地空间。
通过一个实验实例可以说明,将有源电力滤波器和高压变频器结合起来应用能很好地实现净化电网、提高效率、节能减排,可以大力推广到市场上应用。

图5 高压变频器一个单元输入侧电流波形图


图6 有源滤波器加载到高压变频器一个单元前后的电流波形图及谐波数据分析对比
4 结论
实验结果表明,将有源滤波器和高压变频器结合起来应用,能够很好地控制电网侧电流,使其谐波含量减少,功率因数接近为1,大大减少了对电网的污染。这种方法有效地将节能减排、能源环保结合在一起。实验也表明该系统能稳定、可靠地工作,具有较好的实用价值。
(编自《电气技术》,原文标题为“有源电力滤波器与高压变频器结合应用研究”,作者为王西前。)