产品简介
HX73XX系列是一款实用CMOS技术开发的低压差、高精度输出电压、超低功耗电流的正电压型电压稳 压电路。由于内置有低通态电阻晶体管,因而如数输出压差低,同事具有高输入电压承受能力,最高工作 电压可达 12V,适合需要较高耐压的应用电路。

产品特点
- 输出电压精度高:精度±3%
- 超低功耗电流:典型值 3uA
- 低输出电压温漂:典型值 50 ppm/℃
- 高输入耐压:升至 12V 保持输出稳压
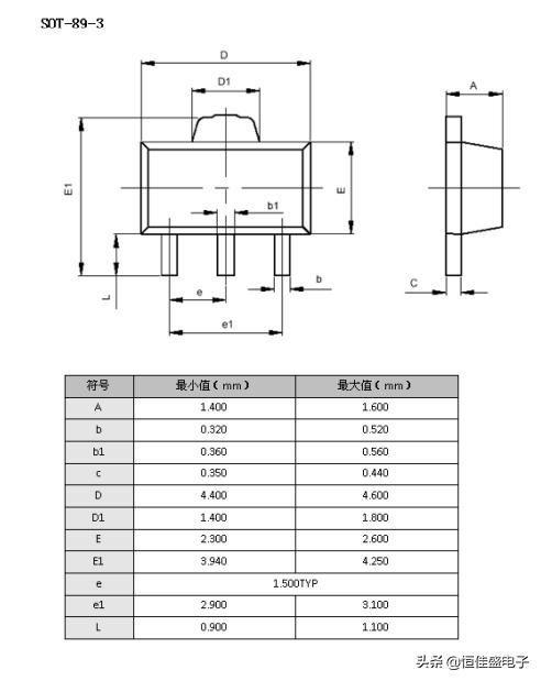
- 封装形式:TO-92、SOT89-3、SOT23-3
产品用途
- 使用电池供电设备的稳压电源
- 通信设备的稳压电源
- 家电玩具的稳压电源
- 移动电话用的稳压电源
- 便携式医用仪器稳压电源











深圳市恒佳盛电子有限公司成立于2004年08月01日,一直专注于电源管理IC和MOS管