适用范围:本工艺适用于钢结构制作与安装手工电弧焊焊接工艺。工艺规定了一般低碳钢、普通低合金钢的手工电弧焊的基本要求。凡各工程的工艺中无特殊要求的结构件的手工电弧焊均应按本工艺规定执行。
一、材料要求
(一)钢材应按施工图的要求选用,其性能和质量必须符合国家标准和行业标准的规定,并应具有质量证明书或检验报告。如果用其他钢材和焊材代换时,须经设计单位同意,并按相应工艺文件施焊。
(二)焊条选用原则。
1符合使用要求,焊缝金属的性能要符合使用要求(达到设计要求),一般要求焊缝金属的力学性能,包括抗拉强度、塑性和冲击韧性达到母材金属标准规定的性能指标的下限值.
2尽量降低成本,尽量选用生产率高成本低的焊条,即“低成本”原则。
3结构钢焊条的选择。
(1)根据母材的抗拉强度,按照“等强”原则选择抗拉强度级别相同的焊条。由于熔敷金属的抗拉强度比焊条牌号的名义强度高不少,在焊接高强钢时因母材熔入影响,焊缝金属实际抗拉强度比焊条牌号的名义强度高得多。因此,可以选用抗拉强度低一等级的焊条,使焊缝金属与母材实际等强。
(2)不同材质的母材,焊条选用原则是匹配母材屈服强度低的。
(3) 对于易裂的母材或结构(碳当量较高或工作厚度大、结构刚大 、施焊环境温度低,,对于塑性、韧性要求高的重要结构,应选用塑性韧性好、含氢量低及抗裂性能好的碱性焊条(即低氢焊条)。最好选用高韧性、超低氢焊条,以提高接头的抗冷裂性能。
(4)对于管道焊接、立向下焊接、底层焊缝、盖面焊缝等,最好相应选用管道焊接专用焊条、立向下焊条、底层焊条和盖面焊条等。
(5)应选用碱性焊条(即低氢焊条)而无直流焊接电源时,可选用低氢钾型焊条。
(6)对于接头由不同强度的钢材组成,则按强度较低的钢材选用焊条。
(7)大型结构,可选用熔敷速度较高的铁粉焊条。
4铸铁焊条的选择。
根据铸铁种类、工件的使用要求和加工要求等,选择符合要求的成本低的铸铁焊条。
5焊件坡口形式的选择。
要考虑在施焊和坡口加工可能的条件下,尽量减小焊接变形,节省焊条,提高劳动生产率,降低成本。一般主要根据板厚选择(见《气焊、手工电弧焊及气体保护焊焊缝坡口的基木形式与尺寸》GB985-88)。
6不同板厚的钢板对接接头的两板厚度差不超过表2规定时,则焊缝坡口的基本形式与尺寸按较厚板的尺寸数据来选择;否则应在厚板上作出如表中图示的单面a)或双面削薄b),其削薄长度L≥3(δ—δ1)。

二、主要机具
1焊接用机具主要有电动空压机、柴油发电机、直流烛机、沟通焊机、焊条烘干箱、翼缘矫正机。
2工厂加工检验机具主要有超声波探伤仪、数字温度仪、数字钳形电流表、温湿凌仪、焊缝检验尺、磁粉探伤仪、游标卡尺、钢卷尺。
三、作业条件
1焊接区应保持干燥,不得有油、锈、水、氧化皮和其他污物。
2焊条在使用前应按产品说明书规定的烘焙时间和烘焙温度进行烘焙。低氢型焊条烘干后必须存放在保温箱(筒)内,随用随取。焊条由保温箱(筒)取出到施焊的时间不宜超过2h(酸性焊条不宜超过4h)。不符上述要求时,应重新烘干后再用,但焊条烘干次数不宜超过2次。
3施焊前,焊工应复核焊接件的接头质量和焊接区域的坡口、间隙、钝边等的处理情况。当发现有不符合要求时,应修整合格后方可施焊。焊接连接组装允许偏差值见下表的规定。
4焊工必须经考试合格并取得合格证书。持证焊工必须在其考试合格项目及其认可范围内施焊。
焊接连接组装允许偏差值

四、操作工艺
(一)工艺流程:

(二)操作工艺:
1焊接参数的选择。
(1)焊条直径的选择。
焊条直径主要根据焊件厚度选择,见表5.4.2-1。多层焊的第一层以及非水平位置焊接时,焊条直径应选小一点。
表5.4.2-1焊条直径选择

(2)焊接电流的选择。主要根据焊条直径选择电流,方法有二:查表。见下表。

注:立、仰、横焊电流应比平焊小10%左右.
有近似的经验公式可供估算:
I=(30~55)d
式中d—焊条直径,mm;
I—焊接电流,A。
焊角焊缝时,电流要稍大些。
打底焊时,特别是焊接单面焊双面成形焊道时,使用的焊接电流要小;填充焊时,通常用较大的焊接电流;盖面焊时,为防止咬边和获得较美观的焊缝,使用的电流稍小些。
碱性焊条选用的焊接电流比酸性焊条小10%左右。不锈钢焊条比碳钢焊条选用电流小20%左右。
焊接电流初步选定后,要通过试焊调整。
(3)电弧电压。主要取决于弧长。电弧长,则电压高;反之,则低。在焊接过程中,一般希望弧长始终保持一致,并且尽量使用短弧焊接。所谓短弧是指弧长为焊条直径的0.5~1.0倍。一般低氢型焊条采用短弧、低压操作能得到比较好的焊接效果。
(4)焊接工艺参数的选择,应在保证焊接质量条件下,采用大直径焊条和大电流焊接,以提高劳动生产率。
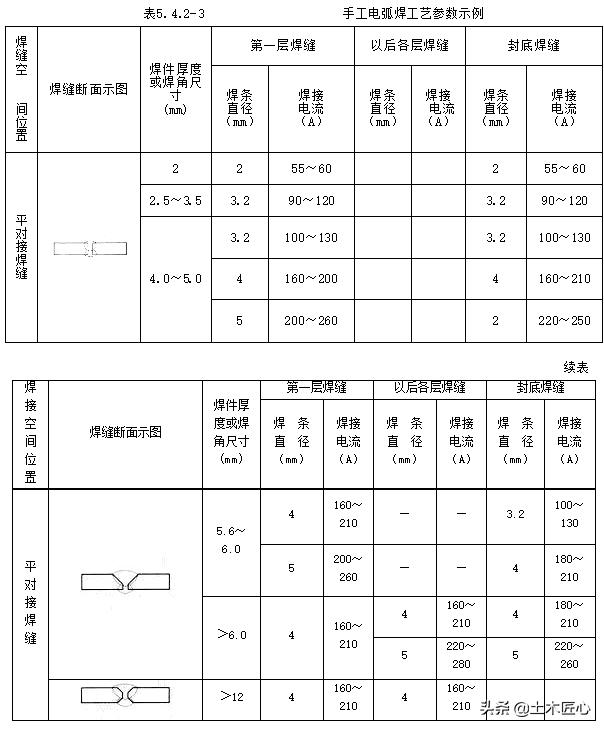
(5)手工电弧焊工艺参数示例见表5.4.2-3。
(6)性能要求高的焊缝与接头,每层焊缝厚度不宜大于4mm。
(7)坡口底层焊道宜采用不大于Φ3.2mm的焊条,底层根部焊道的最小尺寸应适宜,以防产生裂纹。
(8)在承受动载荷情况下,焊接接头的焊缝余高h应趋于零,在其他工作条件下,h值可在0~3mm范围内选取。
(9)焊缝在焊接接头每边的覆盖宽度不小于2~4mm。




2施焊前,焊工应复核焊接件的接头质量和焊接区域的坡口、间隙、钝边等的处理情况。当发现有不符合要求时,应修整合格后方可施焊。
3焊接时不得使用药皮脱落或焊芯生锈的焊条。
4 T型接头、十字接头、角接头和对接接头主焊缝两端,必须配置引弧板和熄弧板,其材质和坡口形式应与焊件相同。引弧和熄弧焊缝长度应大于或等于25mm.引弧和熄弧板长度应大于或等于60mm,长度宜为板厚的1.5倍且不小于30mm,厚度宜不小于6mm。引弧和熄弧板应采用气割的方法切除,并修磨平整,不得用锤击落。
5焊接区应保持干燥,不得有油、锈和其他污物。
6焊条在使用前应按产品说明书规定的烘焙时间和烘焙温度进行烘焙。
7不应在焊缝以外的母材上打火引弧。
8焊接作业区环境温度低于0℃时,应将构件焊接区各方向大于或等于钢板厚度且不小于l00mm范围内的母材加热到20℃以上方可施焊,且在焊接过程中均不应低于这个温度。
9定位焊采用的焊材型号应与焊件材质相匹配。定位焊必须由持有相应合格的焊工施焊,定位焊焊缝应与最终焊缝有相同的质量要求。
(1)定位焊焊脚尺寸不宜超过设计焊缝厚度的2/3,且不应大于6mm。长焊缝焊接时,定位焊缝长度不宜小于50mm,焊缝间距500~600mm,并应填满弧坑。
(2)定位焊的位置应布置在焊道以内.如遇有焊缝交叉时,定位焊缝应离交叉处50mm以上。
(3)定位焊缝的余高不应过高,定位焊缝的两端应与母材平缓过渡,以防止正式焊接时产生未焊透等缺陷。
(4)如定位焊缝开裂,必须将裂纹处的焊缝铲除后重新定位焊。在定位焊之后,如出现接口不平齐,应进行校正,然后才能正式焊接。
(5)定位焊缝不得有裂纹、夹渣、焊瘤等缺陷。焊前必须清除焊接区的有害物。
(6)定位焊预热温度应高于正式焊接温度。
(7)当定位焊焊缝上有气孔或裂纹时,必须清除后重新进行焊接。
10对于非密闭的隐蔽部位,应按施工图的要求进行涂层处理后,方可进行组装:对刨平顶紧的部位,必须经质量部门检验合格后才能施焊。
11多层焊的施焊应符合下列要求:
(1)厚板多层焊时应连续施焊,每一焊道焊接完成后应及时清理焊渣及表面飞溅物,发现影响焊接质量的缺陷时,应清除后方可再焊。再连续焊接过程中应控制焊接区母材温度,使层间温度上、下限符合工艺文件要求。遇有中断施焊的情况,应采取适当的后热、保温措施,再次焊接时重新预热温度应高于初始预热温度;
(2)坡口底层焊道采用焊条直径应不大于Φ4mm,焊条底层根部焊道的最小尺寸应适宜,但最大厚度不应超过6mm。
12在组装好的构件上施焊,应严格按焊接工艺规定的参数以及焊接顺序进行,以控制焊后构件变形。
(1)控制焊接变形,可采取反变形措施,其反变形参考值见表5.4.2-4。焊接收缩量参见表5.4.2-5。
(2)在约束焊道上施焊,应连续进行;如因故中断,再焊时应对已焊的焊缝局部做预热处理.
(3)采用多层焊时,应将前一道焊缝表面清理干净后再继续施焊。

13因焊接而变形的构件,可用机械(冷矫)或在严格控制温度的条件下加热(热矫)的方法进行矫正。
(1)普通低合金结构钢冷矫时,工作地点温度不得低于-16℃;热矫时,其温度值应控制在750℃-900℃之间。
(2)普通碳素结构钢冷矫时,工作地点温度不得低于-20℃;热矫时,其温度值不得超过900℃。
(3)同一部位加热矫正不得超过2次,并应缓慢冷却,不得用水骤冷。

五、质量标准
详见《钢结构工程建工质量验收规范》GB50205-2001。
六、成品保护
1构件焊接后的变形,应进行成品矫正,成品矫正一般采用热矫正,加热温度不宜大于650℃,构件矫正应符合下表的要求:

2凡构件上的焊瘤、飞溅、毛刺、焊疤等均应清除干净。要求平的焊缝应将焊缝余高磨平。
3零、部件采用机械矫正法矫正,一般采用压力机进行。
4根据装配工序对构件标识的构件代号,用钢印打入构件翼缘上,距端500mm范围内。构件编号必须按图纸要求编号,编号要清晰,位置要明显。
5应在构件打钢印代号的附近,在构件上挂铁牌,铁牌上用钢印打号来表明构件编号。
6用红色油漆标注中心线标记并打钢印。
7钢构件制作完成后,应按照施工图的规定及《钢结构工程施工及验收规范》GB50205-2001进行验收。
8钢结构件在工厂内制作完毕后,根据合同规定或业主的安排,由监理进行验收。验收合格者方可安排运输到现场。验收要填写记录报告。
9验收合格后才能进行包装。包装应保护构件不受损伤,零件不变形,不损坏,不散失。
10包装应符合运输交通部门的有关部门规定,超限构件的运输应在制作之前向有关交通部门办理超限货物运输手续。
11现场安装用的连接零件,应分号捆扎出厂发运。
12成品发运应填写发运清单。
13运输由钢结构加工厂直接运输到现场。根据现场总调度的安排,按照吊装顺序一次运输到安装使用位置,避免二次倒运。
14超长、超宽构件安排在夜间运输,并在运输车前后设引路车和护卫车,以保证运输的安全。
七、应关注的问题
(一)技术质量:
1焊接材料质量控制:
2母材质量控制:
3焊接工艺质量控制。
(二)安全环保措施:
1认真贯彻执行国家有关安全生产法规,认真贯彻执行有关施工安全规程。同时结合公司实际,制定安全生产制度和奖罚条例,并认真执行。
2牢固树立“安全第一”的思想,坚持预防为主的方针,对职工经常进行安全生产教育,定期开展安全活动,充分认识安全生产的重要性,掌握一定的安全生产知识,对职工进行安全生产培训。在安全生产上,一定要克服麻痹思想。
3坚持所有进入车间的人员必须戴安全帽,每天上班前检查车间用气体的安全措施。
4搞好安全用电。所有电缆、用电设备的拆除、车间照明等均由专业电工担任,要使用的电动工具,必须安装漏电保护器,值班电工要经常检查、维护用电线路及机具,认真执行JGJ46-88标准,保持良好状态,保证用电安全。
5各种施工机械编制操作规程和操作人员岗位责任制,专机专人使用保管,特殊工种必须持证上岗。
6切实搞好防火。氧气、乙炔气、CO气要放在规定的安全处,并按规定正确使用,车间、工具房、操作平台等处设置足够数量的灭火器材。电焊、气割时,先关注周围环境有无易燃物后再进行工作。
7文明施工具体措施:
(1)对施工人员进行文明施工教育,加强职工的文明施工意识。
实行区域管理,划分责任范围,定期进行文明施工检查。
(3)切实加强火源管理。车间禁止吸烟,电、气焊及焊接作业时应清理周围的易燃物,消防工具要齐全,动火区域要安放灭火器,并定期检查。
(4)废料要及时清理,并在指定地点堆放,保证施工场地的清洁和施工道路的畅通。
(5)做好成品的外观及形体保护,减少污染。
(三)当设计对厚板有Z向性能要求时的焊接工艺措施:
在高层及超高层钢结构中;大量采用厚板焊接。由于钢板存在微裂纹等缺陷、Z向力学性能差,因此厚板焊接、特别是大于40mm钢板焊接时,易导致层状撕裂。
1选择合理的焊接节点连接形式:
由于规范往往只考虑节点连接的强度及施工的可行性,而对厚板焊接时的层状撕裂未做明确规定,因此在按规范要求进行焊接设计时并不能保证避免层状撕裂的现象发生。为此,在进行大于40mm厚钢板焊接时,应选择合理的节点连接形式,如附图5.7.3-1以减小局部区域由于焊缝收缩引起应力集中或尽量避免钢板Z向受拉。

在满足要求焊透深度的前提下,采用较小的焊接坡口角度及间隙,见图5.7.3-1a。
(2)在角接接头中,采用对称坡口或偏向侧板的坡口,减小板厚方向承受的收缩应力,见图5.7.3-1b。
(3)采用对称坡口,减小焊接收缩应力,见图5.7.3-1c。
(4)在T型或角接接头中,不应在厚板方向受焊接拉应力的板材端部设置焊缝,而应使该板厚度方向受拉的板材端部伸出接头焊缝区,见图5.7.3-1d。
(5)在T型、十字型接头中采用过渡段,以对接接头取代T型、十字型接头,见图5.7.3-1e。
(6)对大型连接节点,建议采用图的构造设计来避免或减小厚度方向的应变,见图5.7.3-1f。
2焊材及母材的选择:
(1)对有特殊要求的部位,可选用Z向延性性能好的钢材。
(2)在满足受力要求的前提下,尽可能选择屈服强度低的焊条。
3使用涂层和垫层。
采用软金属丝(一般为低强度的焊条)做垫层,使收缩变形发生在焊缝中,而避免在母材中产生应力集中。或在节点焊缝处涂焊一层低强度延性焊接金属,让焊缝收缩变形发生在涂焊金属中。见下图.

4防止层状撕裂的工艺措施。
(1)T型焊接时,在母材板面用低强度焊材先堆焊塑性过渡层,见下图。

(2)厚板焊接时,可采用低氢型、超低氢型焊条或气体保护焊施焊,并适当的提高预热温度。
(3)当板厚≥80mm时,对I类或II类以上钢材箱形柱角焊缝,板边火焰切割面宜用机械方法去除淬硬层,见下图。

(4)对大尺寸熔透焊,可采用窄焊道焊接技术,并选择合理的焊道次序,以控制收缩变形,焊接过程中,应用锤击法来消除焊缝残余应力。
(5)采用合理的焊接顺序和方向。
先焊收缩量较大的焊缝,使焊缝能较自由地收缩;先焊错开的短焊缝,后焊直通长焊缝;
先焊工作时受力较大的焊缝,使内应力合理分布。
锤击时温度应维持在100℃~150℃之间或在400℃以上,避免在200℃~300℃之间进行;
(6)采取反变形降低局部刚性。
(7)当焊缝金属冷却时,锤击焊缝区。
多层焊时,除第一层和最后一层焊缝外,每层都要锤击。
(8)焊前预热。