长虹KFR -28GW/BP (BMF)室内机电气接线图如图所示。

1.开关电源电路
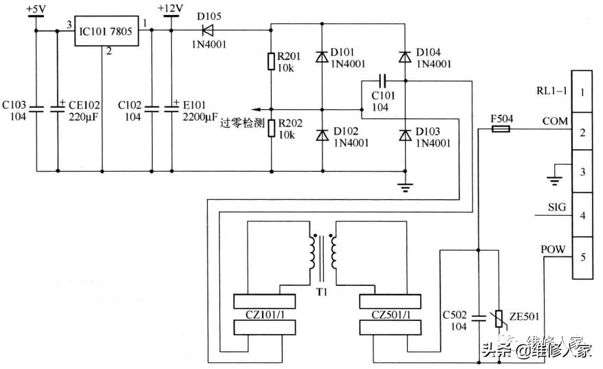
电源电路为空调器室内机电气控制系统和单片机控制电路提供所需的工作电源。在本电路中,+12V主要为继电器、驱动集成电路、蜂鸣器等的工作电源;+5V主要为单片机及单片机外围电路的工作电源。室内机电源电路原理图如下图所示。

沟通220V经过熔断器F504、压敏电阻ZE501、高频旁路电容C502、接插件CZ501送至降压变压器T1,经变压器降压后次级输出12.5V沟通电压,经插接件CZ101、桥式整流器D101 - D104整流后分成两路,一路经D105二次整流、E101和C102滤波得到+ 12V直流电压,作为继电器、驱动集成电路、蜂鸣器的工作电源。+12V直流电再经IC101 (7805)稳压,C103、C102滤波后得到+5V直流电,作为单片机及一些控制电路的工作电源。另一路送至过零检测电路,经电阻R201和R202分压,电容C201 (见整机图)滤波后送至Q201的基极。
2.复位电路及时钟电路
复位电路及时钟电路如下图所示。单片机的33脚为复位端,当33脚为低电平时,单片机停止工作,所有输出端复位;当33脚为高电平时,单片机开始工作,从初始状态运行。

单片机复位电路由IC302的33脚、复位集成电路IC301 (34064)及外围元器件组成。其中,C312为抗干扰电容;D301为钳位作用;在工作电压形成瞬间低于4.5V时,IC301输岀低电平;当工作电压高于4.5V时,IC301输出高电平。由于工作电压建立需要一个过程,从而使得复位端电位总比工作电压来得迟,从而使单片机完成了复位。
单片机的时钟信号由31、32脚及外围6MHz晶振、C308、C309等组成。
3.过零检测电路
过零检测电路如下图所示,其主要作用是检测室内供电电压的异常。

整流桥D101〜D104整流后频率为100Hz的脉动电压,而+5V电压经Q201的导通与截 止,使单片机35脚得到一个过零触发的信号。
4.蜂鸣器驱动控制电路
蜂鸣器驱动控制电路主要作用是对用户的各种操作进行“应答”,同时又用于空调器工作异常时发出报警声。

空调器处于不同的工作状态(开机、关机等)时,单片机输出高电平信号驱动蜂鸣器发出声音。蜂鸣器驱动信号由单片机的36脚输出,经IC401 (TDG2003A)驱动放大后输出信 号。单片机IC302的36脚输出不同频率的方波信号,使蜂鸣器发出长短不同的声音。
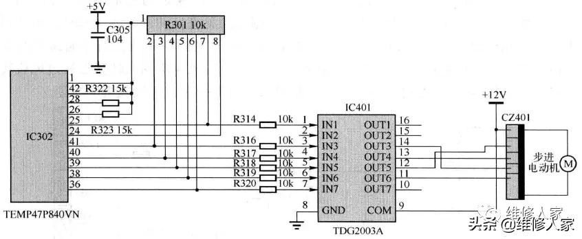
5.步进电动机驱动控制电路
步进电动机驱动控制电路如图所示,导风叶片步进电动机驱动控制信号由单片机 IC302的38 ~41脚输出。它们输出的信号经IC401反相器驱动步进电动机转动。

6.温度检测电路
变频空调器室内机温度检测电路通过单片机的外围元器件对各种参数进行采集,将模拟信号的变化转化为电压的变化,此电压信号将作为单片机内部 的比较电压信号,从而输出控制指令。该变频空调器室内机有两个温度传感器,分别为室温传 感器和室内机盘温传感器,这两个温度传感器均为热敏电阻。室温传感器安装在进风栅下面,用于感知室内温度;室内机盘管温度传感器安装在室内机热交换器的小U形管处,用于制冷时感知蒸发温度或制热时感知冷凝温度。

室温传感器与R342串联,串接在+5V的电源上。当室温发生变化时,温度传感器阻值发生变化,R342的电压发生变化。该电压经1202滤除干扰后加至单片机的5脚,该引脚为单片机的A/D转换器输入接口,此电压经A/D转换后在单片机内部作为比较电压,经过运算, 再通过单片机输出控制指令。
同样道理,室内机盘管温度传感器与R341串联,串接在+5V电源上。检测电压送至单 片机的4脚上。
7.室内机风机控制电路
室内机风机控制电路如下图所示。室内机风机的转速是通过晶闸管进行平滑调速, 有高、中、低三挡,该速度是根据室内温度与设定温度的温差自动调节的。同时,单片机在一个过零信号周期内通过控制其23脚为低电平的时间,即通过控制晶闸管的导通角来改变加在风机正负绕组的沟通电电压来改变风机的转速。另外,室内机风机的运转状态通过风机转速反馈电路输入单片机34脚,通过检测风机运转状况来准确地控制室内机风机的风速。

通过沟通过零检测电路对过零点的检测,风机驱动引脚(单片机的23脚)延时输出低电平,使晶闸管导通,单片机通过控制导通角来改变加在风机上的电压,从而实现调速。
当空调器的室内机风机接收到遥控操作信号、面板控制信号或自动运转时,单片机23脚输出PWM信号直接加至IC203中二极管的负极上。在脉冲低电平时,IC203导通,电动机接入220V沟通电;在脉冲高电平时,IC203截止,电动机无电源输入,不工作。只要单片机的23脚输出三种高电平脉冲宽度不同的PWM信号,即可使电动机达到三种转速。
风速检测电路由霍尔元件、CZ402 (见整机图)插口、电阻R328、R321及单片机34脚内部电路组成。霍尔元件主要用于空调器风机转速检测,该元件位于室内机风扇电动机内部,当风扇运行一周时,霍尔元件从CZ402插口2脚输出三个脉冲信号送至单片机的34脚,经单片机识别、处理,判断电动机工作正常,继续由其23脚输出高电平。当单片机34脚在电动机运行1min内检测不到反馈信号时,则判断电动机工作异常,23脚输出高电平,使PG电动机停止工作,同时显示故障。
8.室外机电源控制电路
如下图所示为室外机电源控制电路。

9.通信电路
变频空调器的通信电路是由室内机通信发射、接收电路和室外机通信发射、接收电路,以及室内外机单片机组成,一般釆用半双工串行通信方式,即在某段时间内只能由室内机或室外机向另一方发送信号,另一方只同时接收信号。
本机通信电路如下图所示,图(a)为室内机通信电路,图(b)为室外 机通信电路。

室外机单片机通过串行通信电路来接收室内机单片机发送来的工作指令,根据指令输出相应的控制信号,使压缩机、室外机风机部件均按程序正常运转。在空调器正常运转的同时,室外机单片机把室外机的信息(室外环境温度、室外机盘管温度、压缩机排气温度等)通过串行通信电路发送回室内机,便于室内机单片机进行相应的处理。
光电耦合器IC201、IC202、PC400、PC402起隔离作用,防止通信电路上的大电流、高电压串入单片机内部而损坏单片机;电阻R206、R502的作用是限流,将稳定的140V直流电压转换为3mA的电流;电阻R207、R506是分流作用,保护光电耦合器;D501、D201防止N、S反接。
在室外机220V沟通经二极管D503、D504全波整流,C503滤波后形成直流140V电压作为室外机串行通信信号的载波信号。当室外机向室内机发射信号时,室外机单片机的49脚为低电平,PC400始终导通,室内机单片机通过IC202接收信号,室外机PC400与IC202同步, 而IC202也与IC201同步,以表明室外机单片机已接收到了室内机发射的信号。
当通信处于室内机发射、室外机接收时,室内机单片机的22脚TXD置低电平,室内机发 送光电耦合器IC201始终导通,室外机接收光电耦合器PC402导通,室外机单片机的26脚TXD置低电平;若TXD发送低电平“0”,室内机发送信号则光电耦合器IC201导通,室外机接收信号则光电耦合器PC402导通,通信环路闭合,室外机RXD接收低电平“0”;若室内机TXD发送高电平“1”,室内机发送信号则光电耦合器IC201截止,通信环路断开,室外机接收光电耦合器IC201、PC402截止,室外机RXD接收高电平“1”,从而实现了通信信号由室内机向室外机的传输。同理,可分析通信信号由室外机向室内机的传输过程。