
1.三相沟通电动机Y形和△形接线方法
一般常用三相沟通电动机接线架上都引出6个接线柱,当电动机铭牌上标为Y形接法时,D6、D4、D5相连接,D1~D3接电源;为△形接法时,D6与D1连接,D4与D2连接,D5与D3连接,然后D1~D3接电源。可参见图1所示连接方法连接。

图1 三相沟通电动机Y形和△形接线方法
2.三相吹风机6个引出端子接线方法
有部分三相吹风机有6个接线端子,接线方法如图246所示。采用△形接法应接入220V三相沟通电源,采用Y形接法应接入380V三相沟通电源。一般3英寸、3.5英寸、4英寸、4.5英寸的型号按此法接。其他吹风机应按其铭牌上所标的接法连接。

图2 三相吹风机六个引出端子接线方法
3.IDD5032型单相电容运转电动机接线方法
单相电动机接线方法很多,如果不按要求接线,就会有烧坏电动机的可能。因此在接线时,一定要看清铭牌上注明的接线方法。
图3为IDD5032型单相电容运转电动机接线方法。其功率为60W,电容选用耐压500V、容量为4μF的产品。图3(a)为正转接线,图3(b)为反转接线。

图3 IDD5032型单相电容运转电动机接线方法
4.JX07A-4型单相电容运转电动机接线方法

图4 JX07A-4型单相电容运转电动机接线方法
图248是JX07A-4型单相电容运转电动机接线方法。电动机功率为60W,用220V/50Hz沟通电源、电流为0.5A。它的转速为每分钟1400转。电容选用耐压400~500V、容量8μF的产品。图4(a)为正转接线,图4(b)为反转接线。
5.单相吹风机4个引出端子接线方法

图5 单相吹风机四个引出端子接线方法
有的单相吹风机引出4个接线端子,接线方法如图5所示。采用并联接法应接入110V沟通电源,采用串联接法应接入220V沟通电源。
6.Y100LY系列电动机接线方法
目前,Y系列电动机被广泛应用。Y系列电动机具有体积小、外形美观、节电等优点。它的接线方式有两种:一种为△形,它的接线端子W2与U1相连,U2与V1相连,V2与W1相连,然后接电源;另一种为Y形,接线端子W2、U2、V2相连接,其余3个接线端子U1、V1、W1接电源。接线见图6。

图6 Y100LY系列电动机接线方法
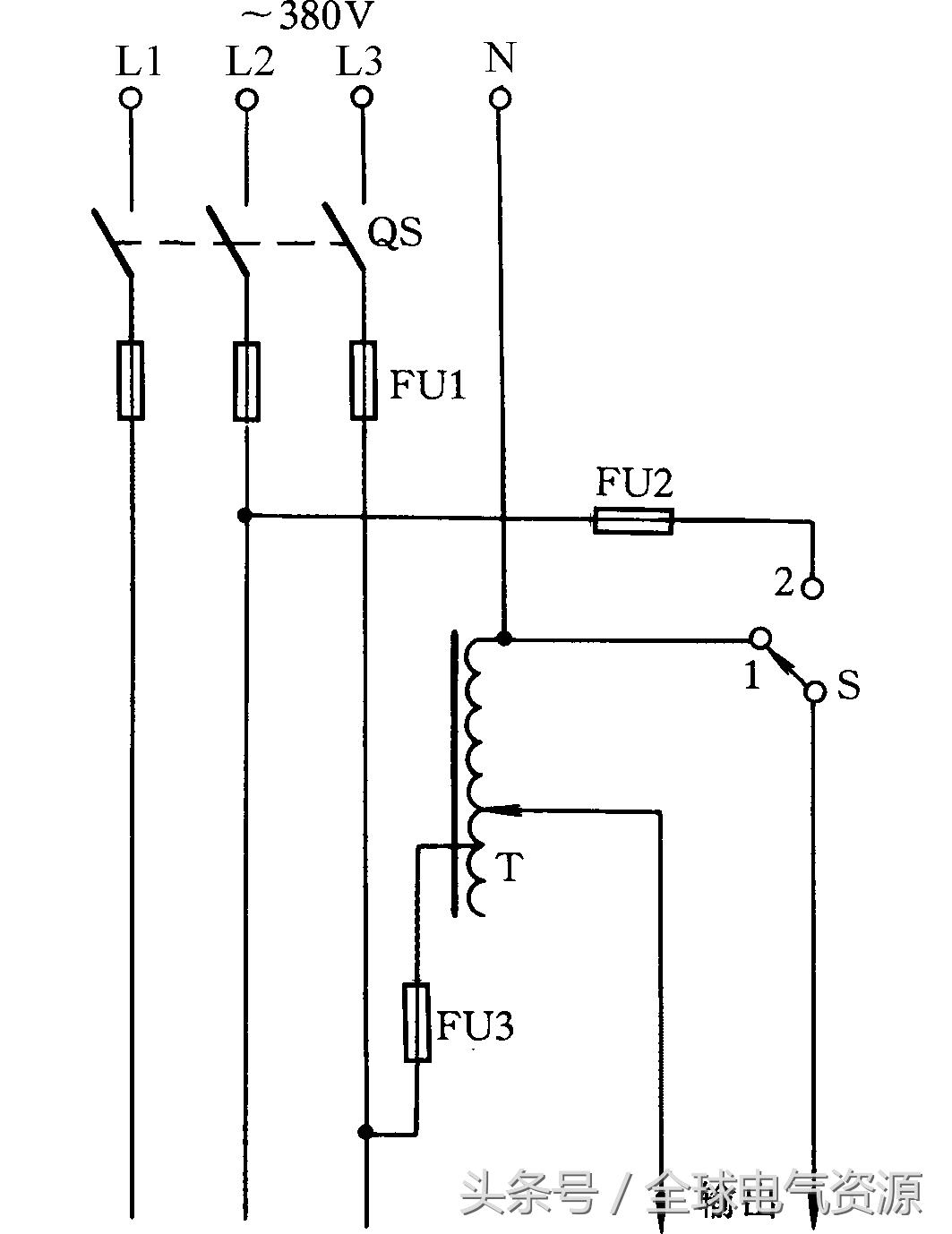
7.低压变压器短路保护线路
目前,机床的工作灯、行灯都采用低压变压器提供36V安全电压,由于灯具在使用中经常移动,极易发生短路故障,造成熔断器熔断甚至烧坏变压器。如果使用36V小型中间继电器或36V沟通接触器做变压器的通断开关,可避免烧坏变压器。线路如图7所示。

图7 低压变压器短路保护线路
工作原理:闭合S后,按下按钮SB1,变压器得电输出36V低电压,使得继电器或沟通接触器KA吸合。放松按钮SB1后,KA自锁触点使KA保持吸合,继续给变压器接通电源。如果变压器次级发生短路故障,继电器线圈电压为零,此时KA便失电释放,将变压器电源断开,保护变压器不被破坏。
8.双速电动机2Y/2Y接线方法
图8所示是2Y/2Y电动机双速定子线组的引出线接线方法。
按图8(a)连接是一种转速,按图8(b)连接得到另一种转速。

图8 双速电动机2Y/2Y接线方法
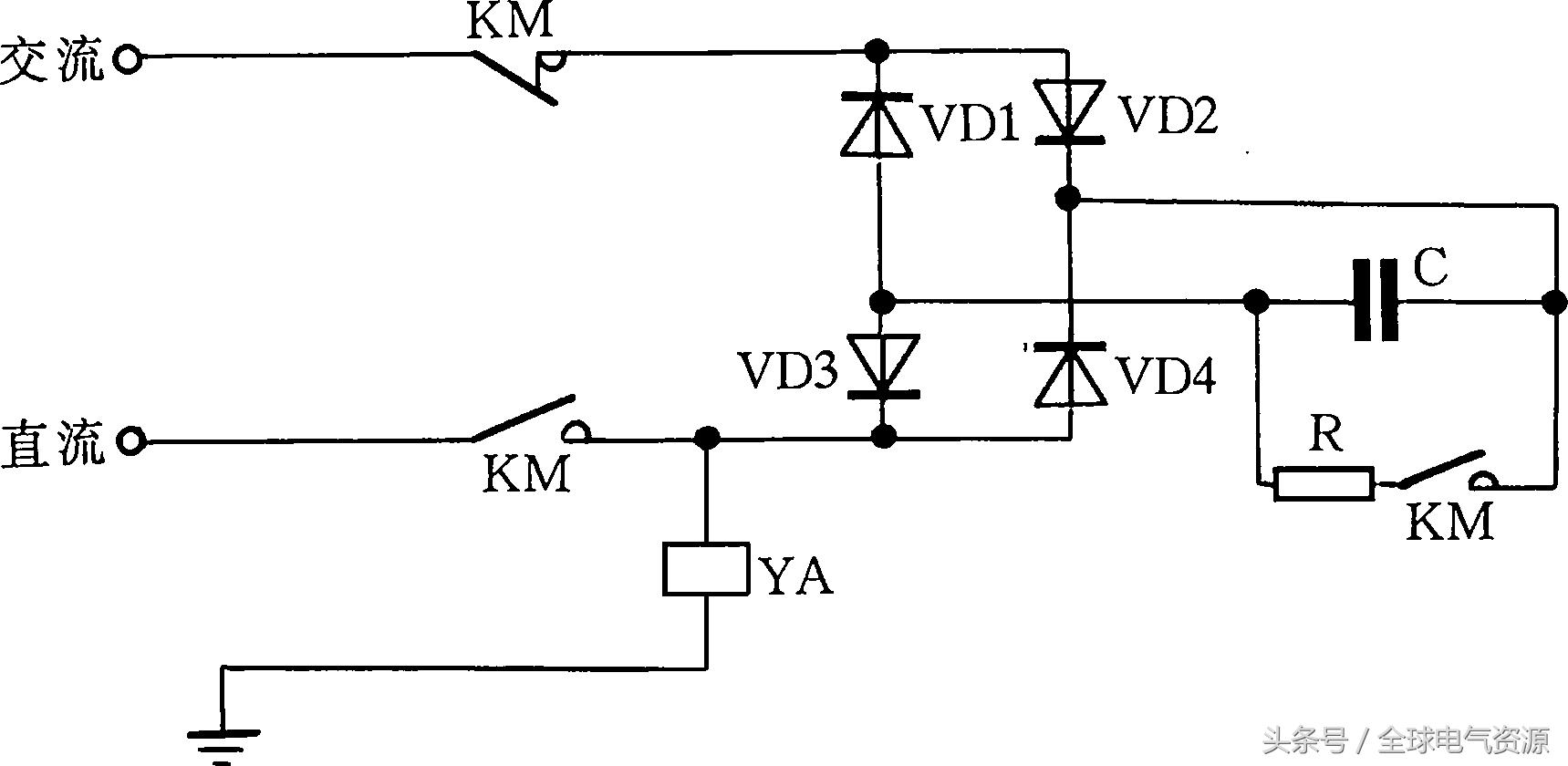
9.直流电磁铁快速退磁线路
直流电磁铁停电后,因有剩磁存在,有时会造成不良后果。因此,必须设法消除剩磁。图9中,YA是直流电磁铁线圈,KM是控制YA启停的接触器。KM吸合时,YA通电励磁;KM复位时,YA断直流电,并进行快速退磁。
快速退磁的工作原理是:直流电磁铁断电后,沟通电源通过桥式整流器和YA向电容C充电,随着电容C两端电压的不断升高,充电电流越来越小,而通过YA的电流又是交变的,从而使电磁铁快速退磁。电容C的容量要根据电磁铁的实际情况现场试验决定。R为放电电阻。

图9 直流电磁铁快速退磁线路
10.防止制动电磁铁延时释放线路
采用沟通电磁铁制动的三相异步电动机有时会因制动电磁铁延时释放,造成制
动失灵。造成电磁铁延时释放的原因是接触器的主回路电源虽被切断,但电动机由于剩磁存在,定子绕组产生感应电动势加在沟通电磁铁上,使电磁铁不会立即释放。解决方法很简单,只要在沟通电磁铁线圈上串入一个沟通接触器常开触点,使得断开电动机电源的同时断开电磁铁与电动机绕组线圈,即可使电磁铁立即释放。线路参见图10。
线路中YA为制动电磁铁,在通电后,制动解除;在断电后,YA立即制动。

图10 防止制动电磁铁延时释放线路
11.他励直流电动机失磁保护线路
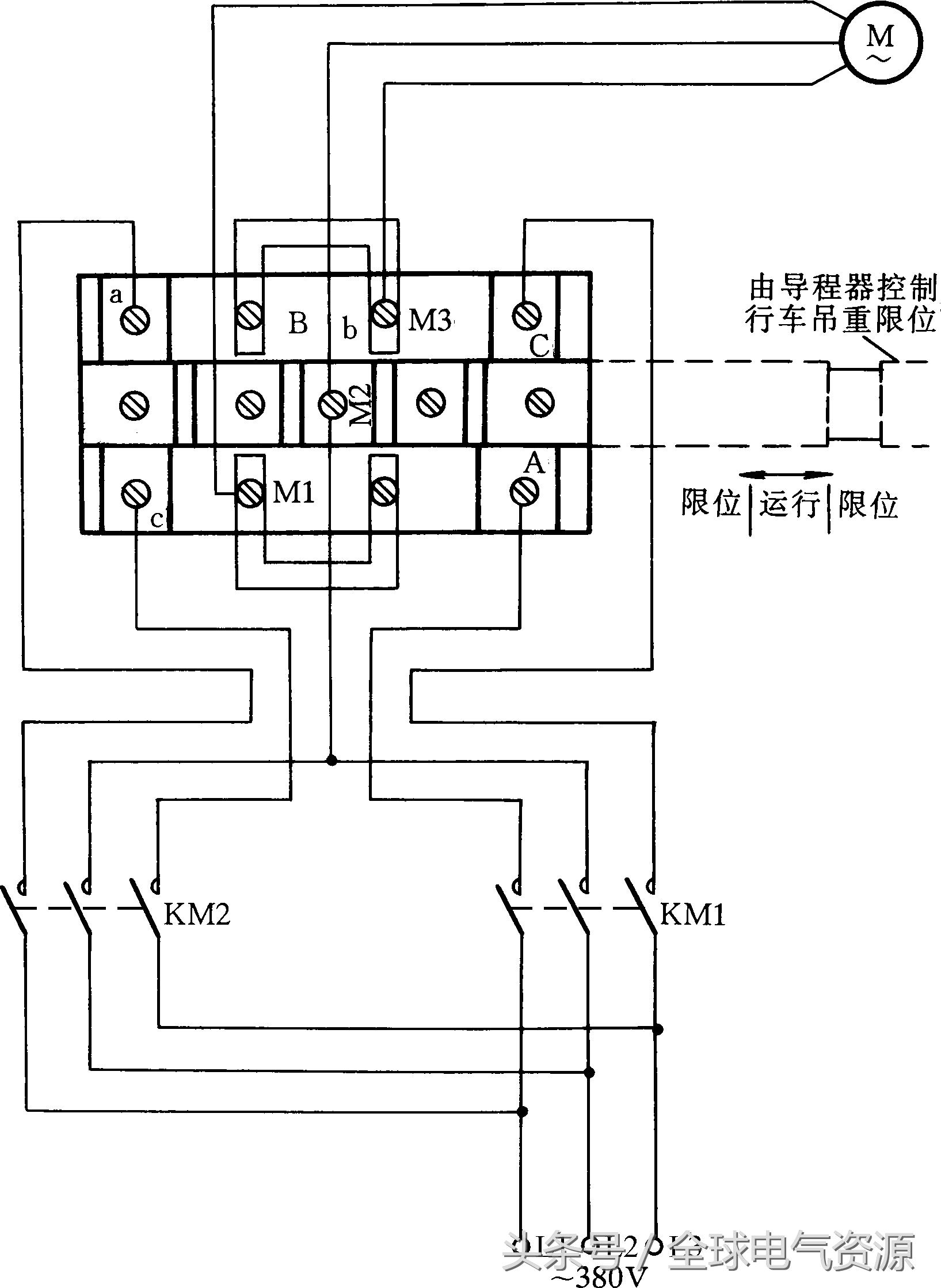
他励直流电动机励磁电路如果断开,会引起电动机超速,产生严重不良后果,因此需要进行失磁保护。
在励磁电路内,串联一个欠电流继电器KI,其常开触点接在控制电路中。当励磁电流消失或减小到设定值时,KI释放,KI常开触点断开,切断电动机电枢电源,使电动机停转,从而避免超速现象发生,见图11。

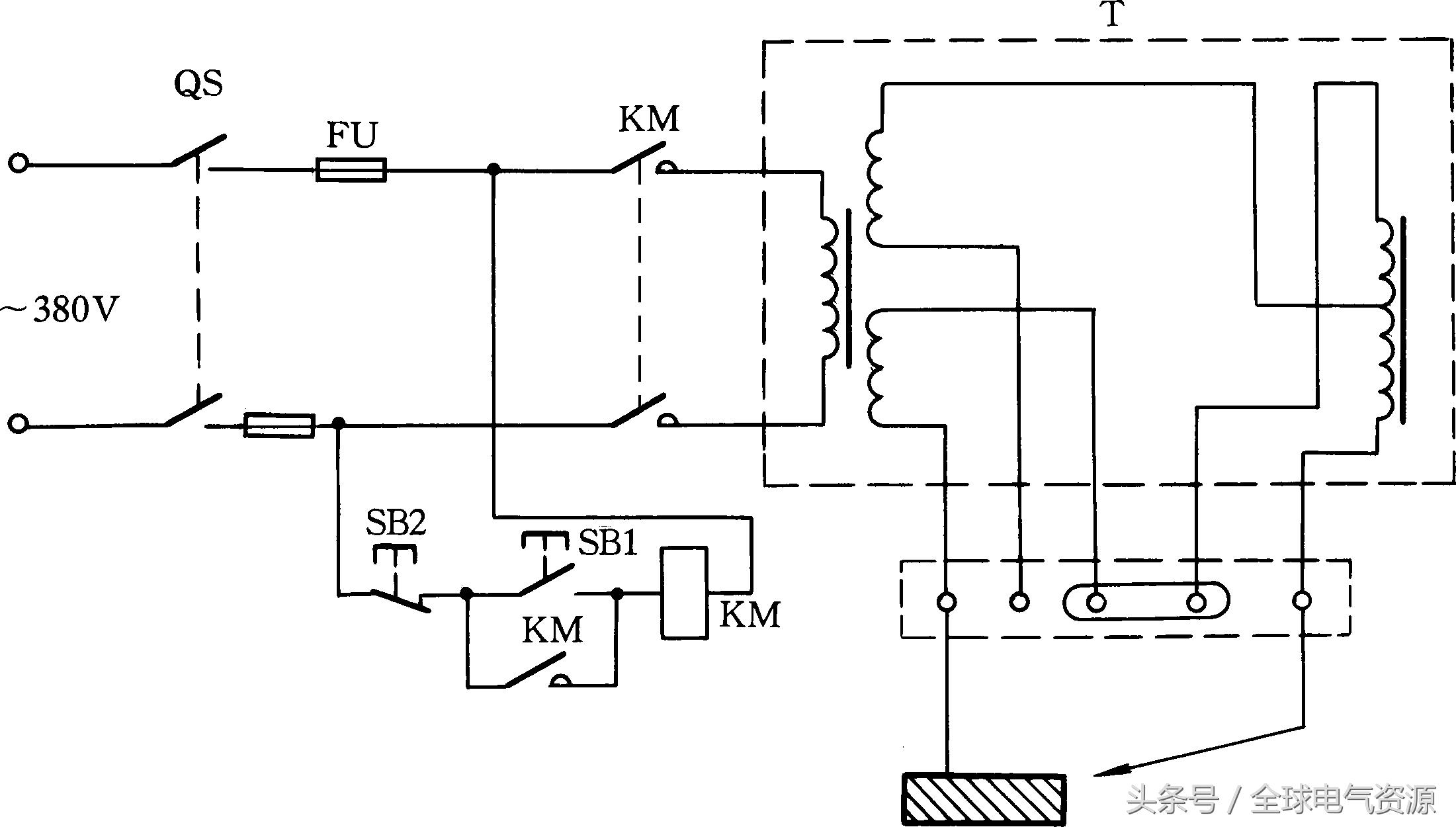
图11 他励直流电动机失磁保护线路
12.缺辅助触点的沟通接触器应急接线
当沟通接触器的辅助触点损坏无法修复而又急需使用时,采用图12中所示的接线方法,可满足应急使用要求。按下SB1,沟通接触器KM吸合。放松按钮SB1后,KM的触点兼作自锁触点,使接触器自锁,因此KM仍保持吸合。图中SB2为停止按钮,在停止时,按动SB2的时间要长一点。否则,手松开按钮后,接触器又吸合,使电动机继续运行。这是因为电源电压虽被切断,但由于惯性的作用,电动机转子仍然转动,其定子绕组会产生感应电动势,一旦停止按钮很快复位,感应电动势直接加在接触器线圈上,使其再次吸合,电动机继续运转。接触器线圈电压为380V时,可按图12(a)所示接线;接触器线圈电压为220V时,可按图12(b)接线。图12(a)的接线还有缺陷,即在电动机停转时,其引出线及电动机带电,使维修不大安全。因此,这种线路只能在应急时采用,并在维修电动机时,应断开控制电动机的总电源开关QS,这一点应特别关注。

图12 缺辅助触点的沟通接触器应急接线
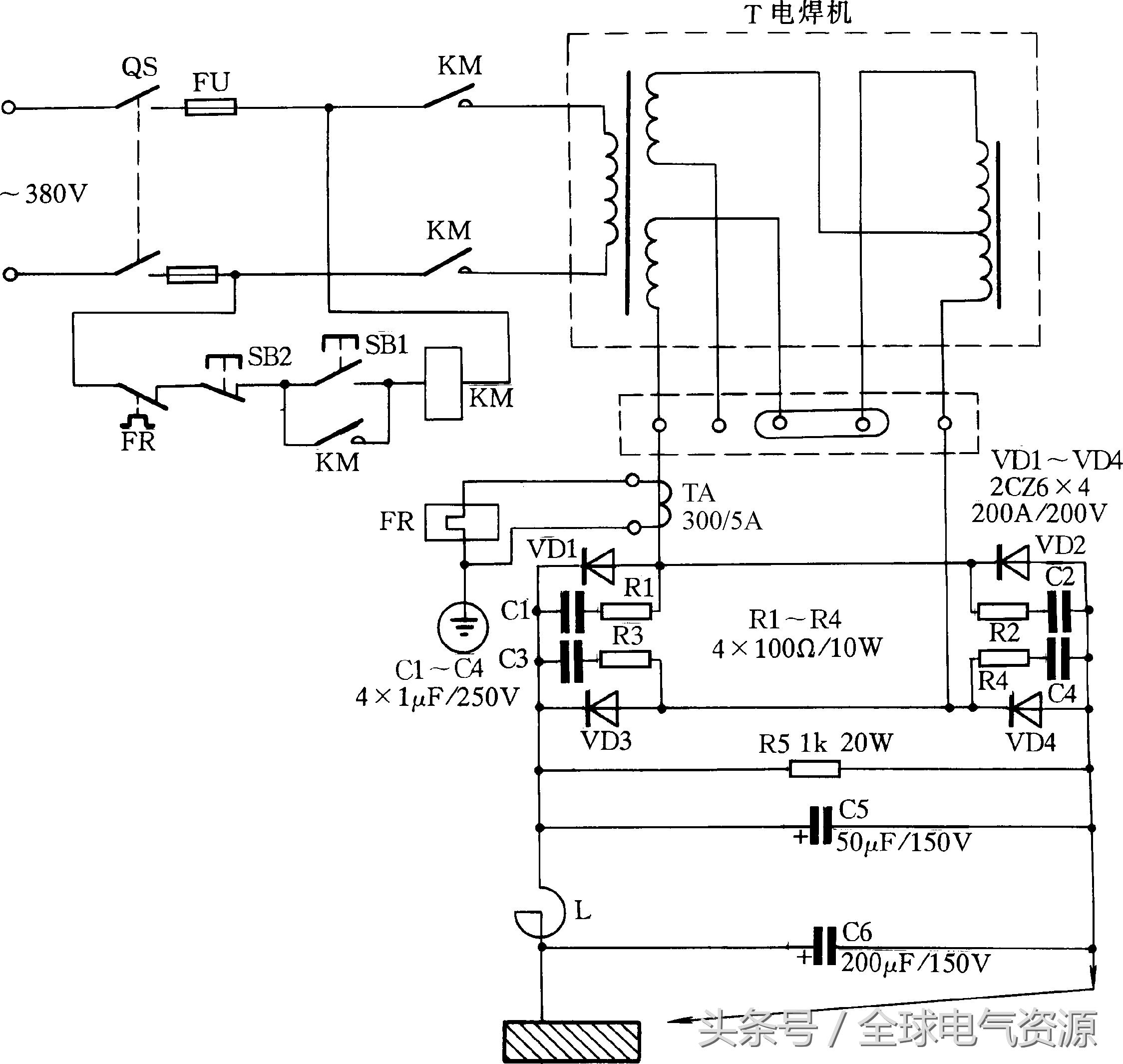
13.加密的电动机控制线路

图13 加密的电动机控制线路
为防止误操作电气设备,并防止非操作人员启动某些设备开关按钮,可采用加密的电动机控制线路,如图13所示。操作时,首先按下SB1按钮,确认无误后,再同时按下加密按钮SB3,这样控制回路才能接通,KM线圈才能吸合,电动机M才能转动起来。而非操作人员不知其中加密按钮(加密按钮装在隐蔽处),故不能操作此设备开关。
14.沟通接触器低电压启动线路
当供电电压在沟通接触器吸引线圈额定电压的85%以下时,启动接触器衔铁将跳动不止,不能可靠吸合,在沟通接触器的控制回路中串联一只整流管,改为直流启动沟通运行,就可以避免上述问题。沟通接触器低电压启动线路如图258所示。按下按钮SB1,经二极管VD半波整流的直流电压加在沟通接触器KM线圈上,KM吸合。其辅助触点将二极管VD短接,沟通接触器投入沟通运行。

图14 沟通接触器低电压启动线路
因为启动电流较大,所以这种线路只适用于操作不频繁的场合。线路中,VD应选用耐压大于700V的二极管,电流要根据沟通接触器线圈电流而定。
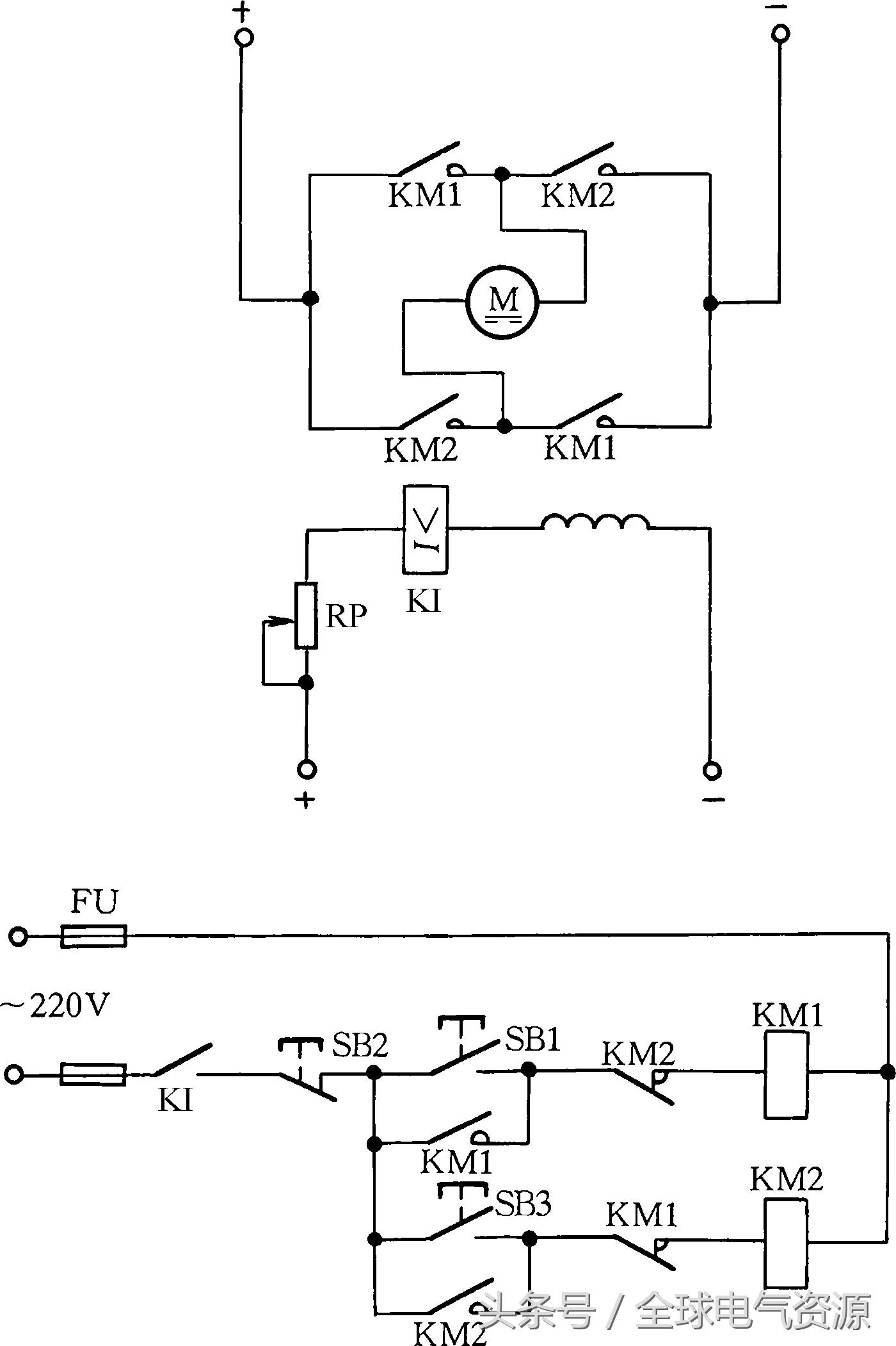
15.HF-4-81系列发电机控制线路

图15 HF-4-81系列发电机控制线路
HF-4-81系列发电机控制线路如图15所示,它与T2XV系列小型三相同步发电机配套。同步发电机的励磁系统采用电复合相复励调压。发电机端电压经线性电抗器L移相,然后与发电机负荷电路中的电流互感器5TA~7TA二次电压合成,经三相桥式整流器整流后,供发电机GS励磁自动调压。
16.单相电容电动机线路
单相电容电动机启动转矩大,启动电流小,功率因数高,广泛应用于家用电器中,如电风扇、洗衣机。为了便于维修安装,现介绍这种电动机常用的接线方法。
图16(a)为可逆控制线路,操纵开关S2,可改变电动机的转向,该线路一般用于家用洗衣机上。
图16(b)为带辅助绕组的接线线路,拨动开关S,可改变辅助绕组的抽头,即改变主绕组的实际承受电压,从而改变电动机的转速,此接线方法常用于电风扇上。
图16(c)为带电抗器调速的电容电动机接线线路。由于电抗器绕组(其在线路中起到降压作用)的串入,调节电抗器绕组的串入量,即可改变转速。这种方法目前广泛应用在家用电风扇线路中。在启动电动机时一般先拨到“1”挡上,即为高挡,这时电抗器不接入线路,使电动机在全压下启动,然后再拨“2”挡或任何挡来调节电动机转速。

图16 单相电容电动机线路
17.混凝土搅拌机线路
锥型JZ350型搅拌机线路如图17(即图中所示图261)所示,工作原理是当把水泥、砂子、石子配好料后,操作人员按下按钮2SBF后,2KMF接触器线圈得电吸合,使上料卷扬电动机2M正转,料斗送料起升。当升到一定高度后,料斗挡铁碰撞行程开关1SQ和2SQ,使2KMF断电释放。这时料斗已升到预定位置,把料自动倒到搅拌机内,并自动停止上升。此时操作人员按下下降按钮2SBR时,卷扬系统带动料斗下降,待下降到其料口与地面平齐时,挡铁碰撞行程开关3SQ,使2KMR接触器断电释放,自动停止下降,为下次上料做好准备,这时搅拌机料已备好,操作人员再按下3SB1,3KM接触器得电吸合,使供水抽水泵电动机3M运转,向搅拌机内供水,与此同时,时间继电器KT得电工作,待供水与原料成比例后(供水时间由KT时间继电器调整确定,根据原料与水的配比确定),KT动作延时结束,从而使3KM自动释放,供水停止。加水完毕即可实施搅拌。按下1SBF正转按钮,1KMF得电吸合,1M正转搅拌,搅拌完毕后按下1SB停止按钮即可停止。出料时,按下1SBR按钮,1M反转即可把混凝土泥浆自动搅拌出来。然后按下1SB,接触器1KMR断电释放,1M停转,出料停止。

18.自制实用的绝缘检测器
图18所示是自制的绝缘检测器线路,它既可用作线路绝缘监视,又可代替兆欧表检查电机、测电器的绝缘电阻。当合上隔离开关QS,在相电压作用下,整个绕组和接地外壳之间的泄漏电流流过绝缘层和电阻R1、R2。如果绝缘电阻合乎标准(即绝缘电阻值大于0.5MΩ),则泄漏电流很小时,在R2上的电压降小于氖泡的点燃电压,Ne不亮;当任意两相或三相同时对机壳的绝缘电阻降低时,泄漏电流大增,使氖泡Ne点燃,从而可判定绝缘不合格。

图18 自制实用的绝缘检测器
19.三相异步电动机改为单相运行线路
如果只有单相电源和三相异步电动机供使用,可采用并联电容的方法使三相异步电动机改为单相运行。
如图19所示:图(a)为Y形接法电动机连接方法,图(b)为△形接法电动机连接方法。为了提高启动转矩,将启动电容CQ在启动时接入线路中,在启动完毕后退出。
工作电容CG容量的计算公式
CG=1950I/Ucosφ(μF)
式中:I为电动机额定电流;U为单相电源电压;cosφ为电动机的功率因数。当计算出工作电容后,启动电容选用工作电容的1~4倍。

图19 三相异步电动机改为单相运行线路
20.热继电器校验台
热继电器在长期通电过程中易出现热老化现象,使其动作特性改变。要保持特性的一致性和稳定性,一个最重要的措施就是对热继电器进行定期校验。
热继电器校验台如图20所示,它主要由调压器TV、降压变压器T、电位器RP、410型毫秒表等元件组成。
三相双金属片(热继电器FR)应串联起来,接入试验回路。校验前,先检查热继电器的刻度电流与电动机的额定电流是否相符。然后给热继电器通以1.05IN(额定电流,通过调整RP实现)电流,检查其同步性,即三相双金属片是否同时接触。如不同步,则用平口钳钳住双金属片与支架点焊处,来调整同步性。同步性调好后,首先做启动试验,给热继电器FR通以6IN的电流,它在5s内不应动作;其次做运行试验,给FR通以1.05IN电流,使热继电器加热到稳定热态,过30min后,慢慢地调节RP,使FR动作,再稍往回旋一点,使FR触点断开;再将试验电流提高到1.2IN,此时FR应在20min内动作。这样,热继电器的整定校验方告结束。
调整校验时应关注以下两点:①不允许用钳子钳弯双金属片,以免影响保护的稳定;②校验连接导线应有足够的截面积,以免影响动作时间。

图20 热继电器校验台
21.绝缘耐压测试仪线路
这种绝缘耐压测试仪可测灯具,将待测灯具与A、B两接线柱接好,按下按钮SB1,中间继电器KA1得电并自锁;然后将调压器VT(1∶10,输出0~250V)调至需测的电压值,如需调到1500V则将VT调到电压表指示150V(同理,作2000V耐压时,调到电压表指示200V),经时间继电器KT延时后,电源自动切断,见图21。
若被测物绝缘击穿,电流即迅速增加,过电流继电器KI动作,KA2得电动作并自锁,KA1失电,KA1的常开触点切断主回路电源,蜂鸣器HA发出声响,按下SB2后电路全部关断。应用操作这种仪器时,要特别关注人身安全,工作通电时,高压测试区禁止人靠近。

图21 绝缘耐压测试仪线路
22.用一根导线传递联络信号线路

图266 用一根导线传递联络信号线路
在某些生产过程中,需要两地的生产人员能传递简单的信息,以协调工作。图22所示是用一根导线传递联络信号线路。两地中各有一只双掷开关控制信号灯联络,信号灯分别装在两地,一地一个。当甲地向乙地发联络信号时,拨动开关S1,乙地的指示灯亮,待乙地完成甲地所指示的任务后,乙地可把开关拨至“联络”位置,通知甲地工作已完成。
23.用单线向控制室发信号线路
图23所示线路可使甲乙两地都能向总控制室发联络信号。当甲地向总控制室发信号时,按下按钮SB1,控制室的电铃告警。同理当乙地向总控制室发信号时按下SB2即可。甲乙两地信号可用信号铃声的时间长短或次数区分。

图23 用单线向控制室发信号线路
24.利用热继电器制作限电器线路
热继电器多用于电动机过流保护,但在一些集体用电单位或用电场所也可作为限电器。
具体制作方法如图24所示。热继电器手动复位时,需将热继电器复位螺丝旋出。选用热继电器的额定电流和用户总的额定电流一致。

图24 利用热继电器制作限电器线路
25.两种自装沟通电源相序指示器
用电阻、电容、氖泡可组成一小型电源相序指示器。当电源按顺相序L1、L2、L3接入时,氖灯就亮;按逆相序L2、L1、L3接入时则氖灯不亮。线路如图25(a)所示。
第二种方法是:用一只2μF、耐压为500V的电容和两只相同功率(220V/60W)的白炽灯泡,便可做成一个沟通电源相序指示器,见图25(b)。

图25 两种自装沟通电源相序指示器
工作原理:由于电容移相,改变了其中一相的相位差,作用到HL1和HL2上的矢量电压不等,其规律是L2相矢量电压大于L3相矢量电压。故按图25(b)连接后,电容接电源L1相,那么可知灯泡光线较强的一端是L2相,光线弱的一端则为L3相。
26.测定电动机三相绕组头尾的两种方法
在电动机6根引出线标记无法确认时,我们可利用沟通电源和灯泡检查电动机三相绕组的头尾端,以免将绕组接错。

图26 测定电动机三相绕组头尾的两种方法
用沟通电源和灯泡确定电动机三相绕组的方法是:首先用36V低压灯做试灯,分出电动机每一相线圈的两个线端,然后将两相线圈串接后通入220V电源,剩下的一相线圈两端接36V的灯泡线路通入电源后,灯泡发亮,说明所串联的两相是头尾相接;灯泡不亮,说明是头头相接,如图26(a)所示。然后将测出的两相线圈头尾做一标记,再按此方法将其中一相与原来接灯泡的一相线圈串联,另一相连接灯泡,再按同样道理判断,电动机三相绕组的头尾就很容易区分出来了。
另一种方法是用万用表测定电动机三相绕组头尾,首先用万用表测量出电动机6个接线端哪两个线端为同一相,然后将万用表的直流毫安挡拨到最小一挡,并将表笔接到三相绕组的某一组两端,而电池正负极接到另一相的两个线端上。如图26(b)所示,当开关S闭合瞬间,如表针摆向大于零,则说明电池负极所接的线端与万用表正极表笔所接的线端是同极性的(均可认为是头)。依此类推,便可测出另外两相的头和尾。
27.用耳机、灯泡组成简易测线通断器
图27(a)、(b)是最简便的线路通断检测器。当测得导线通路时,灯泡会发光,耳机在通断瞬时会发响;当线路断路时,耳机不响,灯泡不亮。这种方法简单易行,非常适合初学电工制作工具仪表或代替万用表做测量,其优点是携带方便。

图27 用耳机、灯泡组成简易测线通断器
28.一种简易测量导线通断的接线方法
图28所示是一感应测电笔线路。它可方便地测出导线的断芯位置。
在用来测导线断芯位置时,在导线一端接上220V的电源相线,然后用感应测电笔的探头栅极靠近被测导线,并沿线移动。如果发光二极管在移动中突然熄灭,那么此处便是导线断芯位置。

图28 一种简易测量导线通断的接线方法
29.用行灯变压器升压或降压一法

图29 用行灯变压器升压或降压一法
在某些地方,因网路电压长期较低或者是由于夜间用电量减少,网路电压升高,一些电器不能正常工作或损坏,利用行灯变压器升压或降压可满足需要,见图29。
采用此法应关注两点:一是在接线前必须把行灯变压器次级一端与壳体的连接线(保护接地线)拆除;二是要关注行灯变压器的初、次级绕组的电流都不能超过各自的额定电流值。
30.检查晶闸管一简法
利用图30所示的简便方法可检查晶闸管的好坏。当开关S断开时灯泡不亮,而当开关S闭合后灯泡发亮,说明晶闸管能导通工作,否则晶闸管就是坏的。此方法对一般晶闸管均能测试,灯泡选用1.5V小电珠灯泡。

图30 检查晶闸管一简法
31.用电焊机干燥电动机线路
如果电动机受潮,而体积又较大,很不容易拆下放在烘箱内干燥。可将电焊机低压电通入电动机三相绕组,用电流升温干燥电动机。此方法适用于干燥20~60kW的电动机,电焊机的容量应根据电动机容量而选用。通入电动机绕组线圈的电流可由电焊机来调节,但在烘干时应关注通入电动机的电流不能超过电动机本身额定电流太多,并且关注观察电动机和电焊机温度都不能升得过高。线路参见图31。

图31 用电焊机干燥电动机线路
32.变压器短路干燥法
把变压器的一侧绕组短路,另一侧用自耦变压器施加电压,使变压器绕组内流过额定电流,依靠绕组铜损(I2R)产生的热量来加热变压器,可达到干燥变压器的目的,如图32所示。本方法简便实用,干燥升温快。但需用自耦变压器容量也较大,一般比被干燥变压器的容量大10%以上。另外此法也容易产生局部过热,并且耗电量较大,所以,一般只适用于被干燥变压器容量不大的情况下。为了安全起见,一般都从变压器低压侧施加电压,而把高压侧短接。对三绕组变压器,只能把其中一个绕组接电源,另一个短路接地,而第三个绕组要开路。使用短路干燥法应关注观察短路侧的电流不能超过该侧的额定电流太多。

图32 变压器短路干燥法
33.巧用变压器
有些地区的电压常低于220V;而有些地区的电压则高于220V;那么用现有的双绕组变压器接成自耦变压器来升高或降低电源电压;即能使额定电压为220V 的用电器正常工作;如图33所示。当开关S 打在“升压”位置时;变压器相当于一个自耦变压器;将电源电压升高6. 3V;如将开关S 打在“正常”位置时;负载是直接接到电源上;输出电压仍为电源电压。图中的黑圆点表示绕组的同名端。如果将初、次级的连接线改为同名端相连;则输出电压将降低6. 3V。采用这种接法;负载电流不得大于初、次级的额定电流。网路电压如经常比220V 低(或高)30 ~40V;可选220V/36V 的变压器连接。

图33 巧用变压器
34.扩大单相自耦调压器调节电压范围线路
一般的单相自耦调压器调压范围是0~250V。但有时需要高于250V的可调电压,那么按图34接线,可以得到0~406V连续可调的输出电压。当S打在“1”挡位置时,输出电压为0~250V;将S打在“2”挡位置时,输出电压为220~406V。

图34 扩大单相自耦调压器调节电压范围线路
35.单相、三相自耦调压器的接线
单相自耦调压器在工厂等应用极为广泛。其接线线路如图35(a)所示。
三相自耦调压器的接线线路如图35(b)所示,这种接触式自耦调压器为可调型,它可作为带负载无级平滑调节电压用的用电设备。三相自耦调压器是将3个单相自耦调压器叠装而成的,电刷同轴转动,按Y形接法连接。

图35 单相、三相自耦调压器的接线
36.自制一种能消除感应电的验电笔
在测验三相沟通电时,如果带电的线路较长,即使三相沟通电缺一相电源,用一般的验电笔测试也很难判断出是哪根电线缺相(因为线路较长,并行的线与线之间产生的电容容量增大,使不带电的某一根电线产生感应电)。为了快速、准确地判断,可在一般的低压验电笔的氖泡上并联一只1500pF小电容,这样在测强电时,电笔照常发光。而测得的是感应电时,感应电会通过电容再经过人体被大地吸收掉,所以电笔不发光。在自制这种验电笔时应把电笔上串联的保护电阻放在测电笔线路的最前端以保障安全,见图36。

图36 自制一种能消除感应电的验电笔
37.单电源变双电源线路
在实际工作中,往往用电设备为双电源,并且对称。在手头只有单电源的情况下,按图37所示连接,即可使其变为双对称电源使用。

图37 单电源变双电源线路
38.一种限位器接线方法
车间安装的行车、吊葫芦的起重电动机上,往往需安装保护限位装置,在电动机通电后,避免人为操作失误或接触器触点粘连或铁芯极面脏而不释放造成超上限或超下限工作。因此,限位器在工厂和企业应用极为广泛。这里介绍一种常用限位器接线方法,这种限位器主要用于行车的上下电动机限位。当吊钩高于限制位置时,它会使电动机自动断开电源。这种方法一般是断开主电机电源线,而不是用控制线控制接触器通断电动机停止限位,其优点是万一接触器触点熔在一起不能断开时,限位器同样能起到保护限位的作用。其接线方法如图38所示。

图38 一种限位器接线方法
39.沟通电焊机一般接法
沟通电焊机一般接法如图283所示。当合上刀闸QS时,按下按钮SB1,接触器KM得电吸合;松开按钮SB1时,KM自锁触点自锁,电焊机继续得电工作。当按下SB2时,电焊机停止工作。

图39 沟通电焊机一般接法
40.自制交直流两用弧焊机
沟通弧焊机加上一套硅整流装置,就可成为一台交直流两用弧焊机,见图40。
电路中VD1 ~ VD4 为4 只硅整流二极管;R1 ~ R4、C1 ~ C4组成硅整流器件的过压保护电路;FR 为过流继电器,保护硅整流器件。当负载电流超过额定值时,电流互感器次级电流相应增加,带动继电器FR 动作,FR 常闭触点打开,接触器KM 释放,触点打开切断电焊机电源。硅整流器件用0. 25kW 风扇作风冷设备。图中,C5 为滤波电容,R5 为泄放电阻。

图40 自制交直流两用弧焊机
41. 利用硅整流器件电镀线路
在电镀过程中,常常利用硅整流器件的调压电路进行工作,其工作原理如图41所示。当需进行工作时,按下按钮SB1,接触器KM1 线圈通电,主回路中触点闭合,线路输出直流电压。与此同时,KM2 也得电动作,接通电扇,对硅整流器件以及调压器吹冷风降温。线路中KI 为过流继电器。

图41 利用硅整流器件电镀线路
★
来源于《电工实用线路300例》,作者:王兰君
版权归原作者所有,若有侵权,请联系删除
★
看完文章后,您可以:
1、分享到朋友圈,把正能量传递给更多的人!
2、关注微信公众号:全球电气资源(ID:qqdqzy888)或我们的官方网站(www.ourger.com)获取更多有用电气专业知识、图纸、计算软件及资讯。

猜你喜欢:
五种常用电动机软启动接线方法
六种建筑、楼房装修布线接线图
三菱梯形图的基本电路
双控开关改其中一路为单控的接线和配对
25例灯具接线图,实用!