电的供应是酒店的首要动力,一个可靠的电力系统至关重要。没有可靠的供电,酒店将不能正常运行。
安全是首先考虑的,不但要考虑终端用户,还需考虑其维护和保护系统。保护系统中采用各个水平的故障识别措施以获得良好的安全性,同时使断电的次数最少。
效率是另一重要的因素,因为电费是所有公共供应中最贵的。除了采用高效的设备和附件外,还应采用各种配电容量和能量的调整系统,如应将建筑物自控系统的相互关系并入到节能和能耗管理的设计中,以节省能源费用的支出。
电气系统至少应包括:
|
电引入设施 |
备用电系统 |
|
配电网络 |
电路 |
|
插座和引出线 |
配电系统 |
|
电动机 |
接地系统和照明系统 |
|
各种设备 |
生命安全保护保护设备 |
与住宅类项目不同,酒店供电属商业类用电,具有:
供电容量大-如上海北外滩茂悦为变压器总装机容量为12000kVA、国际广场20000kVA(含商场);
供电电压等级高-不低于10kV、国际广场为35kV;
市政供电回路多-不低于二路、福州项目为三路供电;
变压器台数多-上海北外滩茂悦为8台;
变压器容量大-2000kVA变压器组大量使用;
建筑物内必须采用干式变压器;
电费采用高压进线、高压计量之方案,必须采用供电部门提供之电压、电流互感器,计量屏;
电费价格高-与居民用电相比,上海地区商业用电峰值时间段费用为居民电费的1.5倍;
大功率设备较多-如1000冷吨冷冻机组功率约650kW,起动时对电网冲击较大。
设计时必须综合考虑上述因素。
五星级酒店项目也分超五星级、五星级、准五星级、次五星级,按建筑分类均属于一类建筑物。
酒店配套设施负荷性质不同可分为一、二级负荷。
一级负荷为中断供电将造成人身伤亡、重大政治影响、经济损失并造成公共场所混乱者,如酒店的:消防设施、应急照明用电、酒店经营管理及设备管理用计算机、电源安全防卫设施;部分电梯、给/排水泵房、厨房用冰库/冰柜、高级客房、宴会厅等。
二级负荷为中断供电将较大重大政治影响、经济损失并造成公共场所混乱者,如:普通客房用应急照明、冰箱等;
酒店一级、二级负荷占所有负荷的比重较大,必须采用二路及以上的市政电网供电、发电机作后备电源的方案。
每路市政电源的供电容量各为50%总负荷。 高压侧采用单母线分段运行,变压器低压侧采用单母线分段运行加联络方式,主开关与联络开关间设电气加机械联锁;平时分列运行,当一路失电时,另一路电源可带全部一级负荷及部分重要负荷。
|
供电数量 |
每路供电能力 |
冗余量 |
备注 |
|
|
世茂 |
2路 |
50% |
无 |
二用无备 |
|
3路 |
50% |
50% |
二用一备 |
|
|
洲际 |
2路 |
100% |
50% |
二用全备 |
|
3路 |
50% |
35% |
三用全备 |
希尔顿/洲际的标准高于项目分别与其沟通与落实;
北方地区气候较恶劣,冬季可能无法检修外线电缆,二路供电可考虑每路电源的供电容量各为75-100%总负荷之方案。
集团酒店项目均位于一、二线城市,其供电可靠性较高。
据国家电网07年度统计资料,供电可靠率:上海为99.977%(1年内有2.0小时的故障性停电)、北京99.938%(1年内有5.5小时的故障性停电)、沈阳99.898%(1年内有9.0小时的故障性停电)、福州99.887%(1年内有9.9小时的故障性停电);
据国家电网07年度统计资料,故障停电时间X分布率:X≤1小时占总故障停电次数44.196%;X>8小时占5.694%。
另、检修停电为预先通知,夜间进行,一般不影响酒店的运行。
酒店变压器装机容量指标值
|
超五星级 |
100~110VA/M2 |
五星级 |
100~110VA/M2 |
|
准五星级 |
90~100VA/M2 |
次五星级 |
90~100VA/M2 |
酒店计算用电量指标值为上述值*0.8,实际用电量指标值为上述值*0.6。功率因数取0.9。
存在地区指标值差异,如北方地区夏季空调用电量低于南方,则用电指标值应取下限值;
如项目地下车库面积较大,车库用电应按20-40VA/平方米分别计算。
如变压器总装机容量设计过大,增加初投资的同时也增大每月的运行电费用。
如上海世茂国际广场07-08年电费账单:7-9月份用电指标值不大于变压器装机容量的50%,用电贴费占总电费的9.3%;12-4月用电指标低于变压器装机容量的40%,用电贴费上升至总电费的15.4%。
注:用电贴费为每月需付出与实际用电量无关的费用:计费方式为用户估算下月可能最大时用电量*39元(如实际时用电量超出估算值,相关部门按较高单价取费)估算值不得低于变压器装机容量的40%。
建筑物内应采用干式变压器,禁用油浸式变压器。
如非当地供电部门要求,应采用不低于SCB10节能型干式变压器。不提倡采用价格较高的非晶合金节能干式变压器。
10kV级变压器容量不宜超过2000kVA,如超过2000kVA,建议与我司商讨。不宜低于800kVA,应控制变压器的数量。
部分变压器位于高区避难层,应有修理与更换变压器的应急预案。
高区避难层之变压器高压进线端需采用带隔离刀闸的负荷开关柜。
根据变/配电房面积的大小,变压器可与低压开关柜贴邻安装,变压器的防护外壳为IP4X;或分开安装,变压器的防护外壳为IP2X。
变压器房应有足够的通风散热措施,必要时可引入冷空气。
应采用低噪声的变压器组,要求满足声学顾问的噪声指标。变压器下部应设避震橡胶垫,防止引起建筑结构低频震动。
35kV级或以上变压器容量可按项目需求。应了解当地35kV电网电压波动状况,复核是否需设有载调压装置,以避免低压未端设施因电压波动而造成损坏。
低压馈电柜可设数字集成电表以实现集中计量方案,基本显示功能为电压、电流,千瓦/小时、千伏安/小时,其它功能可按需求配置;数字电表应以直读式为主,一般不设通讯接口,以控制总投资。数字电表的计量精度不低于2.5级。部分地区供电局按峰、平、谷或平、谷时间段收取电费,计量用电表应具有可设置时间段的计量功能。
如低压馈电柜直接供电给各功能区,下级配电柜可不设计量用分表,如需分别供多个功能区用电,则按酒店管理公司需求分设多个本地计量用电度表。
以下区域应设置计量用电度表:厨房、冷冻机房(含冷却塔)、锅炉房、洗衣房、电梯机房、商场、健身房、游泳场、餐厅、宴会厅、室外照明及功能用房等
现场计量用电表应设置在易于操作,易于抄表的地方,不应设置在天花吊顶内。需采用满足当地供电部门认可之表具与品牌。
计量装置不建议接入BA系统,以避免投资增大、系统的不稳定。
配电柜之断路器选用方案:
变配电房低压配电柜断路器的选用:
受电断路器应采用框架式断路器ACB(AirCircuitBreaker);配电断路器输出电流大于630A宜采用ACB,其它应采用塑壳式断路器MCCB(MouldedCaseCircult—Breaker);
输出电流大于200A可采用可调电子式(微处理器)过流保护脱扣器,其它宜采用可调热/磁式过流保护脱扣器。与消防无关的配电断路器应设分励脱扣器,火警时可按区分别切断电源;断路器额定极限短路分断能力电流值Icu应由设计院计算,按变压器容量值复核.以下参数仅供参考:如变压器容量值为2000kVA、Icu不低于55kA;变压器容量值为1600kVA、不低于45kA;变压器容量值为1000kVA、不低于30kA。
建议除母联开关、双电源切换开关采用四极外,其它均采用三极开关,以避免零线断开,提高供电安全性及节省投资。
二级配电柜/箱断路器的选用:
除冷冻机房大电流配电柜的受电断路器可采用ACB,其它箱/柜的受/配电断路器应采用MCCB;额定电流低于35A的配电断路器如直接负载时,可采用小型断路MCB(MiniatureCircuitBreaker);
受电断路器应采用可调热/磁式过流保护脱扣器;配电断路器可根据运行电流大小采用可调或不可调热/磁式过流保护脱扣器;MCB应采用固定热磁式过流脱扣器。
在上级低压配电柜断路器的级联(限流)保护下,MCCB断路器短路分断电流值Icu可采用不低于25kA;MCB断路器分断电流值Icu可采用6kA。
二级配电箱如用于照明类负荷,进线开关应采用四极开关。其它类负荷宜采用三级开关。
3.未端配电箱断路器的选用:
动力用配电箱受电断路器可采用MCCB;输出断路器之电机功率大于10kW或输出电流大于35A可采用MCCB,其它均采用MCB;
照明用配电箱受/配电断路器应采用MCB。如受电电流大于50A、其受电断路器可采用MCCB;
均采用可调或固定热/磁式过流保护脱扣器;
4.应严格控制大尺寸断路器输出小电流现象;严格控制二、三级配电箱/柜使用高分断能力断路器;控制使用电子式(微处理器)过电流脱扣器。
酒店发电机组:
应急供电范围:生命安全系统、消防系统、维持酒店基本运行系统、经济损失严重设施。其最优先级为生命安全与消防系统。
发电机组负荷主要是消防紧急供电及维持酒店营运之非消防紧急供电,二种情况不同时发生,一般设计按两种供电情况较大负荷者选定机组的容量。建议优先按消防紧急供电负荷考虑选取发电机容量,如维持酒店营运之非消防紧急供电负荷较大,是否可减少维持酒店营运所需要之紧急供电负荷,以节省投资。
市政供电断电后,发电机正常供电的时间间隔10-30秒,10秒内应供电给酒店重要负荷,30秒内完成所有应急供电。各重要部门电脑及弱电设备应自带不间断电源(UPS)以保证相关数据的储存及运行,收银台照明应自带蓄电池供紧急照明。
发电机燃料储存容量:按消防规范,室内之日用油箱不大于1m3,室外之储油罐不大于15m3。一般酒店均设燃气、燃油两用锅炉。室外储油罐兼供锅炉、发电机用油,如市政供气、供电发生故障时,应以发电机用油为优先级,并计算发电机组可运行时间值。
安全照明系统分:疏散照明、安全照明、应急照明三大类。
疏散照明:当正常照明电源故障熄灭后,在事故情况下为确保人员安全地从室内撤离而设置的照明。分安全出口标志灯、疏散通道指示灯,以正确的引导人员就近疏散,上述灯具应配置蓄电池。
安全照明:在正常照明电源故障时,为确保处于潜在的危险场所、危险人员的安全而设置的照明,照明转换时间不应大于0.5S。如宾馆前台收银台、商场中心的收银台等,上述灯具应配置蓄电池。
应急照明:在正常照明电源故障时,为确保正常工作或活动继续进行而设置的照明。
前二种照明应采用蓄电池作后备电源,其照明转换时间极短,蓄电池持续供电能力应不低于90分钟。酒店项目已设置发电机组,上述三种照明均采用发电机作后备电源。
上述灯具的设置应满足国家消防规范与酒店生命安全之需求。
带蓄电池组灯具接线为三(四)线制,由不间断电源线(带浮充电功能)、可关断电源线、另线及按需求增设的接地线。当不间断电源线失电后、转为蓄电池组供电并点亮灯具。
客房进户配电箱:
每套客房应设客房配电箱,应设置在进户小走道衣柜上方或卫生间花吊顶内,易检修位置。其空间应满足配电箱与RCU控制箱同时安装的尺寸。天花板上应留有不小于300×300的检修孔
正常供电电源进线为3×6mm2,应急电源为3×2.5mm2;
客房配电箱应设置单相进线断路器:
常用电源进线(32A);
应急电源进线(10A);
该断路器应具有过载保护、短路保护等功能,并可同时断开相线和中性线。应选用带N极的二极开关。
酒店客房用快速电热水器最大为2kW,吹发风机最大为1.8kW。
客房配电箱应提供以下输出电路:
1路客房照明(10A);
4路带漏电保护的客房插座电源:
清洁电源、电视机电脑电源、电水壶电源。
卫生间插座(含电吹风)电源。
1路风机盘管电源。
1路应急用电照明(10A);
1路应急用电插座(10A)如需要;
RCU控制箱直接接至应急供电输出开关回路;
配电箱的配出回路应符合以下规定:
进线保护断路器应具有过载保护和短路保护功能,并宜同时断开相线和中性线。
电源插座回路应有漏电保护。五星级酒店宜以电子式漏电断路器为主;超五星级酒店可采用电磁式漏电断路器。
单相插座回路装设的漏电断路器,应提倡采用1+NA组合型。
为将来的扩充预留20%的空间,或预留一个照明、一个插座回路断路器
分支回路的截面不应小于2.5mm2。
应与客房智能控制箱互相配合。
电费分析:
电费案例分析:
现提供上海地区2008年电费收取标准及上海世茂皇家艾美酒店2007年9月至2008年10月电费帐单。
不同的供电电压等级,收取不同的电费价格,如10kV高出35kV约2-3%。上海世茂皇家艾美酒店变压器装机容量为20000kVA,需35kV等级供电。
每月需交与实际用电量无关的基本用电贴费:计费方式为用户估算下月可能最大时用电量*39元,估算值不得低于变压器装机容量的40%。或按变压器总装机容量*26元计算收取。
按峰(8-11时、18-21时),平(6-8时、11-18时、21-22时),谷(22-6时)三个时间段,按不同的收费标准收取实际用电费用。
功率因数调整费用:供电局标准为0.85,如实际用电低于0.85将罚款、高于0.85有奖励。从帐单可见7-9高峰月功率因数为0.93,功率调整为-0.95%,分别奖励14670元与16693元,占电费的0.96%;12-3低谷月功率因数为0.95,功率调整为-1.10%,分别奖励9557元与10350元,占实际电费的1.1%。每年累计可奖励25-30万元。(注:电容补偿柜按100%用电量时功率因数0.9设计,由于用电量仅38-50%、导致实际功率因数值提高)
尚有地方性收取费用,如上海的市政附加税(0.035元/kwh)。
关于电费的几点建议:
关于功率因数标准、洲际集团要求0.98,希尔顿要求0.95,均高于国内不低于0.9设计标准,此将增大电容补偿柜投资。建议机电顾问提供需增大电容柜的费用价格,项目公司征询当地供电部门有关功率因数调整的奖罚系数,综合分析投资回收期,以选择适当的功率因数值。
如变压器总装机容量设计过大,增加初投资也增大每月的运行费用,如7-9月份帐单用电指标不大于变压器装机容量的50%,基本用电贴费占总电费的9.3%;12至4月淡季用电指标低于变压器总装机容量40%,导致基本贴费上升至总电费的15.4%。而且远低于变压器经济运行负荷率75-80%的指标值(变压器自身损耗率增大)。
合理的设计变压器装机容量,合理的选择功率因数等基本参数,将节省大量的初投资与运行费用。
与各专业管理综合布线时的关注事项:
设备层母线应位于各管线层的最上方,如下方有给水管道阀门处应有必要的防水措施,应留出母线的检修空间,供定期检查与紧固缧栓用。
电缆桥架及管线应位于给水管道上方,并留出安装线缆与检修空间。
消防用桥架及配管应采用耐火桥架或外涂防火涂料,以利于消防验收的通过
客房、大堂、会议室及餐饮等与精装饰有关区域的管线、开关插座之接线盒位置应密切与精装饰专业沟通,编制准确位置尺寸之综合吊顶图及立面图。如精装饰有变动,应及时了解并相应调整,以降低工程的返工量。
加强样板房的示范效果,工程施工应以其相关尺寸、位置,不得随意变动。由于建筑施工误差较大,在机电安装前应复核建筑尺寸是否有偏离、并及时调整 。
强、弱电专业线管必须分开设置,强、弱电专业插座必须有一定的间距,以避免相互信号的干扰。
过楼板及防火区之线槽、桥架必须采用防火材料严格封堵。
管线安装必须严格按规范要求安装过线盒,特别是客房,便于日后不需拆卸装饰即可更换电线。
方案设计中需关注的典型问题:
变压器总装机容量偏大,部分酒店变压器总装机容量指标达138VA/平方米,建议按标准执行。另、如项目地下车库面积较大,则车库用电应按20-40 VA/平方米分别计算。
低压配电柜/箱之断路器型号及短路电流容量选择不合理,存在大马拉小车现象,过多采用高分断能力的断路器,过多采用四极开关或断路器,造成投资增大。建议按有关低压配电柜/箱之断路器选型标准执行。
过多的、不合理的采用耐火电缆,部分酒店采用矿物质绝缘耐火电缆,造成投资增大。建议与消防无关之电缆采用普通电缆,除设计规范要求部分供电最前端回路需采用矿物质绝缘耐火电缆外,其它应采用云母绝缘电缆。
过渡使用防浪涌保护器(SPD),建议高压开关柜、低压总进线与联络开关柜、双电源切换柜、弱电配电柜/箱、裙房或高区屋顶风机或设备用配电柜/箱需设置防浪涌保护器。其它应与设计院/机电顾问复核当地规范,少用或不用设置防浪涌保护器。
对部分多雷或开阔地区,弱电设备线缆引入建筑物时,应考虑采用适配的信号线路浪涌保护器,浪涌保护器应符合设计要求。
弱电接地系统设计不合理,造成信号干扰。建议弱电机房应设专用直流(含信号)接地铜排,且直流接地不充许与沟通电源工作接地相短接或混接,以避免电磁信号的干扰。
强电施工管理中哪些部位需重点控制:
配电箱/柜的安装、配线不符合要求:
箱体与墙体有缝隙,箱体不平直。
箱体内的沙浆、杂物未清理干净。
箱壳的开孔不符合要求,特别是用电焊或气焊开孔,严重破坏箱体的油漆保护层,破坏箱体的美观。
落地的动力箱接地不明显(做在箱底下,不易发现),重复接地导线截面不够。箱体内线头裸露,布线不整齐,导线不留余量。封堵不严实。
电线管敷设不符合要求:
电缆管多层重叠,高出钢筋的面筋。
电线管2根或2根以上并排紧贴。
电线管埋墙深度太浅,甚至埋在墙体外的粉层中。管子出现死弯、痛折、凹痕现象。
电线管进入配电箱,管口在箱内不顺填,露出太长;管口不平整、长短不一;管口不用保护圈;未紧锁固定
部分室外灯线管需途经及预埋在大堂大理石下,如出现故障则无法维修,建议适量增加备用线管与电线,并在适当距离增加穿线盒。
导线的接线、连接质量和色标不符合要求:
多股导线不采用铜接头,直接做成“羊眼圈”状,又不扩锡。
与开关、插座、配电箱的接线端于连接时,一个端子上接几根导线。
线头裸露、导线排列不整齐,没有*绑捆**包扎。
导线的三相、零线(N线)、接地保护线(PE线)色标不一致,或者混淆。
开关、插座的盒和面板的安装、接线不符合要求:
线盒预埋太深,标高不一;面板与墙体间有缝隙,面板有胶漆污染,不平直。
线盒留有沙浆杂物。
开关、插座的相线、零线、PE保护线有串接现象。
开关、插座的导线线头裸露,固定螺栓松动,盒内导线余量不足。
电缆、母线安装不符合要求:
电缆安装后没有挂牌,电缆在电缆沟、桥架中敷设杂乱。
在竖井中,电缆孔堵封不严密;垂直固定电缆的支架太小,太软,向下倾斜
电缆穿过进户管后没有封堵严密。
接线端子(线耳)过大或过小,壁太薄,压接头时破裂。
母线的插接箱子安装不平直,各段母线太长,不易运输和安装。
母线紧固螺栓应严格按厂家要求力矩旋紧,部分厂家须承包商自行配备力矩扳手旋紧在合适之力矩。
灯具安装不符合要求:
灯具上方之其它专业管线安装没有理会灯具安装,没有预留足够空间或高度安装而迫使灯具移位,不在中心点上。部分低压灯具如石英灯自带变压器或镇流器,需预留灯孔上方安装空间。
成排灯具的水平度、直线度偏差较大。
天花吊顶的简灯开孔大大、不整齐,引起灯具安装松动且易脱落,不美观及可能伤害客人。
水下灯具须采用低压12V,防护等级不低于IP68。防水灯头电源线应预留不低于0.5米长度,以方便在水面上更换灯管。电源线应考虑低压大电流,避免线路压降导致灯具无法正常工作。需采用安全隔离型变压器,一、二次线圈绕组需隔离,输出电源中性线必须与接地线绝缘。
防雷接地不符合要求:
引下线、均压环、避雷带搭接处有夹渣、焊瘤、虚焊、咬肉、焊缝不饱满等缺陷。
焊渣不敲掉、避雷带上的焊接处不刷防锈漆。
用螺纹钢代替圆钢作搭接钢筋。
直接利用对头焊接的主钢筋作防雷引下线。
铝框架幕墙、卫生间金属管道或设备存在漏接现象。
强、弱电接地线混用,导致信号干扰。
路灯、草坪灯、庭园灯和地灯的安装不符合要求:
埋地管线埋地深度太浅,线管中间有接头,且接头、接线盒处防水措施不到位,造成线 缆故障、漏电现象不断,灯具无法正常工作。
接地安装不符合要求,甚至没有接地线。
灯杆掉漆、生锈、松动。灯罩太薄,易破损、脱落。
草坪灯、地灯的灯泡瓦数太大,使用时灯罩温度过高,易烫伤人。
接地事关人命,路灯、草坪灯、庭园灯和地灯必须有良好的接地;接地极必须焊接牢靠,接头处搪锡,路灯电源的PE保护线与灯杆接地报连接。
必须用弹簧垫片压顶后再拧上螺母。
室内外电缆沟构筑物和电缆管敷设不符合要求,经常不做电缆沟。
电缆沟、电缆管排水不畅。
电缆过路管埋设深度不够,喇叭口破裂、不规则。
钢管防锈防腐漆不均匀,密封性不够特别是管内的防锈、防腐未做。
接地极在电缆沟中不平直、松脱,与过路管的套接不全面、部分管漏焊。
酒店建筑物管理系统:
酒店纳入BA控制系统有:

项目设计阶段须与不同项目的不同酒店运营管理(集团)公司具体协商,结合成本及应用综合考虑。
BA 系统基本设备监控点位:
|
项目 |
AI(模拟输入) |
DI(数字输入) |
AO(模拟输出) |
DO(数字输出) |
|
变频泵 |
管道水压力 |
运行状态/故障报警/手自动 |
||
|
普通泵(给排水) |
运行状态/故障报警/手自动 |
开关 |
||
|
污水泵 |
高/低水位报警/故障报警 |
|||
|
消防泵 |
运行状态/故障报警/手自动 |
|||
|
消防水总管减压阀 |
故障报警 |
|||
|
锅炉 |
蒸汽温度/压力/流量 |
运行状态/故障报警 |
||
|
热交换器 |
出水温度/回水温度 |
|||
|
加药装置 |
运行状态/故障报警 |
|||
|
流量计 |
流量值 |
|||
|
冷冻水一次泵 |
运行状态/故障报警/手自动 |
开关 |
||
|
冷冻水二次泵 |
管道水压力 |
运行状态/故障报警/手自动 |
变频调速 |
开关 |
|
冷冻水补水泵 |
管道水压力 |
运行状态/故障报警/手自动 |
变频调速 |
开关 |
|
冷却塔风机 |
运行状态/故障报警/手自动 |
开关 |
||
|
冷水机组 |
运行状态/故障报警/水流开关 |
开关 |
||
|
供水阀 |
阀开关状态 |
电动蝶阀 |
||
|
注:具体点位针对不同项目需与酒店运营管理公司协商确定。 |
|
项目 |
AI(模拟输入) |
DI(数字输入) |
AO(模拟输出) |
DO(数字输出) |
|
空调处理机组 |
回风湿度/回风温度 |
运行状态/故障报警/手自动/滤网报警 |
开关 |
|
|
新风空调机组 |
新风温度/出风温度/出风湿度 |
运行状态/故障报警/手自动/滤网报警 |
开关 |
|
|
电梯厅风机盘管 |
运行状态 |
开关 |
||
|
排风兼排烟风机 |
运行状态/故障报警/手自动 |
开关 |
||
|
柜式离心排风机 |
运行状态/故障报警/手自动 |
开关 |
||
|
排风机 |
运行状态/故障报警/手自动 |
开关 |
||
|
减压阀 |
故障报警 |
|||
|
泛光照明 |
运行状态 |
开关 |
||
|
地下停车场照明 |
运行状态 |
开关 |
||
|
高低压柜 |
电压/电流/有功功率 |
运行状态/故障报警 |
||
|
储油缸 |
高/低液位报警 |
|||
|
水箱 |
高/低水位报警 |
|||
|
变配电通讯接口 |
酒店管理软件:
酒店管理(软件)系统通常指前台接待结算及处理酒店日常事务系统,系统以功能模块形式为客人提供客房接待等酒店项目服务,提供餐饮消费、网络使用计费、程控电话计费、一卡通计费等计费功能,提供财务、人事、仓库等部门管理服务(按需求不同设定)。
按照不同的应用要求,酒店前台管理系统还提供与当地公安局联网接口、酒店客房智能管理系统联网接口。
酒店管理(软件)系统由酒店运营管理公司与酒店投资管理公司在施工过程中商定,项目公司只需与酒店运营管理公司沟通落实电脑房/SERVER位置及终端位置。安排房间设计及有关管线供应及安装。
CCTV系统:
系统以对相关区域的情况监看、图像存贮为手段,使保安人员对酒店的情况有整体的了解,并在突发事件后为公安人员提供当时所记录情况调阅取证服务。
对与外界相连各出入口、候车区、停车库层与层之间的车辆通道、电梯厅、电梯轿厢、客房层、前台、安保室等区域安装彩色摄像机,系统采用硬盘录像机进行24h实时或移动侦测视频图像记录,以MPEG4或H.264格式压缩,图像保留时间要求30天。
系统控制通过矩阵方式以电视墙形式反映。
以当地公安技防要求为准。
程控电话系统:
除了通用的程控电话功能用途外,程控交换机须与酒店管理系统对接,客房电话产生的电话账单直接进入客人房费结算明细。程控交换机可提供无绳电话DECT-Digital Enhanced Cordless Telecommunications(或WLAN)系统供酒店办公人员作为寻呼及通讯使用,比如通过接口协议程控交换机与消防系统相接,在消防状态下发送相关信息至酒店所有DECT手机上,在第一时间通知所有酒店工作人员。在营运酒店之DECT系统表现在投资使用及维护均未令人满意,可与酒店运营管理公司沟通是否采用当地电讯公司提供之移动电话服务计划,以满足酒店工作人员之寻呼,群发讯息及通讯功能。
客房电话点位设三个点,分别为书桌、床头、卫生间,宜采用放射式布线方式。
主干网用三类大对数线缆,楼层分支线用超五类线缆。
在最近项目中,电信部门提供内部蜂窝电话网给集团用户使用,以手机接收信号方式提供蜂窝内用户通话、短消息等服务。
程控交换机通常设置中继线+直线方式,对外统一号码,拔电话与接电话过程由程控交换机根据容量及状态自动调整出/进端口。
程控交换机功能主要(适用酒店)有:话务台功能;留言灯功能;免打扰功能;房间限制功能;叫醒功能;客房话机服务功能;IP电话功能;会议电话功能;发送短消息功能;与客人数据库集成功能;语音信箱功能;外接语音信箱功能;小酒店吧功能;内部寻呼功能;客人入住及退房进客房电话开通及关闭功能;点击鼠标呼叫客人功能;与酒店管理系统接口功能;
软件管理与本地管理并行
酒店网络系统:
为避免可能的电脑病毒的感染,酒店网络系统(宽带上网)在物理琏路上划分为酒店客房网络与酒店办公网络。
客房网络点位设一个点,设置于书桌处。
客房预留一个点位用于IPTV(由酒店运营管理公司定)
无线上网(AP-Access Point)由酒店运营管理公司根据实际需要,与当地电信部门协商信号覆盖事宜。
主干网用光纤,行政套及以上房型分支线用六类线,标准间房型分支线用超五类线。
结合不同的酒店管理公司的要求,构建相应的网络架构,为酒店办公及客人提供高效快捷的电子商务环境。
设备与机柜接地排相连,并有效连接机房弱电接地铜排。

语音及网络关注事项:
根据以往所建酒店之经验,关于酒店语音/宽带网络及接入事项,在前期设计时项目公司需与电信运营商、设计单位、酒店运营管理公司及集团酒店管理部充分协商综合布线之安排,因为酒店定位不同,有超五星级及商务酒店,有五星级、准五星级及次五星级,酒店每日产生的话务及宽带上网量较大,且有长途/短途话务,具体事宜需与酒店运营管理公司协商。酒店运营管理公司需基于其自身的运营方针,考虑整个酒店的语音/宽带网络综合布线技术及设备之要求,电信运营商提供语音/数据的接入及优惠的收费标准,酒店营运管理的计费方式及联入酒店管理系统之要求。
如由电信运营商进行投资,其综合布线及设备之产权及如何与酒店运营管理公司进行分账收费等事项均应由酒店运营管理公司与各当地电信公司商讨后经集团酒店投资管理公司同意后落实。
门禁控制系统:
设置点位应按酒店运营管理公司标准沟通讨论落实。一般在安保室、计算机房、财务室、贵重物品室、行李房、配电房、生活水泵房等重点区域安装门禁控制器。
应与酒店运营管理公司沟通在酒店后勤区行政办公用房是否安装门禁控制器。
酒店员工考勤设备由酒店运营管理公司自行提供,线路由项目公司安排预留。
与消防系统联动。
软件中应记录事件发生的时间、地点、顺序等。
以当地公安技防要求为准。
入侵探测系统:
一般在财务出纳室、生活水泵房、房屋水箱、配电房等重点区域安装入侵探测器及声光报警器,系统应24h设防,报警声压不小于80db。
软件中应记录事件发生的时间、地点。
以当地公安技防要求为准。
消防广播音响系统:
结合酒店运营管理公司的具体要求,以当地消防规范为准。
消防报警喇叭可与背景音乐系统共用,平常为背景音乐,消防报警状态时切换为消防广播,特殊功能用房如采用独立高级音响系统,应另设置消防紧急广播喇叭,以免损坏高保真扬声器。
五星及超五星级酒店客房内安装一个或二个扬声器,作为消防紧急广播用,分别位于客房走廊及卫生间。
准五星及次五星级酒店客房安装一个扬声器作为消防紧急广播用,位于客房走廊。
酒店后勤办公区安装消防紧急广播喇叭。
消防报警系统:
目前酒店的规模适用于集中式/控制中心式消防报警控制系统,系统为全地址码结构。
智能光电型探测器内置CPU,可以对现场环境(如烟雾浓度)进行综合判断,提高报警的准确性。此外针对不同产品,还需要对系统各产品整体了解其性能,综合配置消防报警系统。智能型光电探测器价格亦降至普通型光电型探测器水平,为目前市场广范采用。智能离子型探测器因有一定的放射性,市场上较少采用等。
目前虽无对报警回路容量冗余有强制性规定,要求宜留有一定的余量。但依据有关消防条文说明,冗余一般有15%-20%。
集中式/控制中心式消防报警系统要求系统有二台以上区域显示器(楼层显示器),因此区域显示器的配置需结合当地消防实际情况设置。
回路所含探测器数量不宜太多,避免日后酒店检查及维修困难,应结合产品性能与酒店运营管理公司讨论落实。
消防控制中心应与闭路电视系统及电视墙安装在同一房间,以减少酒店管理人员之设置。
以当地消防具体要求为准,并结合设计院及酒店运营管理公司综合考虑。
背景广播音响系统:
广播系统是在有限的范围内专为公共场所提供背景音乐、广播及消防报警的系统。在通常情况下通过敷设于广播服务区域内的广播线路传输,是一种单向的(下传)的有线广播。目前,公共广播系统的最大特点是将数码技术应用到公共广播系统中,从而使公共广播系统安装更为方便,功能更为强大,应用更为广泛,操作更为简便。
背景音响系统扩音机为100V,70V定压输出,4Ω~16Ω定阻输出。公共区输出音频不小于3W,并应按功能分区设置。
五星及超五星级酒店客房卫生间安装一个扬声器,音源采用客房内电视机音源。
准五星及次五星级酒店客房卫生间不安装广播音响喇叭。
各功能区由中控室提供独立的音源*放播**,应有消防信号强切。
酒店员工餐厅提供本地音响系统,应有消防信号强切。并安装有消防紧急广播喇叭。
酒店后勤区不安装背景广播音响系统。

紧急报警系统:
在前台、收银、财务出纳室、贵重物品室、行李房、残疾人客房卫生间等重点区域安装紧急报警按钮或脚踢开关。报警控制器应设置在消防中心及应设置蜂鸣器,系统要求可显示报警位置。
在安保室安装与当地110联网系统。
以当地公安技防要求为准。
电子巡更系统:
系统采用离线式巡更系统。
系*独统**立设置,在软件界面上反映在巡更过程中,在规定的路线上是否有漏巡点及到巡更点位的时间。
以当地公安技防要求为准。
有线及卫星电视系统:
原则上有线与卫星系统并网传送,如当地广电局有不同要求,则分系统布线。
原则上提供不超过19套卫星电视节目+2套FM节目+自办节目+当地有线电视节目,共约60套左右电视节目。具体须与酒店运营管理公司协商。

多媒体信息发布系统:
以有线电视信号、DVD、多媒体等图像资料经图形控制器形式,定向传送有关信息至特定区域。如酒店介绍、员工互动信息及其他重大事件。
一般由酒店运营管理公司及酒店投资管理公司负责招标事宜,系统包含在酒店管理系统供应商合约范围内,管线需由项目公司安排预留于指导位置。
AV系统:
对于大宴会厅的需求(建筑声学、扩声系统、灯光环境),通过软件程序设定,采用音响、灯光控制台的方式,集中控制宴会不同阶段的音响及灯光环境,并可以针对特定设备进行自动切换功能需要。
多功能会议室的基本设置:
1.提供影碟机、笔记本电脑、视频展示台等先进的视听设备接口面板(如232口/音、视频插座/VGA口),以及其它可遥控设备(如电动投影幕、电动窗帘、灯光等),并有机地连成一个整体,根据活动内容和要求,进行各种媒体设备的调整。
1.1 利用视频展示实物、图片、文稿等资料。
1.2 方便地将笔记本电脑接入系统,使用笔记本电脑展示演讲内容,*放播**多媒体资料以及上网。
1.3 可以*放播**录像带、DVD、VCD、CD、录音带等音像资料。
1.4 所有视频图像(包括电脑显示器图像)信号均可通过切换,由投影机在大屏幕上显示出来。
1.5 可对声音、灯光、电动窗帘、电动投影幕等进行控制。
2.把Internet(国际互联网)接入系统,享用网络资源。
3. 提供手持话筒插座,扩音机设置在弱电AV机房。
3.1具备会议扩音广播功能,可提供多路话筒语音输入。
3.2具备演讲、讲座功能。
智能化、多功能化、模块化、网络化是实现AV系统的条件。
需设置自动升降投影幕及投影机于大宴会厅及会议室内,投影幕尺寸需与酒店运营管理公司商定及提供酒店投资管理公司审核。投影机流明应配合投影幕尺寸设置。
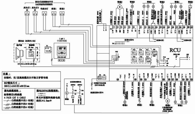
客房智能控制系统:
结合不同项目的星级及酒店运营管理(集团)公司的具体要求,在下表的基础上进行调整,创建不同的控制逻辑关系。

客房智能控制系统与酒店管理系统对接,使客人在CHECK-IN同时即可启动客房欢迎模式,同时在酒店工程部、客房部设分控制站,以不同部门不同权限更有效管理客房。
客房智能控制系统标准控制线路图:

客房智能控制系统标准逻辑表:

公共区域及功能用房调光系统:
一般酒店大堂、宴会厅、餐厅、会议室、餐厅包房需要设置智能调光系统。
通过软件程序将功能区域/用房之不同的灯光亮度需求设定为相对应的场景,按时间控制/手动选择功能操作,从而方便酒店特定之不同时间及环境要求,以节省能源。
数字可寻址调光接口实现对每一个独立的镇流器进行单独控制,控制内容包括:控制开/关,调光,群控调光,检测灯的开关、亮度、异常等状态。适用于对照明有精确控制要求的重要场所,如大堂、宴会厅、餐厅、会议室等。
调光系统需要设置本地控制板,可用笔记本电脑进行场景设定及调整。
停车场管理系统:
从酒店实际应用出发,目前通常采用感应式读卡停车场管理系统,并且此系*独统**立设置,不纳入BA控制系统。在进口、出口管理员处设对讲系统。
在进出坡道设地感线圈,以进、出逻辑运算关系反映相关停车场层的车位情况。
酒店客房门锁系统:
目前酒店客房门锁系统与酒店管理系统对接,在客人CHECK-IN同时,房卡自动产生,并与酒店客梯门禁系统相接,两个系统共用一张卡。示意图:

电梯:
1.酒店电梯与住宅电梯一般区别(概述)
载重量:超五星级、五星级档次之酒店客梯一般1600kg,住宅载重量相对较小;(速度:根据楼层/提升高度)
性能:酒店舒适感/噪音/平层精度等方面要求较高;
装璜:客梯一般需二次装修,酒店装璜要求较高,预留装修重量较多。
功能选择:酒店客梯功能较多,例如:CCTV/地震应急返回/轿厢专用空调/监控系统/外召唤按钮(一般不带楼层显示)/到站钟/到站灯/高峰服务/刷卡服务/轿厢副操纵盘 /轿内液晶显示/群控(台数较多)等
酒店电梯配合事项较多CCTV(摄像头)/读卡器/扬声器/背景音乐/消防广播/装璜/消防/临时运输等等)。
酒店乘客电梯的选型:
a)初步选择电梯的数量:
电梯的数量需根据不同的建筑类别、建筑层数、每层的面积、人数等考虑,下列是通用标准之参考数据,以变复核电梯流量分析计算。
|
数 量 |
|||
|
次五星级 |
准五星级 |
五星级 |
超五星级 |
|
100套客房/台 |
100套客房/台 |
100套客房/台(1600kg) |
70套客房/台(1600kg) |
b)初步选择额定载重量:
额定载重量应根据大楼的用途、规模和客流量选取。一般超五星、五星级酒店客梯载重量以1600kg (21人)为主,准五星、次五星级酒店店客梯载重量以1600kg(21人)或1350kg(18人)为主,结合具体情况上下浮动。
c)速度的选取:
应考虑楼层高度、停站数、额定乘客人数和群控调度(最小的可能停站间距)等方面。由于电梯的速度越高,安全装置投资也越大,价格就贵,过分地追求高速度就会浪费。实践中常根据大楼的提升高度H(m)来选择额定速度v(m/s),一般v=(0.025~0.045)H(低速时取下限,高速时取上限)如100m提升高度的大楼,速度选择为2.5m/s-4.5m/s。此外一般还要求从大楼的主楼层到最高层单程运行时间不超过60s。
有时还希望算出高峰期间HC占大楼全部人员的百分比,使之不小于大楼客流高峰期间5min的百分比到达率。
标准:HC%≥12%(超五星/五星);HC%≥10%(准五星/次五星)
洲际标准:HC%:10%-12%(商务/度假型);HC%:12%-15% (会议型),希尔顿标准:HC%:12%-15%
3)人数计算原则(人/房间):1.5人/房间/入住率100%
洲际:1.5(商务型)/1.75(会议型)/2.0(度假型)入住率100%
希尔顿:2.4人/房间/入住率85%(相当于2.0人/房间/入住率100%)
注:需根据具体项目提出与酒店运营公司进行商讨确定。
服务电梯(客货用电梯)的选型
a)选定电梯数量,根据不同的建筑类别、建筑层数、每层的面积、人数等考虑,参考以下通用标准(一般约为客梯数量的50%-75%,最少为两台):
b)选择额定载重量,超五星、五星级酒店服务电梯一般以1800kg为主(最少应保证一台≥1800kg,其余≥1600kg );次五星、准五星级酒店服务电梯可参考超五星、五星级酒店服务电梯载重量,可略作调整(应与酒店运营管理公司协商决定)。
|
数 量 |
|||
|
次五星级 |
准五星级 |
五星级 |
超五星级 |
|
150间客房/台 |
150间客房/台 |
150间客房/台 |
150间客房/台 |
c)选择电梯额定速度,一般参照乘客电梯的速度,可略有下降。
d)轿厢的尺寸,满足国标要求并尽量满足酒店运营管理公司要求,如有疑议可根据具体项目与酒店运营管理公司商讨确定。
消防电梯的选型:
数量要求:
每层建筑面积不大于1500m2,应设1台。
每层建筑面积大于1500m2,但不大于4500m2,应设2台,且应在不同的防火分区内。
每层建筑面积大于4500m2,应设3台,且应分设在不同的防火分区。
消防电梯尽可能与服务电梯兼用,也可与客用电梯兼用。
消防电梯载重量不应小于800kg。
消防电梯从首层到顶层的运行时间不应超过60s。
酒店大堂穿梭电梯的选择(需与酒店运营公司沟通确认)
大部分国际星级酒店运营管理公司要求酒店大堂、裙房配置有穿梭电梯。
载重量一般不宜少于1000kg(洲际在绍兴项目中要求1350kg)。
可以根据需要选择观光电梯。
可能因大堂、裙房用房布置需采用无机房电梯。
酒店厨房货梯/餐梯的选择:
根据具体使用需要配置电梯(应尽量满足酒店运营管理公司要求,货梯载重量一般为1800kg)。
酒店客梯噪声参考标准(应尽量满足酒店运营管理公司要求)。
|
次五星级/准五星级 |
五星级/超五星级 |
|
|
轿厢内 |
≤52dB(A) (无机房电梯≤55dB(A)) |
≤50dB(A) (无机房电梯≤53dB(A)) |
|
电梯大堂 |
≤52dB(A) |
≤50dB(A) |
|
机房 |
≤75dB(A) |
≤73dB(A) |
电梯的土建设计:
a)主要技术参数和尺寸尺寸,各生产厂家都有不同,具体工程设计时,应按供货厂家土建技术条件确定。
b)井道地坑深度与顶层高度与额定速度和额定载重量及轿厢高度有关,具体工程设计时,应按供货厂家土建技术条件确定。
c)电梯间应设前室,其面积不小6m2,与防烟楼梯合用的前室不小于10m2。
电梯无障碍设施考虑建议:
酒店客梯在设计以及选择时,应考虑部分电梯为无障碍设计。
a)电梯厅有关设施要求如下:
电梯厅宽度不宜小于1.8m;
电梯厅按钮高度为0.9-1.1m;
电梯门洞净宽不宜小于0.9m;
电梯厅应设电梯运行方向、位置显示以及到站钟声;
b)电梯轿厢无障碍设施与配件要求建议如下:
电梯轿厢门开启净宽度不应小于0.8m;
在轿厢壁上设高0.8-0.85m的扶手;
轿厢在上下运行及到达时应有清晰显示以及到站钟声;
电梯轿厢的尺寸,应依据建筑性质和使用要求的不同而选用。最小尺寸为1.4m*1.1m(轮椅可直进直出电梯);
轿厢侧面应设高0.9-1.1m带盲文的选层按钮;
轿厢正面高0.9m处至顶部应安装镜子。
电梯装饰要求:
电梯的装饰设计需经建筑设计部提前进行图纸方案设计,并由专业装饰公司负责施工,在设计及施工过程中,应考虑以下内容:
电梯的装饰包括轿厢内天花、地面、壁板、轿厢门、轿厢内电梯操作面板以及厅门、门框、外召按钮板等装置(有些一般需根据厂家提供的样式选择或定做,例如轿厢内电梯操作面板及按钮、外召按钮面板及按钮、轿厢门及前壁板、厅门等)。
一般电梯装饰设计根据项目的档次确定,在选择电梯各外观部位具体的装饰时,须经过建筑/装璜设计等部门/单位复核确定。
二次装修材料一般选用大理石、木材等高品质材质。装饰材料不应选择易燃、有毒、有挥发性的材质,应以环保型材质为主选。
无论电梯如何装饰,都要满足电梯的基本功能,在设计及施工时,应关注以下方面:
轿厢内的通风要求。轿厢顶上的风扇出风口不能被天花遮挡,轿壁踢脚板处的回风口不能被遮挡,以保证轿厢内通风顺畅。
轿顶安全窗。如果电梯设置有轿顶安全窗,应保证在电 梯发生关人故障时,检修人员可以从安全窗进入轿厢内。天花的设计应能保证此安全窗顺利打开。
轿厢内应急照明灯。应急照明灯不应被天花吊顶遮挡,以保证停电时,轿厢内人员能看清楚轿厢操作面板上的按钮。
轿厢内的装饰扶手及装饰材料。应不能紧贴操作面板,以保证维修轿厢操作面板时能正常开启,方便维修。
预留装饰重量。一般在招标时应明确日后是否装饰,并初步计算装饰重量,以便能在招标时准确要求电梯公司预留装饰重量。电梯装饰后,电梯公司应再次对电梯进行检测调整,保证电梯起动、运行、停车等过程的舒适性。
设计中出现的问题:
电梯底坑下放有人可到达地方:
a)电梯未到最底层;
b)电梯分区运行,底坑位置楼层较高。
根据国家规范GB7588-2003第5.5项“如果轿厢和对重之下确有人可以到达的空间存在,井道底部的底面应按不小于5000N/m2的载荷设计,并且:
a.将轿厢和对重缓冲器安装在一直延伸到坚固地面的实心墩上,或
b.轿厢和对重上装设安全钳装置。
注:电梯井道最好不要设置在人们能够到达的空间上面;
解决方法:
1)封闭底坑下空间,使无人到达;
2)对重缓冲器安装位置下方,设置一延伸到坚固地面的实心墩;
3)对重侧安装配重安全钳。
需根据实际情况,综合考虑选择解决方法。
自动扶梯的倾斜角度
根据国家规范GB 16899-1997第10.1.1项规定“自动扶梯的倾斜角度不应超过30度,当提升高度不超过6m,额定速度不超过0.5m/s时,倾斜角度允许增加至35度。”
关注:在建筑设计时,建议自动扶梯的倾斜角度均优先按30度考虑。尤其是提升高度接近6m时,厂家较少提供倾斜角度为35度的产品。
本文来源于互联网,作者:世茂酒店管理公司,暖通南社整理编辑于2017年3月8日。