
由于本文篇幅很长,在这里首先给大家放上目录,方便大家阅读与收藏。如果大家喜欢本文,可以关注本头条号“电子技术一点通”,不定时更新关于电子方面的知识。
目录
第一章 电磁炉的基本工作原理的介绍
第二章 电磁炉组装结构图
第三章 电磁炉的基本加热功能及保护功能介绍
第四章 电磁炉的原理图各功能部分的分析
第五章 电磁炉常见异常故障分析之“葵花宝典”
第六章 电磁炉元器件的认别及其测量方式
第七章 电磁炉上元器件的 尺寸与 作用 简介
电磁炉由于具有热效率高、使用方便、无烟熏、无煤气污染、安全卫生等优点,非常适合现代家庭使用。
第一章 电磁炉的加热原理
电磁炉又称电磁灶,分为工频(低频)和高频两种。其中,工频电磁炉工作简单可靠,但躁声大,热效率低,这里所说的电磁炉指高频电磁炉。
电磁炉是利用电磁感应原理将电能转换为热能的工作原理。由整流电路将50/60Hz的沟通电压转换成直流电压(AC-DC-AC、沟通-直流-沟通),再经过控制电路将直流电压转换成频率为20~35KHz的高频电压,高速变化的电流流过线圈产生高速变化的磁场,当磁场内的磁力线通过金属器皿底部金属体内产生无数的小涡流,使器皿本身自行高速发热,然后再加热器皿内的东西,达到用户使用的结果。

图1

图2
如图2。电磁感应加热的基本过程,至少需要整流单元、功率开关管、功率开关管驱动控制单元、加热线圈单元及锅具等部件。电磁炉是运用高频电磁感应原理加热。它将市电整流滤波后得到的脉动直流转换为高频电流,通过加热线圈建立高频磁场,磁力线经线圈与金属器皿底部构成的磁回路穿透炉面作用于锅底,利用小电阻大电流的短路热效应产生热量,在锅底形成涡流而发热,起到加热器皿中的食物的作用。
一般来讲,器皿一般是用钢质、铁质材料来加热,铝、铜由于表面电阻率太小,而不易被加热,陶瓷、木等又由于表面电阻率太大,使产生电流太小,所以也不易被加热。
第二章 电磁炉组装结构图

电磁炉整机零件一般包括如下:
1 、陶瓷板:又叫微晶玻璃板,位于电磁炉顶部,用于锅具的垫放,具有足够机械强度,耐酸碱腐蚀,耐高低温冲击。
2 、上 盖:用耐温塑料制成,作为电器的外保护壳。
3 、面 膜:用塑料薄膜制成,用于功能显示及按键操作指示。
4 、灯 板:又叫显示控制板,位于壳内,进行功能显示及功能按键操作。
5 、炉面传感器组件:位于壳内,嵌在发热盘的中间,用橡胶头或其它方式顶住陶瓷板,用于控制炉面锅具的温度。
6 、加热线盘:位于壳内,主工作器件,发射磁力线,自身也会发热。
7 、主 控 板:又叫电源板、主板,位于壳内,作为电转换的控制的主工作部分。
8 、电源线及线卡:连接市电与电磁炉,提供电源通道。
9 、电 风 扇:位于壳内,通过吸风将炉内热量带出壳外,起降温作用。
10、下 盖:用耐温塑料制成,作为电器的下保护壳,及支撑内部器件及锅具作用。
第三章 电磁炉的基本控制功能及保护功能介绍
电磁炉分显示部分和主板控制部分
1 、一般功能说明
1) 、显示介面有LED发光二极管显示模式、数码管、LCD液晶、VFD荧光屏显示模式几种。
2) 、操作方式有轻触按键、薄膜按键、触摸按键、编码器、电位器等模式。
3) 、操作功能有加热火力调节、自动恒温设定、定时开机、预约开/关机、电量电压查询、自动功能和半自动功能(蒸煮、煮粥、煲汤、煮饭)、手动功能(煎、炸、抄、烤、火锅)等料理功能。
4) 、使用电压范围分两个不同电压段,220VAC~240VAC机种在100VAC~280VAC或100VAC~120VAC机种在85VAC~144VAC之间可连续工作,适用于50/60Hz的电压频率。使用环境温度在-20℃~45℃。
注明:
a)、功率输出:输出范围120W~2200W之间
b )、温度控制:即定温控制。
c )、定时控制:可进行时间设置关机或开机。
d )、大小物检测:小于一定面积的金属将不被加热。Φ60~Φ100、Φ80~Φ120
2 、保护功能
具有锅具超温保护、锅具干烧保、炉面传感器开短路保护、炉面失效保护,IGBT测温传感器开短路保护,IGBT温度限制控制和超温保护、高低压保护、 2小时无按键保护、浪涌电压/电流保护、高低温环境工作模式,VCE过压保护、过零检测、大小物检测,锅具材质检测。
注明:
a)无锅报警,无锅或锅具材质不对,小物件:停止加热。若在1分钟内检测到有锅,则自动退出报警状态,并恢复原来工作状态。
b )高/低压保护,当市电电网电压波动超出工作范围时,应能停止功率输出并报警,例如超出100~280V时出“低‘E1’”或“高‘E2’”;
c )炉面传感器开路时,开机1分钟后检测,停止功率输出及报警,显示“E3”;
d )炉面传感器短路时,停止功率输出及报警,显示“E4”;
e )IGBT传感器开路时,开机1分钟后检测,停止功率输出及报警,显示“E5”;
f )IGBT传感器短路时,停止功率输出及报警,显示“E6”;
g )主传感器失效,停止功率输出及报警,显示“E7”;
h )干扰保护,当电网上产生瞬间高压或浪涌电流时,电路停止功率输出,暂停工作2S,当干扰去除后能回复功能输出。
i )过温保护/干烧保护,由于电磁炉为加热电器,内部很多器件在工作时会发出热量,当温度过高时因能报警并停止功率输出,电源指示灯闪烁,待温度下降后恢复加热
j)IGBT温度过热,当高电压低功率自动提高功率以减小IGBT温升,如果出现异常温升,则温度达到95℃~110℃则停止加热保护,待温度低于65℃左右恢复加热。
以某电磁炉为例
| 故障代码 | 故障原因 | 报警条件 |
| E1 | 低压保护 | 电网电压低于100±5V |
| E2 | 高压保护 | 电网电压高于285±5V |
| E3 | 炉面传感器开路 | 延迟1分钟才检测传感器是否开路 |
| E4 | 炉面传感器短路 | 马上停止加热 |
| E5 | IGBT传感器开路 | 延迟1分钟才检测传感器是否开路 |
| E6 | IGBT传感器短路 | 马上停止加热 |
| E7 | 炉面传感器失效 | 根据每档档位判断传感器值变化 |
3 、电路控制上,除有上述功能的电路外,还应有如下动作电路:
a) 沟通转直流,通过整流桥堆进行转换;
b) 电源转换,将强电转换成弱电,提供18V,5V。
c) 过零电路(同步电路),当IGBT的反压降到最低时才打开IGBT;
d) IGBT驱动电路
e) 谐振电路,
f) 功率控制电路,将PWM进行积分处理,进行不同档下的功率控制;
g) 检锅电路;
h) 反压保护电路,将IGBT工作反压控制在合理范围内;
I) 高压保护电路
J) 功率校准电路,通过可调电阻进行
K) 蜂鸣器驱动电路,风扇驱动电路,热敏电阻取样电路
L) 主芯片电路
m) 显示及按键控制电路
第四章 电磁炉的原理图各功能部分的分析
电 磁炉主板原理方框图

电 磁炉主板原理图
主板分成 10 大部分:
1、主回路的主谐振电路分析
2、IGBT驱动电路分析:(推挽式电路,高电平驱动有效)
3、电流取样电路
4、干扰保护电路
5、电压AD取样电路
6、同步电路和压控/自激电路
7、反压保护与PWM控制电路
8、炉面传感器与IGBT热敏电阻取样电路
9、风扇控制电路
10、开关电源电路
一、主回路的 主谐振电路分析

由电力电子电路组成的电磁炉(Inductioncooker)是一种利用电磁感应加热原理,对锅体进行涡流加热的新型灶具。主电路是一个AC/DC/AC变换器,由桥式整流器和电压谐振变换器构成,当电磁炉负载(锅具)的大小和材质发生变化时,负载的等效电感会发生变化,将造成电磁炉主电路谐振频率变化,导致电磁炉的输出功率不稳定,就会使功率管IGBT过压损坏。在此先分析电磁炉主谐振电路拓扑结构和工作过程是怎样的。
1)电磁炉主电路拓扑结构
电磁炉的主电路如图1所示,市电经桥式整流器变换为直流电,再经电压谐振变换器变换成频率为20~35kHz的沟通电。电压谐振变换器是低开关损耗的零电压型(ZVS)变换器,功率开关管的开关动作由单片机控制,并通过驱动电路完成。

电磁炉的加热线圈盘与负载锅具可以看作是一个空心变压器,次级负载具有等效的电感和电阻,将次级的负载电阻和电感折合到初级,可以得到图2所示的等效电路。其中R*是次级电阻反射到初级的等效负载电阻;L*是次级电感反射到初级并与初级电感L相叠加后的等效电感。

2)电磁炉主电路的工作过程
电磁炉主电路的工作过程可以分成3个阶段,各阶段的等效电路如图3所示。分析一个工作周期的情况,定义主开关开通的时刻为t0。时序波形如图4所示。

2.1 [t0,t1]主开关导通阶段
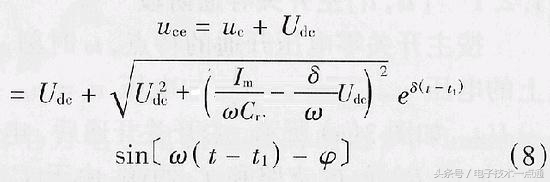
按主开关零电压开通的特点,t0时刻,主开关上的电压uce=0,则Cr上的电压uc=uce-Udc=-Udc。如图3(a)所示,主开关开通后,电源电压Udc加在R*及L*支路和Cr两端。由于Cr上的电压已经是-Udc,故Cr中的电流为0。电流仅从R*及L*支路流过。流过IGBT的电流is与流过L*的电流iL相等。由图3(a)得式(1)。

可见,iL按照指数规律单调增加。流过R*形成了功率输出,流过L*而储存了能量。到达t1时刻,IGBT关断,iL达到最大值Im。这时,仍有uc=-Udc,uce=0。iL换向开始流入Cr,但Cr两端的电压不能突变,因此,IGBT为零电压关断。
2.2 [t1,t2]谐振阶段
IGBT关断之后,L*和Cr相互交换能量而发生谐振,同时在R*上消耗能量,形成功率输出。等效电路如图3(b)及图3(c)所示,我们也将其分为两个阶段来讨论。波形如图4中的iL和uc。

由图3(b)、图3(c)的等效电路可得到式(3)方程组。
L*(di/dt)+iLR*+uc=0
Cr(duc/dt)=iL (3)
由初始条件iL(t1)=Im,uc(t1)=-Udc,
解微分方程组式(3)并代入初始条件,可得下列结果:

IGBT上的电压

式中:δ=R*/2L*为衰减系数;

φ是由电路的初始状态和电路参数决定的初相角,β是仅由电路参数决定的iL滞后于uc的相位角。
由上面的结果可以看到,当IGBT关断之后,uc和iL呈现衰减的正弦振荡,uce是Udc与uc的叠加,它呈现以Udc为轴心的衰减正弦振荡,其第一个正峰值是加在IGBT上的最高电压。首先是L*释放能量,Cr吸收能量,iL正向流动,部分能量消耗在R*上。在t1a时刻,ω(t-t1a)=+β,iL=0,L*的能量释放完毕,uc达到最大值Ucm,于是,IGBT上的电压也达到最大值uce=Ucm+Udc。这时Cr开始放电,L*吸收能量,当ω(t-t1)=φ时,uc=0,Cr的能量释放完毕,L*又开始释放能量,一部分消耗在R*上,一部分向Cr充电,使uc反向上升,如图4所示。
然后,Cr开始释放能量,使iL反向流动,一部分消耗在R*上,一部分转变成磁场能。在uc接近0之前,ω(t-t1)=φ+2β之时,iL达到负的最大值。当ω(t-t1)=π+φ时,uc=0,Cr的能量释放完毕,转由L*释放能量,使iL继续反向流动,一部分消耗在R*上,一部分向Cr反向充电。由于Cr左端的电位被电源箝位于Udc,故右端电位不断下降。当ω(t-t1)=ω(t2-t1),即t=t2时,uc=-Udc,uce=0,二极管D开始导通,使Cr左端电位不能再下降而箝位于0。于是,uc不再变化,充电结束。但是,L*中还有剩余能量,iL并不为0,t2时刻iL(t2)=-I2。这时,在主控制器的控制下,主开关开始导通。因此,是零电压开通。
2.3 [t2,t3]电感放电阶段
如图3(d)所示,可得方程:L*+iLR*=Udc初始条件为:iL(t2)=-I2。
解此微分方程并代入初始条件,可得:

二、IGBT驱动电路分析:(推挽式电路,高电平驱动有效)


作用:保护IGBT可靠导通与关断。
IGBT驱动电压至少需要16V,Q1(PNP管)、Q2(NPN管)组成推挽式驱动电路,它们的工作原理是:
1、当输入信号为高电平时,Q2导通,Q1截止,18VDC电压流通,给IGBT的G极提供门极电压, IGBT导通。线盘开始储能。
2、当输入信号为低电平时,Q2截止,Q1导通,IGBT的G极接地,IGBT关断。此时线盘感应电压对谐电容放电,形成了LC振荡。
3、R6电阻在三极管截止时,把IGBT的G极残余电压快速拉低。C11电容作为高频旁路,另外作为平缓驱动电路波形作用,ZD1稳压管,稳定IGBT的G极电压,预防输入电压过高时,损坏IGBT。
在检锅时,如图2.1所示,波形不是很理想,有点变形。当检到锅工作后,如图2.2所示,控制推挽电路的波形与驱动IGBT波形很相似,功率越大,波形的高电平的宽度越大,B点的波形底部平,原因是LM339控制的一路内部三极管导通接地。而A点的波形底部比地略高一点。再回到零电压。
此电路容易出现的问题为上电烧机,为驱动电路输出高电平导致,温升高、瓷片电容有问题。
三、电流取样电路

作用:判断有无锅具、恒定电流、稳定调节功率提供反馈输入电流
电流互感器T1的次级测得的沟通(AC)电压.经D9~D12组成的桥式整流电路整流,EC3电解电容滤波平滑、由电阻R15、RJ41、RJ16分压后,所获得的电流电压送到CPU,该电压越高表示电源输入的电流越大,待机时电流取样基本为零,如图3.1所示, 电流越大,A点的电流电压波形幅值越高,B点的取样点就越高,表示功率越大。电容EC3选值时不应太大,如果太大了,会造成电容充放电时间太长,影响读取电流AD时间,从而会导致开机时,功率上升的时间很慢。
VR1电位器作校准功率用,通过VR1电阻的大小,就可以调节B点的输出电压,电阻越小,功率越大,反之就功率越小,一般调节电位器在中间位置。
CPU根据监测电压AD的变化,作出各种动作指令
1、判断是否放入合适的锅具。(锅具是否小于Φ80(或Φ60)、是否有偏锅,电流过小,再判PWM是否最大,两者满足则判为无锅)
2、限定最大电流,在低电压时保证电流恒定或不超过。保护关键器件工作在尺寸要求范围内,以及防止输入电源线或线路板走线过电流不够造成烧断。
3、配合电压AD取样电路及电调控PWM的脉宽,令输出功率保持稳定。
此电路易出现的现象:功率压死、功率飘移、无功率输出、断续加热
四、干扰保护电路
1、电流保护电路
作用:浪涌保护电路,监控输入电网的异常变化,在有异常时,关断IGBT进行保护
1、正常工作时,LM339的1脚内部三极管截止,电阻R19把1脚电压变为高电平,当电源输入端出现大电流时,1脚内部三极管导通,输出低电平,CPU连接的中断口经过二极管D18被拉低,CPU检测到低电平时发出命令,让IGBT关断,起安全保护作用,此保护属于软件保护,另外还有硬件保护,当1脚内部三极管导通,输出低电平,直接拉低驱动电路的输入电压,从而关断IGBT的G极电压,保护了IGBT不被击穿,通常要判断是软件保护还是硬件保护方法是:通常软件保护时,软件会设置2秒才起动,硬件起动时间很快不超过2秒钟。
2、C点电压由于选择的参考点是地,静态时,C 点的电压由RJ28、R27、R14电阻分压所得,当正常工作起来后,互感器感应输入端的电流,C点的电压会下降,电流越大,C点电压越低,如图4.1所示,所以A点电压也会下降,B点为LM339负端RJ29、RJ25分压后的基准电压,当A点电压下降到B点以下时,LM339反转,D点输出低电平拉低中断口。通过调节输入正负端的参数来改变干扰的灵敏。用工具查看两输入端在最大功率工作时,比较电压越接近越好,但仿止出现太过灵敏而导致中断间隙。(变频器上(不一定,但是比较能体现)一般干扰比较大,在最大档功率最大电流时(190~210V之间电流最大)最容易出现,)
3、CPU根据中断口检测电源输入端的浪涌电流,程序检测到有低电平,停止工作,起保护IGBT不受浪涌电流所击穿。
此电路异常出现:检锅不工作、不保护爆机
2、电压保护电路


作用:高压保护电路,监控输入电网的异常变化,在有异常时,关断IGBT进行保护
1、电路的双重保护(电流和电压保护),由R53、R54、RJ55电阻组成分压电路,如果输入电压超过正常设定电压值, A点的电压就会升高,达到或超过三极管Q5的基极导通电压0.7V以上,则Q5一直导通,由于三极管的C极接到LM339的1脚,即中断口,所以程序检测到低电平后会关闭输出,保护IGBT及主回路上面的器件不被烧掉。
2、当有电压浪涌时,R53并联的电容C28起作用,因为电容两端电压不能突变,所以在瞬间电压起变化,电容就相当短路(耦合),A点的电压会瞬间变的很高,使Q5导通而让CPU中断口检测到。正常情况下A点的波形如图4.2所示。
此电路异常出现:检锅不工作、不保护爆机。
五、电压AD取样电路
作用:检测电路工作在什么电压段,高低压保护
AC220V由整流管整流成脉动直流电压,通过R4与RJ10、RJ11分压, D7二极管隔离AD检测口与输入端,EC2平滑后的直流电压送到CPU端口进行分解,不受输入端的影响,D8二极管让输入电压最钳位在5.7V,保护CPU端口不会被高电压击穿。正常电压下,输入电压比较稳定,如图5.1所示。
CPU检测输入电压信号后发出动作命令
1、判别输入的电压是否在充许的范围之内,否则停止加热,并发出报警信号。
2、判别输入电压是否高电压,根据输出功率是否为低功率(1300W以下),进行升功率,目的是为了减小IBGT在高压小功率时,出现硬导通,即IBGT提前导通,来减小IGBT的温升,根据高功率(1800W以上),配合炉面传感器是否检测到线盘温升高,如果温升高,可适当的降功率,从而保证线盘不会因为温升高而烧毁。
3、与电流检测电路形成实际工作功率,CPU智能的计算出功率的大小再与CPU内部设定的功率值作比较,去控制PMW脉宽调制的大小,稳定输出所需各档的大小功率。
4、通过电流AD配合,保持高压是恒定功率输出。
此电路异常出现:高低压无保护,间隙加热,功率上不去。
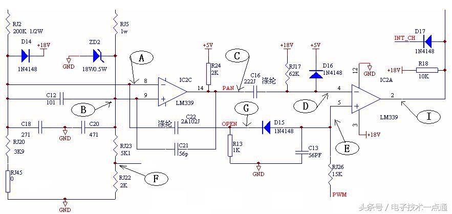
六、同步电路和自激电路
作用:跟踪谐振波形,提供合理的IGBT导通起点,提供脉冲检锅信号
原理:采用电阻分压及电容延时的方式跟踪谐振电路两端电压变化;自激振荡回路、启动工作OPEN口、检测合适锅具PAN口。
RJ1、RJ2和RJ3、RJ5、RJ52分别接到谐振电容与线盘两端,静态时A(-端)比B(+端)电压要低(通常两端电压压差在0.2-0.4V比较理想),C点输出高电平。C16电容两端都是高电平,所以不起作用,D点由于接了RJ17上接电阻,也被拉高,在静态OPEN端口通常被MCU置为低电平,由于E点与OPEN端口接了二极管D15,当OPEN端口被置低时, E点电压钳位在0.7V,此时D(-端)电压比E(+端)电压要高,导致I点(2脚)输出低电平,控制IGBT关闭,不能加热。
C18、C20电容是调节谐振电路的同步,减少燥音及温升过高的节用。C21是反馈电容,当14脚输出低电压时,反馈到9脚,使9脚电压拉低。加速14脚更快达到低电平。
如图6.1,在无锅开机启动时,图上为各个关键的检测波形。
1、先在*点G**发出一个十几US的高电平(检锅脉冲),通常是每1秒钟发一次,E点由于二极管D15的反偏截止,由PWM端口输出的脉宽由电容平波后送到E点,E点电压也有十几US的变高宽度,由于OPEN口的瞬间高电平输出,电容C22耦合,A点(-端)相当瞬间加到5V,A点电压比B点(+端)高,C点输出低电平。C16电容也起耦合作用,把D点电压拉低,所以E点电压比D点电压高,I点输出一个高电平,IGBT导通,LC组合开始产生振荡。
2、启动后,在C点产生一连串的脉冲波形,当放上锅具时,LC组合产生的振荡好似串上负载,很快就消耗完,在C点的产生脉冲个数也减小,CPU通过检测端口检测C点的脉冲个数来判断是否有锅或放入合适的锅具。因无锅或锅具不造合时谐振后波形衰减的很慢,检出来的脉冲个数会很多。另外,如果一直检测到高电平,说明线盘没接好或同步电路出问题。
3、当检测到有合适的锅具,因谐振后波形衰减的很快,检出的脉冲个数会很少。CUP让*点G**(open)一直输出高电平进行工作,E点的电压随PWM输出脉宽的大小所控制,最终控制功率输出的大小。各个工作波形如图6.2所示。
CPU通过PAN,OPEN检测控制脚输出控制信号。
1、OPEN口在工作过程中一直为高电平,有干扰中断信号时输出低电平,2S后回复高电平继续工作。关机时为低电平。在检锅时发出一个十几US的高电平后关断。
2、PAN口作用,在开机时检测是否有合适的锅具,通过检测脉冲个数来判定是否加热。此端口在这里一直作为输入口(也可用来启动工作及检测脉冲个数,双重作用。)
此电路异常现象:不检锅、IGBT温升过高、燥音大
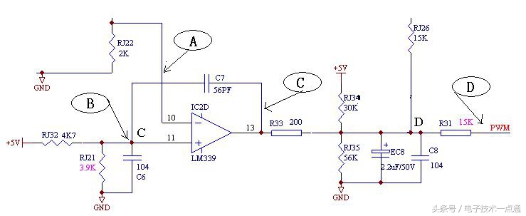
七、反压保护与PWM控制电路
作用:决定IGBT的导通宽度,提供IGBT正常开通、关断。
RJ32、RJ21提供基准电压给LM339的11脚,10脚由同步谐振电路分压得出,抑制IGBT的C极反压不得超过1150V, 当提锅或移锅时,IGBT反压增大,当接近1150V时,同步端使LM339的10脚电压高过11脚,13脚输出低电平,然后比较器一直在切换,从而维持电压不超过限压,保护IGBT不损坏。如图7.1所示。
RJ34、RJ35、EC8、C8,R31组成PWM控制电路,当PWM输出的脉冲宽度越宽,经过EC8平波后输出给LM339的5脚电压也越高,与LM339的4脚比较反转的时间也越长,2脚输出高电平时间也越长,进而控制IGBT驱动脉宽,达到控制加热功率越大。反之越小,PWM脉宽输出波形如图7.1的D点所示。
正常电压上,当PWN调节最小时,当最小功率(800W)下不来时,原因是D点的电压点太高了,导致IGBT的开通占空比无法调小,此时可以调小R31电阻来实现。
CPU通过检测输出控制信号
1、反压电路B点给LM339正端设置一个基准电压,当(A点)负端接收到谐振波形时,与B点作比较,当比较谐振脉冲高于基准电压时,比较器反转,抑制谐振电压不超过1150V,(这里用的IGBT耐压是1200V)。
2、抑制反压后,如果锅具有抬锅、偏锅时,输出功率会有变化,根据电流取样电路的电压值,调整PWM脉宽。
3、CPU通过控制PWM脉宽宽度,控制比较器的输出来控制IGBT的导通时间的长短,结果控制了输出功率的大小。
此电路异常易出现:爆机、检锅慢、检不到锅
八、炉面传感器与IGBT热敏电阻取样电路
作用:侦测炉子上锅具内部的温度、检测散热片发热情况
炉面传感器:炉面加热锅具的温度透过微晶玻璃板传至紧贴在微晶玻璃板底部的传感器,该传感器的阻值变化直接反映了锅具温度的变化,传感器与RJ36电阻分压电压的变化反映了传感器的阻值变化,就反映出加热锅具的温度变化。
IGBT热敏电阻:该热敏电阻放在紧贴着IGBT的正面。用导热硅脂涂在它们之间,并压在PCB板上,IGBT产生的温度直接传到了热敏电阻上,热敏电阻与RJ37电阻分压点的变化反映了热敏电阻的阻值变化。直接反映出IGBT的温度变化。
CPU通过检测两路AD值的变化作出指令控制。
炉面传感器:
1、定温控制,控制加热温度点,恒定加热物体温度恒定在设定的温度范围内。
2、自动功能及火锅控制,利用探测温度及结合时间,控制锅具内部的温度,达到最佳的烹煮效果。
3、自动功能工作时,锅具温度是否高过设定温度,立即停止工作,并关机。
4、锅具干烧时,立即停止工作,并关机。
5、传感器开路或短路时,开机后发出不工作信号(开路需要1分钟后再判断),并报知故障信息。
IGBT传感器:
1、当探测到IGBT结温>85℃时,根据当前工作情况,升功率或降功率,或间隙加热方式,让IGBT结温≤85℃。如果在不正常情况下温升还继续升高,高于110℃,则立即停止加热,并报知信息或不报知信息,而是每4S检测一下锅具。待温升下降到60℃又再次加热,循环工作。
2、热敏电阻开路或短路时,开机后发出不工作信号,(开路需要1分钟后再判断),并报知故障信息。
3、在关机状态下,如果IGBT温升高于55℃,CPU则控制风扇一直工作,直到温度小于45℃后停止工作。第一次上电时不作判断处理。
此电路异常易出现:炉面传感器失效,导致线盘过热烧线盘及爆机、无法达到正常的设定温度标准。IGBT热敏电阻失效,无法正常判断IGBT温升,导致烧IGBT。
九、风扇控制电路
作用:排出炉内热气
将IGBT及整流桥紧贴在散热片上,利用风扇运转,通过电磁炉外壳上的进、出风口形成的气流将散热片上的热及线盘等零件工作时所产生的热,加热锅具辐射进电磁炉内的热、及其它器件所散出的热排出炉外。降低炉内的环境温度,以稳定电磁炉正常工作。
CPU控制FAN端口输出高电平,使Q3三极管导通,18V电压加在风扇两端经过Q3到地,使风扇运转,当FAN输出低电平时,Q3截止,风扇停止工作,D22是开关二极管,作用是吸收,平波,起到保护三极管不被击穿,同时也让风扇工作的更可靠。
CPU根据程序判断发出控制命令
1、结合炉面传感器与IGBT传感器取到的AD值,控制风扇工作。
2、判断是否开机,风扇长转。
3、判断是否有特殊要求控制风扇工作。
此电路异常易出现:风扇长转,不转
十、开关电源电路

作用:为电路工作提供可靠的DC18V及DC5V电压。
AC220V 50/60Hz电源电压通过全波整流后,脉动的直流电压经EC7平波,经变压器初级加到低频放大管(NPN)13003的C极及经过R3电阻加到三极管的B极。使变压器初级产生电流进而产生电压,当Q8导通后,经过ACT30B的2脚(DRV)给1脚电容EC41充电,当电容充到5V后,2脚与3脚接通,EC41放电,下降到4.6V后,2脚与3脚断开,周而复始的工作,最后在三极管的A点产生如图10.1的波形,ZD3、ZD4、D39组成反馈电路,控制输出电压稳定在18V与5V,
R60,C5、D20构成RCD缓冲保护电路,用于抑制三极管关断后变压器产生过电压,减小关断损坏三极管。组成吸收电路,当变压器在受到浪涌后。因本身具有感应电动势及自身的漏感误差,使得与Q8相接的点电压会升高,通过吸收回路,把高出部分电压又送回到电源上。
D21、D23是快速回恢二极管,经过前级的电路工作,变压器次级输出两路电压,一路+18V电压提供给LM339,及风扇等电路工作,另一路电压通过78L05的输入端,输出端输出稳定的5V电压供IC工作(显示板)。
此电路异常易出现:过流保护、死机、爆机、上电无反应
电磁炉显示板原理图整体框图

显示板分成 3 大部分:
1、显示控制部分
2、蜂鸣器驱动电路
3、微电脑主控芯片IC
十一、显示控制部分
作用:指示电磁炉各种工作功能、不同功率档位、各种故障判断。
通用Q1、Q2、Q6、Q7三极管及164的串联移位送数扫描来控制LED灯及数码管的显示。扫描判断按键是否有否。
CPU通按按键指令输出命令
1、按键按下各种功能,CPU相应输出指示LED灯及数码管显示定时时间或功率档位。
2、当电磁炉出现故障时,输出故障代码,并通过声电来通知用户。
此电路异常易出现:显示不良,按键无效。
十二、蜂鸣器驱动电路
作用:可做美音,即各种音调,也可以做成单调的声音,
单音调时:J1跳线接上,R31、R32、R35、EC1、Q3、Q6不接,BUZ端口输出8K频率。
美音声调:J1跳线不接,MUISC输出一段时间。给EC1电容充电后关断,BUZ 输出不同的频率,可以听出不同的音调。
CPU在故障或按键操作或功能完成时提醒用户,通过发出音响来与用户沟通。
此电路异常易出现:无声音
十三、微电脑主控芯片IC
作用:电磁炉微电脑智能控制与模糊控制的灵魂。
1 脚:接地。
20 脚:接DC5V
19 脚:中断输入口,检测电路上各种干扰信号。保护IGBT在受到干扰后能及时关闭。
18 脚:启动电磁炉控制脚,不工作时为低电平,工作时为高电平。
14~17 脚:为电压、电流、炉面传感器、IGBT热敏电阻的AD模数转换端口,读出不同的AD值来控制电磁炉的工作状态。
13 脚:PWM输出脚。
4 脚:为内置复位电路,无需再外接电路,是做为单相无上拉输入端口,一般用作判断是否有启动工作,从而判断是否有合适的锅具。是否进入正常工作的判断。
其它脚一般做为正常的I/O端口,用作显示,判断按键,蜂鸣器、风扇控制端口。
此电路异常易出现:上电无反映,显示不正常、按键无反映
第五章 电磁炉常见异常故障分析之“葵花宝典”
1 : 电磁炉在加热30~60分钟功率就会下降50~100W!
电磁炉电路有没有PWM自动调节功率?若没有功率一定会下降!
若有PWM自动调节功率还存在功率下降。可能存在以下几点问题:
1,线圈盘表面离锅底太远导致PWM调满了。
2,IGBT高压峰值压得太低,或加热后取样电阻阻值发生变化。
3,线圈盘Q值太低。
2 :电磁炉IGBT振荡频率与L,C有关以外,还和哪几个因素有关?
还有锅具材质及锅具距线盘的高度!
还有其它因素吗?锅具离线圈盘最好为多高?
11mm (10.5mm~11.5mm之间)
3 :电磁炉一工作就发出吱吱的振荡声是怎么回事?
可能有以下几种情况:
1、振荡频率过低, 例如使用430材料锅或锅底特薄都会引起,
1):注一般情况下如430锅具加热时其频率低于20KHz
2):锅具的材质经过长时间的使用产生变异
3):LC配合参数有些偏移
A、线盘的磁芯断裂
B、线盘Q值偏低
C、绕线与PBT支架粘贴不牢
2、220V整流滤波电容(5uF)的容量过小。
3、调制脉宽电平不稳定。
4、同步跟踪电路有问题,可能使振荡不同步。
5、布板不合理也会引起。
6、用线型变压器作电源变压器的材质变异
7、风扇叶片开裂、断裂。风扇驱动电路元件变质
现的电磁炉技术发展比以前较成熟多了,但是有的厂家这种问题以极少数部分依然存在。
4 :电磁炉对锅具的检测是怎样进行的?
一般检测电流和脉冲个数。所谓检测电流就是让IGBT工作一段时间,一般取数十mS,互感器便感应出电压来,在无锅情况下,线圈盘能量消耗小,故互感器感应出电压也小;有锅时线圈盘能量消耗大,故互感器感器消耗能量也大,互感器感应出电压也大,通能判断互感器感应的电压大小就可以知道有没有锅。
所谓检测脉搏冲个数,就是让IGBT工作一个数个uS,(即一个脉冲),线圈盘就和谐振电容发生振荡,无锅时振荡时间长,有锅时线圈盘能量很快消耗完,故振荡也快,然后再能过取样判断振荡的长短来决定有没有锅。
5:电磁炉上电后烧IGBT。
是一上电就烧,还是开机几秒钟烧?两者原因完全不同的。
A、一开机就烧是什么原因?
查同步跟踪电路部分。是这部分出了问题致使不同步故烧了。
1、 查查电阻是否变质,
2、 同步电压是否异常,正确是正端比负端高0.2V以上
B、一上电就烧是什么原因?
上电烧一般是驱动IGBT电路输出个高电平,才把它烧坏。
排除这样的故障一般是顺藤摸瓜啦!
C、工作一段时间后被干掉是怎么回事?
首先看是否IGBT过热未能保护引起,再看干扰保护是否太迟钝引起
6 :电磁炉可以加热,但速度很慢,加热一段时间后就发出嘀嘀的报 警声。而且 IGBT 发热异常,这是什么故障?
驱动波形不正常,占空比过小,造成IGBT非零压时开关,从而发热严重。
建议挂示波器看看波形,一般是什么因素会导致波形异常。
出厂前厂家一定是做过检测,到市面上的一般是器件变值、老化影响。
7 : IGBT工作在1800W其工作频率为多大?导通时间为多少?线圈盘电感量为多大?振荡电容为多少?温度为多高才合适?.
电磁炉最佳工作频率在20-30KHz范围内,IGBT性能现在已经最高达到了150KHz(硬开关)以上,和MOSFET基本相当.通常;IGBT温度控制在85度左右.寿命控制在10年以上(比较保守)短期结温控制在110度。
线盘电感量现在各个厂家做的最多是110UH~125uH之间,配用0.27uF/1200V、0.3uF/1200V、0.33uF/1200V谐振电容几个参数,功率最大做到2100W,极少数做到2200W!
据单管实验、配430锅,做2000W时,锅放正中间,IGBT工作在25KHz时,温度由壳内的通道、风量及散热片大小决定,导通时间约为23uS。占空比为1/2。
在相同的条件下,但在28KHz时工作温度为85度至90度!(即谐振电路越小,频率越高)
8 :电磁炉线圈盘用的磁条,如何判断其好坏?
主要是材料的质量!
虽然材料的质量和产生的频率没有什么影响,但是在一定的情况下会直接影响到频率的高低,会产生不稳定的频率,很简单的例子:劣质的电磁路的噪音很大的因素与它有关.
若给你两块:一块是好的。一块是差的,你是如何判断呢?使用什么仪器测量呢?
可以测试它的磁导率,主要还是外观的检测.
因为,磁快烧结后,材质轻微的好坏对磁导率的影响不是很大,但是价格相差很大,差的都是好的筛选下来不用的,国内的大都是这样的.
好的表面光滑,颗粒细致均匀,差的相反!测试磁导率的市场有的卖的
9 :电磁炉不加热从哪入手排除故障?
从以下一步一步试试:
1、干扰原因造成。查查干扰电路是否有异常
2、上电延时保护电路故障:
3、电源回路故障
4、电流检测电路故障
5、IGBT驱动电路故障
6、检锅电路
10 :,电磁炉通电按面板键无任何反应?如何排除?
1、上电时是否显示灯有指示。如果有,面板按键是否有问题、芯片管脚坏还是辅助芯片坏(74HC164损坏)
2、上电时无任何反映,保险丝、整流桥、IGBT、压敏电阻等是否损坏,若IGBT、整流桥损坏则更换;检查传感器、散热器、线盘及其端子等之间是否有打火痕迹,机器内部是否进过水.
3、检测連接排线等接插件是否不良,再检查各组电源+5V,+18V是否正常;如不正常,开关电源损坏。
11 :电磁炉晚间生产时,功率会压死,调可调电阻也调不上来,但一到白天,又好了,咋回事呢!
功率压死跟很多因素有关,先看看锅具是否那种特别差的,430材质的要比304的低,再看反压电路上电阻是否变值,或反压值设计得太低;或线盘表面距离陶瓷表面太远?
另一方面也要关注,可能晚上电网上干扰比较严重,引起反压波形上尖峰毛刺的出现,使反压电路提前动作从而引起功率下降。也可能PWM电路因电阻或设计原因,使PWM转换电压余量不够,当5V又偏低时引起。
那间歇加热现象又跟那些因素有关呢?
首先是否存在过强的电网干扰,在这种情况下属正常的电路保护,再是否在小功率状态下,例如800W以下,这也是正常的工作方式。 另外检查下是否干扰电路出现问题。 当同步电路异常时也会出现,特别是在使用国产的339,又当使用304锅,线盘距离陶瓷板很近时有时就会出现,这种情况下就要对同步电路进行良好的滤波设计。
那IGBT过热又跟那些因素有关呢?
首先看使用哪种IGBT,西门子温升最低,再看线盘表面距离陶瓷表面是否太近,往往线盘凸起,陶瓷板凹进会使IGBT温度升高。 另看风道是否太差,包括风扇电压不够引起转速变慢,散热片位置不对,或线盘紧压着散热片。 或使用锅具不当,有些锅具会使IGBT温度一路飙升,430要比304要好,且电压越高,功率越低,304的温度会越高,但304复底锅是在220V最大功率档时温度最高。
12 :电磁炉工作一段时间后,出现间隙加热。
首先要看炉子热起来后器件是否受热影响,是停止2S后再启动工作,还是出现不规则的间隙,而且功率只掉一半又上来。
1、停止2S后又启动工作,而且停止的时间很有规律,可以判定是出现中断引起的,首先是否存在过强的电网干扰,在这种情况下属正常的电路保护, 如果不是,那就是电压干扰或电源干扰信号器件出现问题。
2、间隙不规则,功率没有完全掉完又回去了。应该是同步和自激电路器件出现问题,先看自激回路波形是否出现变异,同步接LM339两端电压是不是在0.2~0.4V之间,电阻有没有变阻,电容是否有漏电。
一般电路故障检修流程
第1条:上电无任何反映。
第2条:上电显示正常,有检锅信号,放上锅具检到锅不工作。
第3条:显示正常、开机只有检锅声,不工作。
第4条:显示正常,开机后“无锅报警声正常”放上锅具后,能工作,但功率出现间隙加热,由小变大,反复跳变。
第5条:正常显示,开机后功率上不来。
第6条:风扇不转。
第7条:一上电就炸保险管,IGBT、整流桥。
第8条:无显示、按键无反应。
第9条:功率偏低,与额定功率偏差过大,或功率跳功频繁。
1、上电无任何反映
2、上电显示正常,有检锅信号,放上锅具检到锅不工作。

3、显示正常、开机只有检锅声,不工作。
4、显示正常,开机后“无锅报警声正常”放上锅具后,能工作,但功率出现间隙加热,由小变大,反复跳变。
5、正常显示,开机后功率上不来。
6、风扇不转。

7、一上电就炸保险管,IGBT、整流桥。
8、无显示、按键无反应。
9、功率偏低,与额定功率偏差过大,或功率跳功频繁。
第六章 电磁炉元器件的认别及其测量方式
一 电阻 R
1.电阻单位:(欧姆),用英文表示:Ω
1000000(欧姆)Ω=1000千欧(KΩ)=1M欧(MΩ)
2.电阻的作用:限压与分流作用.
3.电阻的种类
3.1根据材质不同分为:水泥电阻、绕线电阻、金属氧化膜电阻、金属膜电阻、碳膜电阻等
3.2根据性质不同分为:可调电阻、热敏电阻 、压敏电阻、滑动电阻、排阻、高压无感缓冲电阻等
4.电阻的色环顺序
| 黑 | 棕 | 红 | 橙 | 黄 | 绿 | 蓝 | 紫 | 灰 | 白 | 金 | 银 |
| 0 | 1 | 2 | 3 | 4 | 5 | 6 | 7 | 8 | 9 | -1 | -2 |
5.电阻的计算方式

举例:(普通代号RCF.精密代号RMF)电阻色环顺序如下
红 黑 红 金 RCF=2 0 ×102 =2000Ω=2KΩ
红 黑 黑 棕 棕 RMF=2 0 0×101=2000Ω=2KΩ
6.快速识别电阻的方式
| RCF三道色环代表的阻值 | RMF四道色环代表的阻值 | ||
| 黑 | 几十几Ω | 黑 | 几百几十Ω |
| 棕 | 几百几十Ω | 棕 | 几点几KΩ |
| 红 | 几点几KΩ | 红 | 几十几KΩ |
| 橙 | 几十几KΩ | 橙 | 几百几十KΩ |
| 黄 | 几百几十KΩ | 黄 | 几点几MΩ |
| 绿 | 几点几MΩ | 绿 | 几十几MΩ |
7.电阻的电子式符号

8.常用电阻的功率分类
1/4W 1/8W 1W 2W
9.电阻的检测方式
1.根据其色环代码,用万用表的电阻档测量其阻值
如:15KRCF电阻测量结果14.25——15.75误差为±5%
15KRMF电阻测量结果 15K
2.检查其组件脚是否氧化
3.以上为常用的电阻的检测方式VR、VA(一般情况下都有相映的标识)不在之列
二、二极管D
定义:是内部具有PN结,外部具有两个电极的一种半导体器件.
1.二极管的特性:单向导电性(正向导通反向截止).
2.二极管的作用:整流二极管 、 稳压二极管 、 开关二极管、 发光二极管
3.二极管的种类及电子式符号

4.二极管的材质采用半导体锗材料或硅材料
5.二极的测试方法
万用表R×100或R×1K电阻档接触二极管两个电极,若测出的电阻值为几十、几百欧和几千欧黑表针为正,红表针为负,若测出的电阻值为几十千欧、几百千欧黑表针为负,红表针为正。
5.1注小功率二极管正反向电阻宜用R×1和R×10K档,前者通过二极管的正向电流较大,可能烧毁管子;后者通过二极管的反向电压太高,可能击穿管子.
5.2一般情况下可直接通过目视的方法分别有色标一端为负极
5.3具体的参数测可通过相关的测试仪器进行检测
5.4发光二极管可以通过电池进行光亮的强度进行检测.
5.5数码管,背光源可通过相应的支柱进行检测
三三极体Q
定义:内部含有两个PN结、外部具有三个电极的半导体器件。
1.三极体的作用:具有对电流电压进行放大功能
2.三极体的极性:b为基极、c为集电极、e为发射极
3.三极体根据材质不同分为锗材料三极管和硅材料三极管
4.按PN结的组合方式不同,三极管有PNP型和NPN型
5.按功率不同可分为:小功率管、*功中**率管、大功率管
6.按工作频率不同可分:低频管高频管
7.按用途不同可分为:开关管和放大管
8.放大作用和主要参数
电流放大系数、极间反向电流、截止频率、击穿电压、集电极最大允许耗散功率
9. 管性判别
9.1 PNP型三极管,C极与E极分别为PN结的正结,B极是它们共同的负极,NPN型三极管,C极与E极分别为PN结的负结,B是它们共同的正极。
9.2 用万用表R×100或R×1K档进行正反电阻阻值测试共六次,其中两次阻值较小,此时表针固定的一极为基极,这时固定的表针为黑表针时此三极体管为NPN型管,若是红表针则为PNP型管。
10.电极判别
10.1 根据上述(9)已确定基极
10.2 PNP型管检测,先假定B极与C极用万用表R×1K档让红表针接C极,黑表针接B极,在B极与C极两极加上一个人体电阻,同时看表的显示状态在交换B极与C极,此时我们发红表针接E极测得的B极与C极电阻要比黑表针测得两极的电阻的阻值小,这时我们确定红表接的是集电极,黑表针接的是发射极。
10.3 在测NPN型管只需将表针对换一下即可
11.检测方式
除用万用表测量外(万用表测量三极体的方法只需知道9、10用法便可),也可用相关的仪器测量。
四、电容C
1.电容的构成及作用
它是有两个金属电极中夹层电介构成的。
作用:具有储存电能电路中用来渺茫波、隔直通交、与电感元件形成振荡回路。
2.电容的种类
有纸介电容、电解电容、陶瓷电容等
3.电容的参数
3.1标准电容量与允许误差
3.2额定工作电压
3.3漏电电阻和漏电电流
4.性能的测量
4.1电解电容用万用表的电阻档黑表针接电容的负极,红表针接电容的正极,阻值大的性能超好。(漏电流超好)
4.2容量较小的电容的测量方法(陶瓷电容)此电容无正负极绝缘电阻值大,漏电电流小只有M欧表可测量。
4.3以上电容可以用电容测量仪器测量更为准确。
5.电子式符号
5.1.电容的单位(F)
1F=1×106 UF=1×1012PF
五、变压器T
1.T的作用:变换沟通电压(或电流)的高低、变换阻抗大小和性质
2.变压器的种类及电子式符号

自耦变压器(调压器)

低频变压器
3.检测方式
3.1绕组温升、泄漏电流、次级输出电压
3.2检查引脚铜丝不应裸露、铁(磁)芯绝缘电阻阻值。
六、电感L
电感L是利用自感作用的器件,在电路中与电容一起组成滤波电路、谐振电路等。
1.电感的种类线圈电感和色环电感
2.主要参数
2.1电感量当线圈中及其周围不存在铁磁质时通过线圈的磁通时与其中流过的电流成正比。单位:亨(H)
2.2品质因数Q:是指线圈的某一频率的沟通电压下工作时,所呈现的感抗与其等效损耗电阻之比.
3.色环电感的识别与计算(同电阻)
1H=1×103mH=1×106UH
4.电子式符号
5.检测方式直接用电感测试仪
七、集成电IC(U)
1.所谓的集成电路是有若干电阻、二极管、三极管工共同构成的一块芯片。
2.集成电路代号

3.集成电路的引脚顺序
以缺口为基准逆时针方向

八、其它元件及其电子式符号
1.保险丝(F)分快熔和慢断110V用250V/20A 1300W 220V/15A 1800W
2.压敏电阻过压保护 VA

3.晶振Y振荡频率

4.热敏电阻RCT过温保护

5. IGBT
IGBT:材质为硅、特性为复合形管参数如东芝但相关测试时的参数应为
| 品名 | 耐压 | 电流 | 厂家 |
| FGA20N120FTD | 1200V | 20A | 仙童 |
| H20R1202 | 1200V | 20A | 西门子 |
集电极—发射极额定电压、栅极驱动电压、额定集电极电流、集电极—发射
极饱和电压、开关频率。
6.整流桥
| 品名 | 耐压 | 电流 | 厂家 |
| D15XB60、D20XB60 | 600V | 15A、20A | 新电源(大桥) |
| US15KB80R、US20KB80R | 600V | 15A、20A | 新电源(小桥) |
| T15XB60、T20XB60 | 600V | 15A、20A | 天津中环 |
| D15SB60、D20SB60 | 600V | 15A、20A | 乐山希尔 |
7.比较器LM339

第七章 电磁炉上元器件的尺寸与作用简介
1、元件尺寸
1) 电阻的作用:限压与分流作用,按种类分为:贴片,插件,额定功率有0603、0805、1206、1/6W、1/4W、1/2W、1W、2W、3W、5W等
| 功率 | 最高使用电压 | 最高过负荷电压 | 最高断续过负荷电压 |
| 1/8W、1/6W | 200V | 300V | 300VV |
| 1/4W | 300V | 500V | 500V |
| 1/2W | 350V | 700V | 700V |
| 1W | 500V | 1000V | 1000V |
| 2W | 500V | 1000V | 1000V |
2)电阻的参数:阻值、误差、材料、功率。耐温度、碳膜电阻:-55℃~150℃
2 、电磁炉关键元件作用
a) IGBT功率管、整流桥堆
IGBT在大致相同工作电流下各品牌一般都可通用,2000W以下一般使用额定电流在20~25A的IGBT管。 IGBT管在工作过程中会发热,应加散热片进行散热。在装配过程中应均匀涂抹散热硅脂,并紧接触散热片进行安装。 IGBT是高阻抗器件,对静电特敏感。
整流桥,220V电源的,2000W内的,一般使用15~25A,600V尺寸,各品牌均可通用,目前市场上有很多种品牌,日本新电源、天津中环、乐山希尔,那些质量较差的,主要表现在耐压较差,或外表粗糙、不平、有凸起现象,在装配时,若不关注螺丝批的力度,就很容易使整流桥打裂。整流桥是微发热器件。
b)谐振电容
谐振电容是指电磁炉电控板上与线盘相并联的高压电容,电容范围为0.15~0.4Uf/1200V。一般情况下,在同一尺寸线盘下,容值越大的,电磁炉工作中心频率就越低,430材质锅具功率就越易上来。但对304材质锅具的,就会使在最小连续档温升变大。 此电容在工作中需承受超过1000VDC的电压,且会发热,如果耐温耐压不过关,则在工作过程中极易损坏。
c)平波、滤波电容
电磁炉电控板上在沟通进线处一般放置一2Uf/275VAC的CBB电容,起滤波作用,在整流桥、扼流圈后面放置4~10Uf/275VAC的CBB电容,起直流平波作用,类似水桶原理,使后级的线盘,IGBT工作电流尽量平滑。
d)扼流圈
在整流桥后级,主要起两个作用,一将外界来的干扰挡住门外,二将IGBT、线盘工作时自产生的干扰关在门内,不让给跑出到市电上,从而影响其它电器工作。自身会发热,当线径小于额定电流所需时,后磁芯质量太差,或破裂或磁饱和,均会使温升增加。一般耐温130~200度。如若出现绕线匝间短路,在工作中会使短路的绕线烧黑。
e)电流互感器
电流互感器,起电流检测的作用,用于整机的功率控制。此器件主要是次极绕线容易断线,易容易引起整机功率波动、检不到锅,功率异常等故障。
f)高压取样电阻
用于电压、IGBT工作波形的检测,由于工作在高压,大电流甚至高频的工作环境中,所以售后故障率较高。是不检锅、无功率输出、误报警的主要故障原因。故障主要表现为变值、开路。
g)散热器
散热片用于IGBT、整流桥发热器件的降温。
h)高频变压器
电源转换器件,如损坏,会使5V、18V等电压没有或偏差太大。
i)快速反应二极管
主要用于开关电源中,主要特性为工作频率高,开关导通速度快,由于有些此管与1N4007外表像,使得两种容易混料、错插件,造成故障主要有无电压输出,或工作一段时间后器件损坏。一般反应速度越快的管,管的PN结压降越小。
j)主芯片
用于电磁炉功能控制,类似人的大脑功能。用于电磁炉的主要有东芝、三星、HOLTEK、义隆,现代等品牌。如损坏,主要表现在无功率输出,或锅拿走依然有功率,或乱显示,炸机等。
k)显示芯片74HC164

移位寄存器
主要用于数码管类的电磁炉显示,是一移位送数寄存控制器。如若损坏,表现为乱显示、暗亮、按键操作失灵等。
l)18V、5V


稳压块
18V主要用于 IGBT管的驱动、339的工作电源、风扇的电源。18V电源高于20V时,会超过IGBT管的使用电压范围,会使风扇转速加快,噪因增加,电压过低,又会使IGBT管驱动不够,风扇转速不够。
5V主要用于主芯片的工作电源,比较器的电压基准。电压偏高时,会使高压保护电压偏高,430锅功率偏大,IGBT管反压点抬高。电压偏低时,就会使高压保护电压偏低,430锅功率容易上不去,IGBT反压点降低。