
新型悬挑架安装搭设装置
一项目概况
本项目的新型悬挑架梁侧全预埋安装搭设装置系住房城乡建设科技发展重点技术领域下的装配式建筑技术中的高效施工技术体系,且本项目的新型悬挑架中的型钢梁所采用的工字钢用量,比传统产品减少了穿越墙体伸入室内锚固在楼面梁和楼面板上的长度,其重量减轻了56%以上,节省了大量的钢材,因此,安装新型悬挑架时,施工简便,轻量化操作,且不影响其他工序施工,多种施工工序可交叉进行,有效地提高施工效率,优化了施工流程。也不再需要现场实施焊接、切割等工序,有效消除了火灾隐患。这种全新的安装搭设方式,可以有效保证施工质量,杜绝渗水漏水隐患,并且构件重复使用率为95%。

针对使用铝模的工地,因为新型悬挑架的型梁不必伸入室内,可不必再另外采用木模配合,有效杜绝炸模现象。

针对使用“装配式建筑”的工地,在悬挑层上的痛点,新型悬挑架可提供有效解决方案。
本项目由湖南高新技术企业、长沙市重点扶持企业——“湖南拯卫建设科技有限公司”与“中南大学”进行的产学研合作项目,相关技术已通过知识产权管理体系认证,获得发明专利1项、实用新型专利12项,系湖南省建设厅列入2018年建设科技计划项目之一。


二项目推广意义
近年来,随着建筑高度不断增加,结构体型日趋复杂,为满足建筑主体结构施工和外墙装饰施工的需求,都需搭设外墙脚手架,其中扣件式钢管脚手架因其各种使用性能都比较优越,故在建筑施工领域里得到广泛使用。为了确保钢管脚手架使用安全,《建筑施工脚手架安全技术统一标准》GB51210—2016第3.2.1条表3.2.1规定,在安全等级II级的一般情况下,落地式钢管脚手架搭设高度不超过40米,底部设置悬挑型钢梁承力架的钢管脚手架搭设高度不超过20米,因此,在高层建筑施工中,大约每隔18米就需要重新设置一道悬挑型钢梁承力架。位于悬挑双排钢管脚手架底部的承力架,即目前最流行的传统悬挑型钢梁承力架的室内、外锚固及斜拉绳上端固定点的预埋如下图:

传统悬挑型钢梁必须穿过建筑物的外墙,伸入室内铺设在主体结构楼面上,再用3个U型预埋件锚固在楼面板和楼面梁上。
缺点:
(1)伸入室内的型钢梁布局复杂,妨碍室内建筑垃圾清理及施工人员行走。
(2)型钢穿过墙体,容易破坏混凝土梁、板构件,容易引起楼面渗水漏水。
(3)拆除型钢梁前,可能还需要在现场切割U型锚固环,拆除后还需要补洞、补贴砖,增加了施工时间。

伸入室内的固定长度不应小于室外悬挑段的1.25倍,所以通常情况下,需要用≥3米的型钢梁,拐角处的型钢梁则需4~5米。
缺点:
(1)一次性投入的钢材多,重量大。
(2)一根3至5米的工字钢安装、拆除过程需要全程依赖塔吊,起吊过程中盲区很多,存在很大的安全隐患。

当型钢梁贯穿楼梯间时,不知有多少工友在此经历过“当头一棒”的一不谨慎。

斜拉绳上端固定环拆除时,需现场切割,且不可回收重复使用。

传统悬挑型钢梁拆除过程有,有时需要现场切割,不但浪费材料,且耗时耗工。


传统悬挑型钢梁拆除后,还需要补砌墙洞、补粉刷、补贴外墙砖,容易引起楼面渗水漏水。
针对传统悬挑型钢梁承力架所存在的不足之处,本项目经过长达3年的研发、试验、运营的积累,各项技术指标及安全性能达标的新型悬挑架梁侧全预埋安装搭设装置如下图所示:

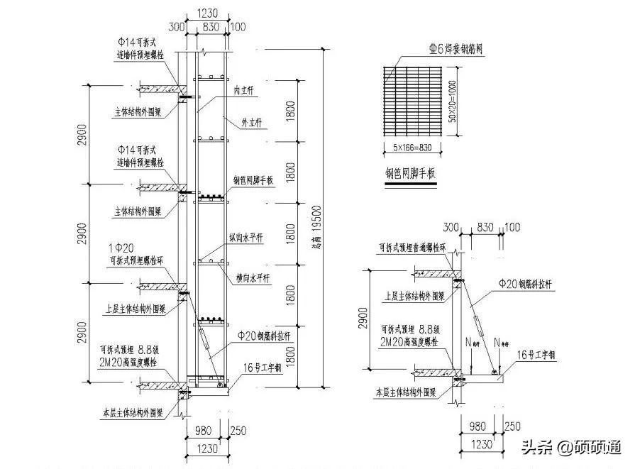
梁外侧无悬挑板,内立杆与外墙间距300mm,内、外立杆间距830mm。悬挑型钢梁为1.23米长(<1.75米时),采用“上拉式悬挑承力架”。

梁外侧有600mm凸窗板,内立杆与外墙间距900mm,内、外立杆间距630mm。悬挑型钢梁为1.63米长(<1.75米时),采用“上拉式悬挑承力架”。

梁外侧有>600mm凸窗板,内立杆与外墙间距>1020mm,内、外立杆间距630mm。悬挑型钢梁>1.75米时,采用“上拉式悬挑承力架 + 增设斜支撑杆”方式搭设。
三新型悬挑承力架组成构件
一:悬挑梁
16#普通工字钢为主件,焊接底座板、三角加强板、U型上拉件、下撑件,材质均为Q235。

1)直线梁:安装于结构为直线面的悬挑梁,长度有1030、1130、1230、1630等不同型号尺寸。各项目所用到的直线梁的型号,详见我公司针对各项目深化设计的“悬挑梁平面布置图”。


2)斜角梁及对角梁:安装于建筑结构阳角处的悬挑梁,长度代号有“左30右30”、“左30右70”等多种型号尺寸。各项目所用到的斜、对角梁的型号,详见我公司针对各项目深化设计的“悬挑梁平面布置图”。


注:悬挑梁安装好后,应及时将“螺母保护盖”扭好组装上,以防混凝土掉落粘贴在螺杆上(上图所示为中国北方城市,有15cm外墙保温一体化的现场安装图)。
二:斜拉杆
由Ф20、Q235材质的镀锌圆钢拉杆(正丝、反丝)、封闭式可调节花蓝及丝牙保护套组成。



三:下支撑杆
由Ф50*3.0(Q235材质)无缝钢管为主件,焊接Ф34*5(Q235材料)无缝管调节套管。

注:下支撑杆安装调整至受力状态后,应及时用胶带将“调节套管”包扎好,以防混凝土粘贴其上。
四:预埋体系
1)预埋件:分两种型号:长180mm的用于预埋在悬挑梁与建筑结构连接处;短150mm的用于预埋在上拉杆及下撑杆与建筑结构连接处。



2)安装螺杆:本工艺配套专用的“临时固定螺杆”,用于确保混凝土浇筑过程中预埋件不会产生偏位。混凝土浇筑后,拆侧模板前,需扭出退出的周转配件。


注:(1)预埋件安装时,需确保预埋件与模板接触面的无缝隙紧贴,防止砼浇捣时,混凝土浆水渗入到预埋件的管内部。(2)预埋件安装完毕后,砼浇捣时,严禁振动棒直接与预埋件接触,以确保预埋件不被损坏或发生偏移。
3)与预埋件连接的构件:双头螺杆、双耳拉环、单耳拉环。

S8.8级高强双头螺杆

专用垫片 + M20专用高强“加厚螺母”

特制专用“双耳拉环”

用销栓(配套开口销)与斜拉杆连接

特制专用“单耳拉环”

用销栓(配套开口销)与下支撑杆连接
五:备用配件
预埋安装时不确定因素众多,有遗漏预埋的、有预埋件被振动棒振坏的、有预埋时产生偏位的等情况,导致预埋件失效的备用配件。


如有砼浆渗入预埋件的管内,可用“攻丝钻”(见上图)打通的方法予以补救。
六:安装工具
全过程采用电钻打孔,无需现场拉线接电。针对使用铝模板的项目,电钻的钻头需配一大一小2支钻头。直线梁与对角梁的“*位器定**”等工具使用。

一个电钻机配2个电池,现场请记得及时充电。
七:移动式定位桩
此为升级优化后的一项改进,灵活实用,特别是针对“外架先行”的脚手架搭设方式。

移动式定位桩调动范围:前后可调节10cm,左右可调节5cm。
四新型悬挑承力架施工步骤
1、深化设计
根据各项目提供的“建筑图”和“结构图”结合《建筑施工脚手架安全技术统一标准》和《建筑施工扣件式钢管脚手架安全技术规范》的有关规范,我公司深化设计绘制出专项“悬挑梁平面布置图”。

立杆的基本纵距不大于1.5m,每挑脚手架搭设高度不超过20米。
2、预埋
2.1 以“悬挑梁平面布置图”为导航,对各号栋楼现场进行预埋(内、外侧模板组装好及钢筋布设好,浇筑混凝土前,进行预埋)。

预埋安装前必备工具

电钻打孔预埋,无需拉线接电
注:如有超长悬挑梁(大于1750mm),各项目的“悬挑梁布置图”中有注明需要增设下支撑杆的,需在悬挑层的下层提前设置“下支撑杆”的预埋。


(1)每根悬挑梁,在外侧模板上开两个Φ1.25cm的圆孔,再通过配套专用的螺杆临时固定,确保混凝土浇筑过程中预埋件不会产生偏位。
(2)预埋件安装时,需确保预埋件与模板接触面的无缝隙紧贴,防止砼浇捣时,混凝土浆水渗入到预埋件的管内部。
(3)预埋件安装完毕后,砼浇捣时,严禁振动棒直接与预埋件接触,以确保预埋件不被损坏或发生偏移。

为保证新型悬挑承力架安装后的整体美观,上拉杆、下撑杆、悬挑梁这三项预埋件的设置,均应尽可能设置在相对同一高度。为提高预埋件的使用安全,确保预埋件的受力最大化,所有预埋件位置的设置,应在砼浇捣面往下10cm至20cm处的范围内(见上图)为最佳预埋位置。
2.2 现场预埋时,务必确保同根悬挑梁的“两个预埋件”在同一个水平线上。

2.3 各项目首次预埋时,需提前预埋3根*2组,共6根预埋件,以备现场“拉拔试验”时使用。


(1)此6个预埋件均用180mm的长预埋件。(2)预埋后,在混凝土浇筑完8天后,方可做拉拔试验。(3)做拉拔试验时,我公司提供的计算书内会标示出针对本项目的“受拉承载力设计值”,当拉拔数据超过设计值时,可停止试验,以免造成结构破坏。(4)做完拉拔试验后,此6根高强螺杆可周转至上挑使用。
3、安装双头螺杆
混凝土强度达到5MPa或相关要求的强度后,开始安装双头螺杆。

扭出安装螺杆,外侧模板拆除后,露出预埋件

安装S8.8级高强“双头螺杆”
4、悬挑梁安装


根据预埋件的安装位置,逐条将悬挑梁布置于悬挑层各个部位。
5、脚手架搭设


(1)混凝土达到12MPa或规定要求后,方可开始搭设外架,此过程严禁在悬挑梁或钢管架体上堆放重型材料。严禁在此过程中吊放塔吊上的任何材料。
(2)在不具备连接“上拉杆”条件时,脚手架可搭设最高高度为13米,当悬挑层上层的混凝土强度达到要求后,应尽快将上拉杆组装好,并及时将“上拉杆”调节至受力状态后,方可再往上搭设脚手架。

在超长悬挑梁(大于1750mm)处,搭设脚手架前、应前提将下支撑杆安装好并调节至受力状态。
6、斜拉杆上端“双耳拉环”的预埋及安装


在悬挑层的上一层混凝土浇筑前,将斜拉杆“上端拉接点”的预埋件布置好。


待外侧模板拆除,混凝土强度达到规定要求后(一般在砼浇筑后72小时的样子),开始把“双耳拉环”扭入预埋件内连接,并将“斜拉杆”连接好,同时调节至受力状态。最后再将外架往上搭设至20米(以内)。
五新型悬挑承力架的优点


1:不需穿墙安装,根本不会损坏混凝土墙、梁、板等结构,有效杜绝外墙渗水漏水现象,能有效保证主体结构的施工质量。
2:型钢梁工字钢耗材少,安装拆除无需塔吊配合,轻量化操作,方便快捷。
3:室内没有型钢梁妨碍建筑垃圾清理及施工人员行走,各种施工工序可交叉进行,施工现场简洁、美观。
4:悬挑型钢梁与建筑物主体结构的固定是采用可拆式预埋高强螺栓,型钢梁拆除后,预埋螺栓还可回收重复使用。
5:与传统做法的悬挑型钢梁对比,既节省型钢及U型预埋件,同时又节省了拆除传统型钢和预埋件后所需的切割、补砌筑等环节的费用和工时。


1:悬挑梁斜拉杆上端与建筑物主体结构的固定是采用可拆式预埋高强螺栓环,脚手架拆除后、可简便的拆除拉环,外墙各种施工工序可高效进行。
2:与传统做法的悬挑架的斜拉绳预埋环对比(传统的斜拉绳预埋环既不可回收,拆除时还需现场切割),既省工又可节约材料。
新型悬挑架的斜拉杆是该项目的技术创新点,采用Φ20镀锌圆钢配“封闭式可调节花篮”,同时配套丝牙保护套。现场安装操作便捷,安全系数更高,且重复使用率为100%。

悬挑型梁拆除后,墙面整洁无任何破坏。
六一种新型连墙件
传统做法的连墙件是将连墙钢管直接穿墙入室加以固定,拆除脚手架后,会留下很多孔洞。后期补洞时,还需氧焊气割预埋进去的钢管及扣件。不但浪费材料,而且耗时耗工。


传统做法的连墙件实况图
针对传统连墙件的不足之处,湖南拯卫建设科技有限公司经过长达5年的研发、试验、运营的积累,各项技术指标及安全性能达标的“新型连墙件”如下图所示:

新型连墙件,是由内置方形钢制螺母的特制塑料管预埋件、内置圆形钢制螺母的连墙钢管及双头螺纹的螺栓杆等三部分组成。拆除脚手架后,外墙上不会留下破坏性的穿墙洞口。


根据现场情况需求,定制长度不等、各种尺寸的连墙杆。

七工程实际应用项目



专项计算书

全国已使用该工艺的各项目一览表

珠江 · 愉景雅苑

碧桂园 · 月湖湾

金湘国际城

金融街 · 金悦府
八湖南拯卫建设科技有限公司简介
湖南拯卫建设科技有限公司是一家具有独立法人资格的高新技术企业,是一家着力研发、生产建筑施工预埋、构件为主的企业,系长沙市重点扶持企业。公司事业部位于湖南省长沙市宁乡市绿地中央花园42—102号,现有员工55人,其中研究开发人员10人。本公司与中南大学进行的多项产学研合作项目,已获专利13项,其中发明专利1项。



九全国各城市地区的业务拓展
本项目(新型悬挑架梁侧全预埋安装搭设装置)全新设计的安装方案、优化施工步骤、标准化运营的产品及部件,是经过长达3年的研发、试验、运营的积累。经过多项工地施工的应用与反馈,已掌握该项目设计、生产和投入工程运营的关键技术,所有产品不仅通过权威检测,并已获国家知识产权管理体系认证,创新技术在该领域处于领先地位。

本项目符合国家和省住房城乡建设产业及科技政策;符合轻型化、标准化及绿色环保发展方向;符合国家“两型社会”建设要求,对推动建筑施工行业向技术密集方向发展,具有良好的社会示范效应。本项目研发的新型悬挑承力架施工安全可靠、装拆快捷,可节省材料达56%以上,材料回收率达95%,施工成本可显著下降,深受使用过产品的施工单位认可。中国是一个建筑大国,在建筑施工领域里具有很强的推广意义和广阔的市场前景。
